GM Service Manual Online
For 1990-2009 cars only
Makes
🢒
Cadillac
🢒
1999
🢒
Escalade
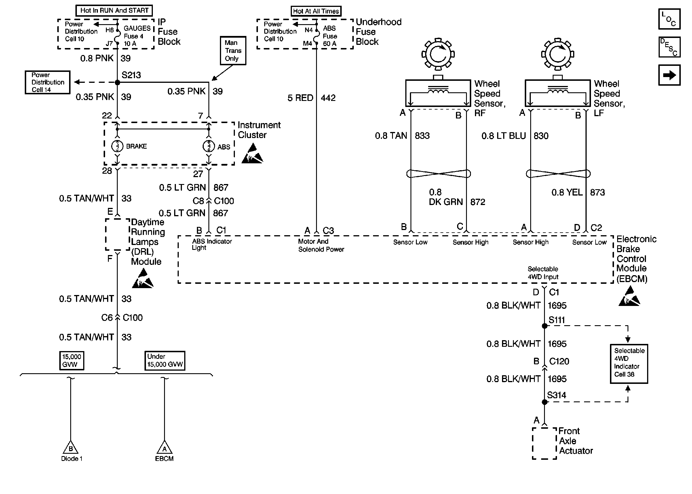
🢒 ABS Schematics 99C/K
ABS Schematics 99C/K
Indicator Control and Wheel Speed Sensors (common)
ABS Components
ABS Description
ABS Schematics
Cell 10: IGN A Fuse and Ignition Switch
Cell 10: GAUGES Fuse
Cell 10: Battery, and Underhood Fuse Block
Handling Electrostatic Discharge Sensitive Parts Notice
Handling Electrostatic Discharge Sensitive Parts Notice
Handling Electrostatic Discharge Sensitive Parts Notice
Front Axle Actuator
ABS Schematics
ABS Schematics 99 C/K