GM Service Manual Online
For 1990-2009 cars only
Makes
🢒
Cadillac
🢒
2008
🢒
Escalade
🢒
Diagnostic Navigation
🢒
Vehicle Diagnostic Information
🢒 Liftgate Schematics
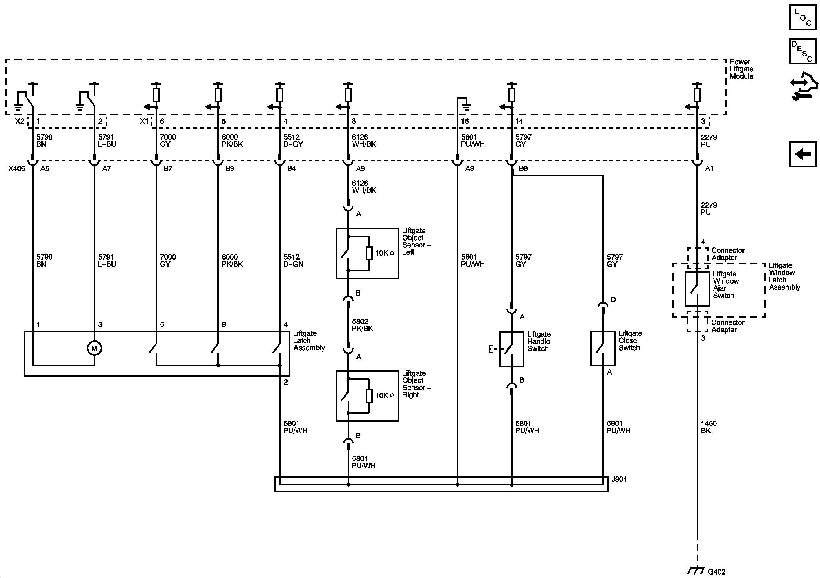
Figure
1:
Module Power, Ground, Serial Data, and Front Switch (E61)
Master Electrical Component List
Liftgate Description and Operation
Control Module References
Liftgate Motor Controls (E61)
ALC/COMP, EAP, and LGM Fuses
IS LAMPS, LT STOP TRN, OBS DET, REAR SEAT, and STOP LAMPS Fuses and LT DR Circuit Breaker
Low Speed Bus - JX200 - 3 of 3 and JX300
I/P Bulb Dimming
G200 - 1 of 2
G402 - E52
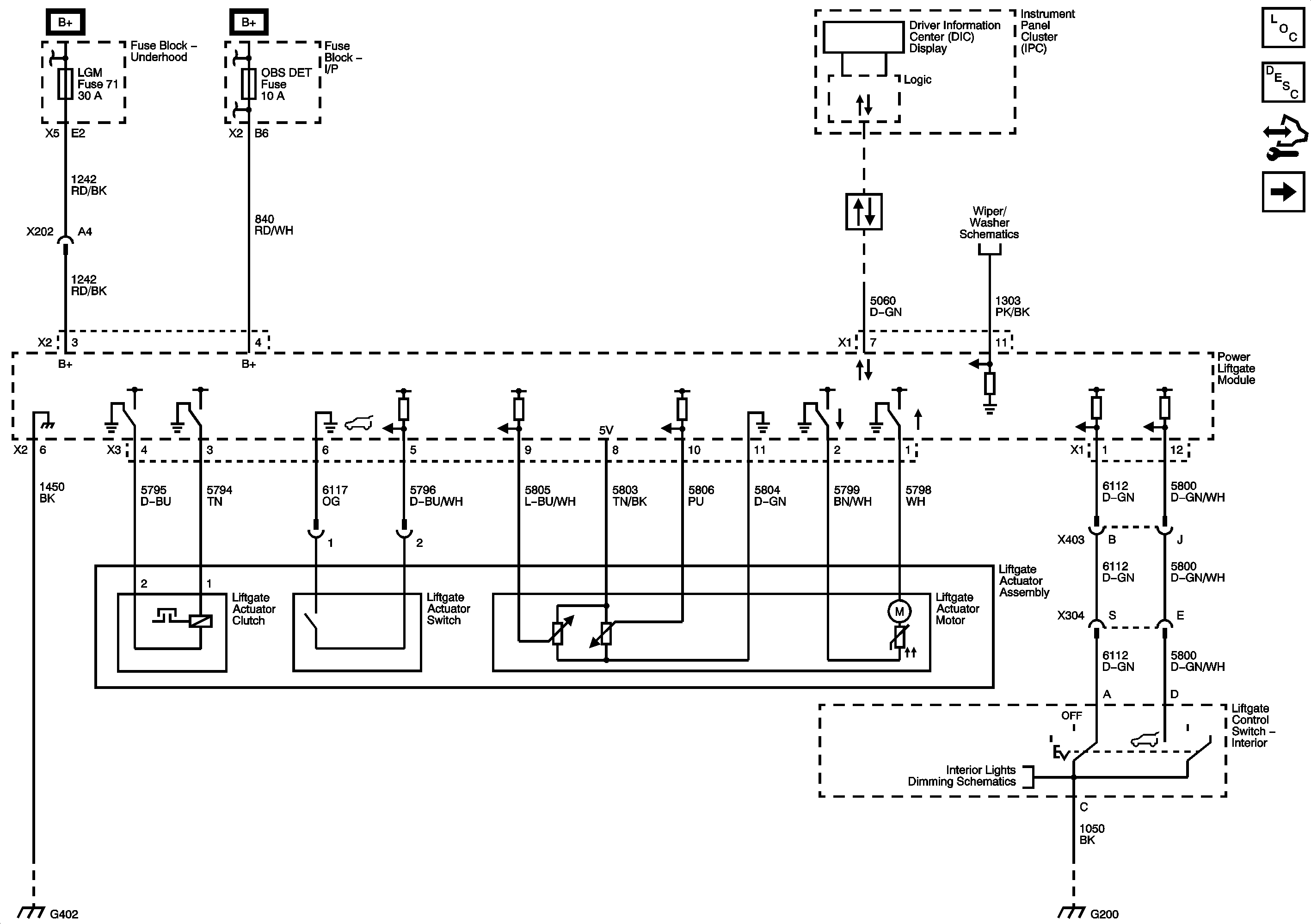
Figure
2:
Liftgate Motor Controls (E61)
Master Electrical Component List
Liftgate Description and Operation
Control Module References
Module Power, Ground, Serial Data, and Front Switch (E61)