GM Service Manual Online
For 1990-2009 cars only
Makes
🢒
Cadillac
🢒
2008
🢒
Escalade
🢒 Rear (E52)
Rear (E52)
Rear (E52)
Master Electrical Component List
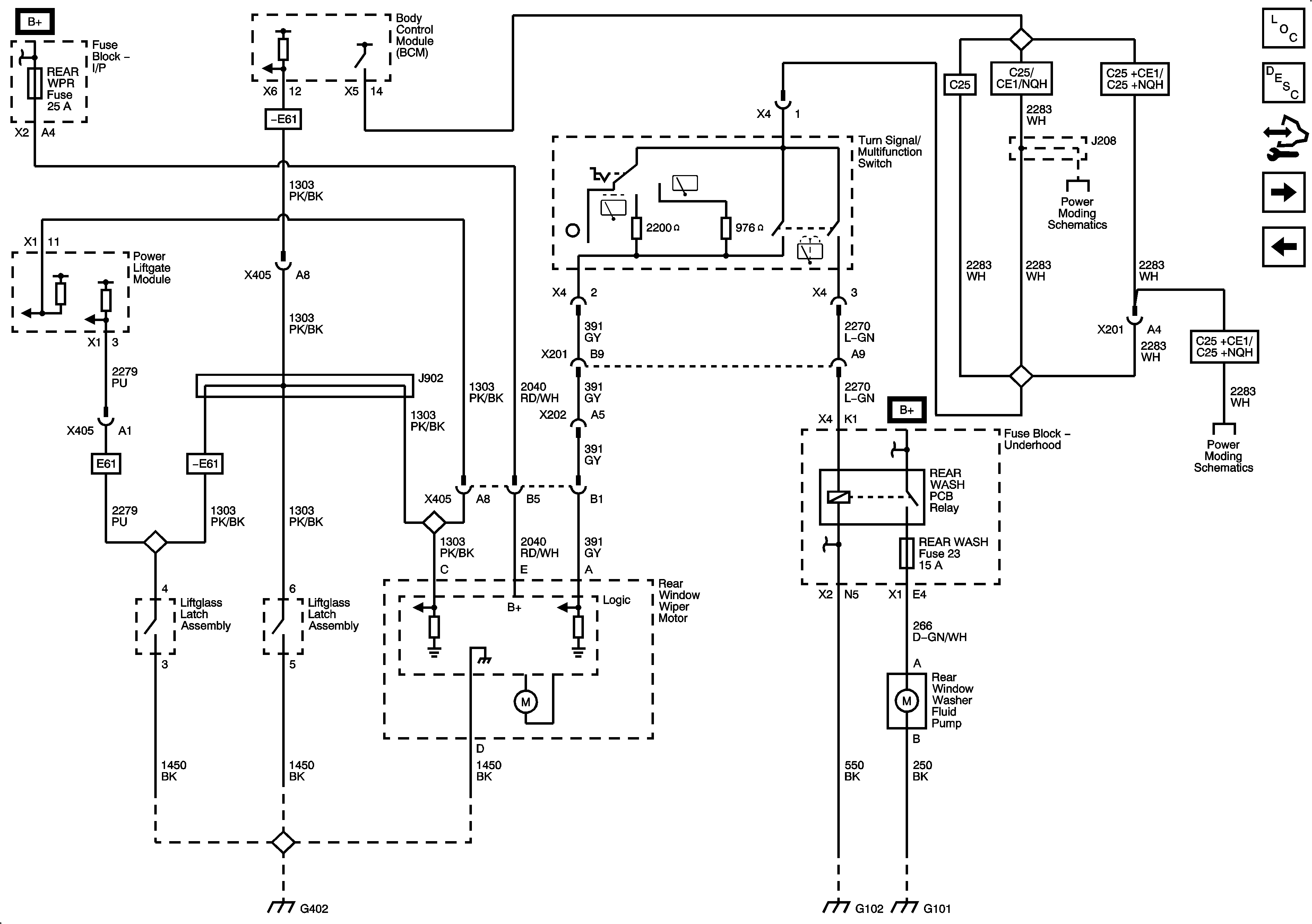
Rear Wiper/Washer System Description and Operation
Control Module References
Outside Moisture Sensor
Front
AUX PWR, AUX PWR 2, LBEC 2, PDM, and REAR WPR Fuses
G402 - E52
Ignition 1 Voltage
Ignition 1 Voltage
G102, G104, and G108
G101