GM Service Manual Online
For 1990-2009 cars only
Makes
🢒
Cadillac
🢒
2004
🢒
Escalade - 2WD
🢒
Suspension
🢒
Electronic Suspension Control (ESC)
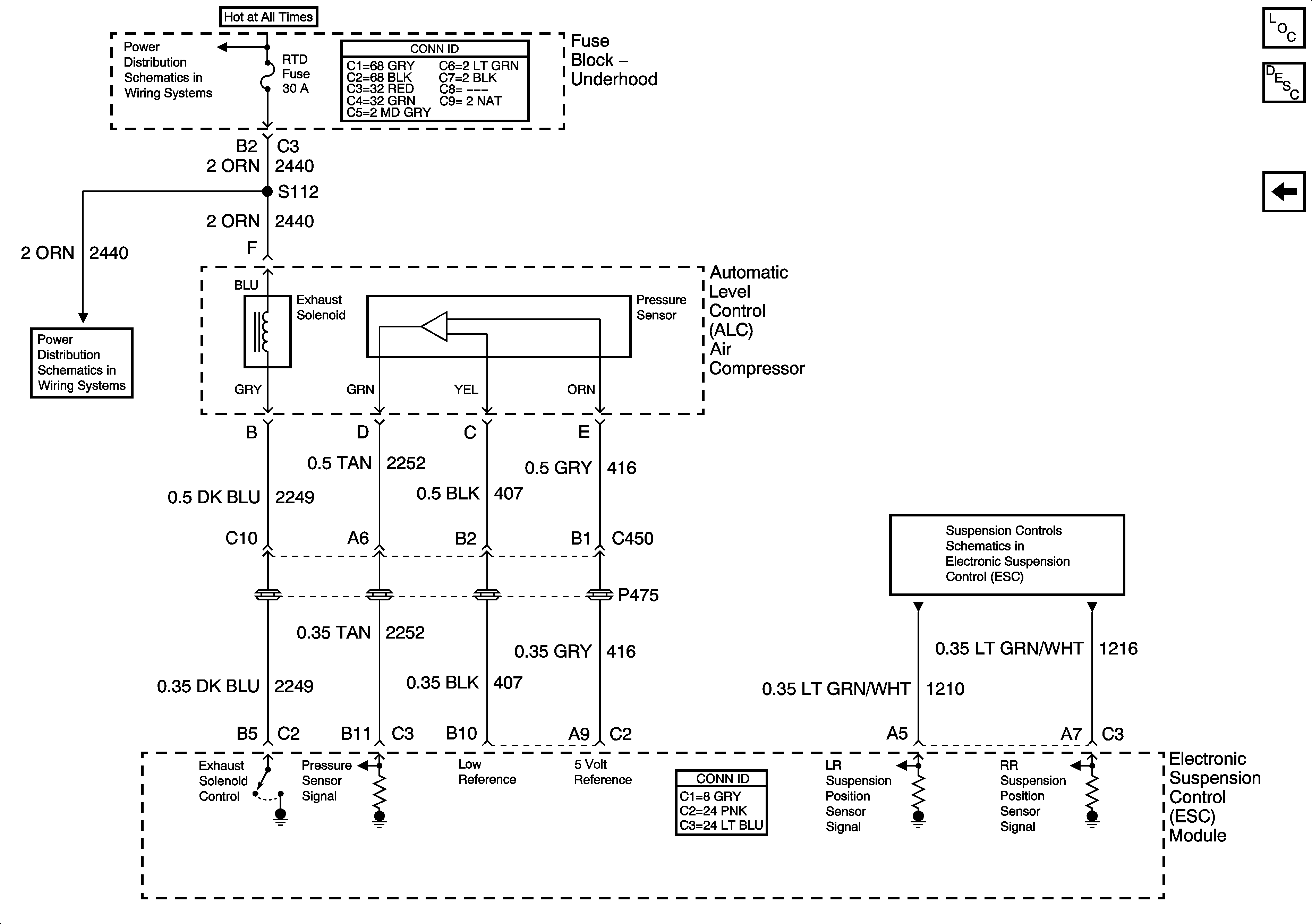
🢒 Automatic Level Control Schematics
Figure
1:
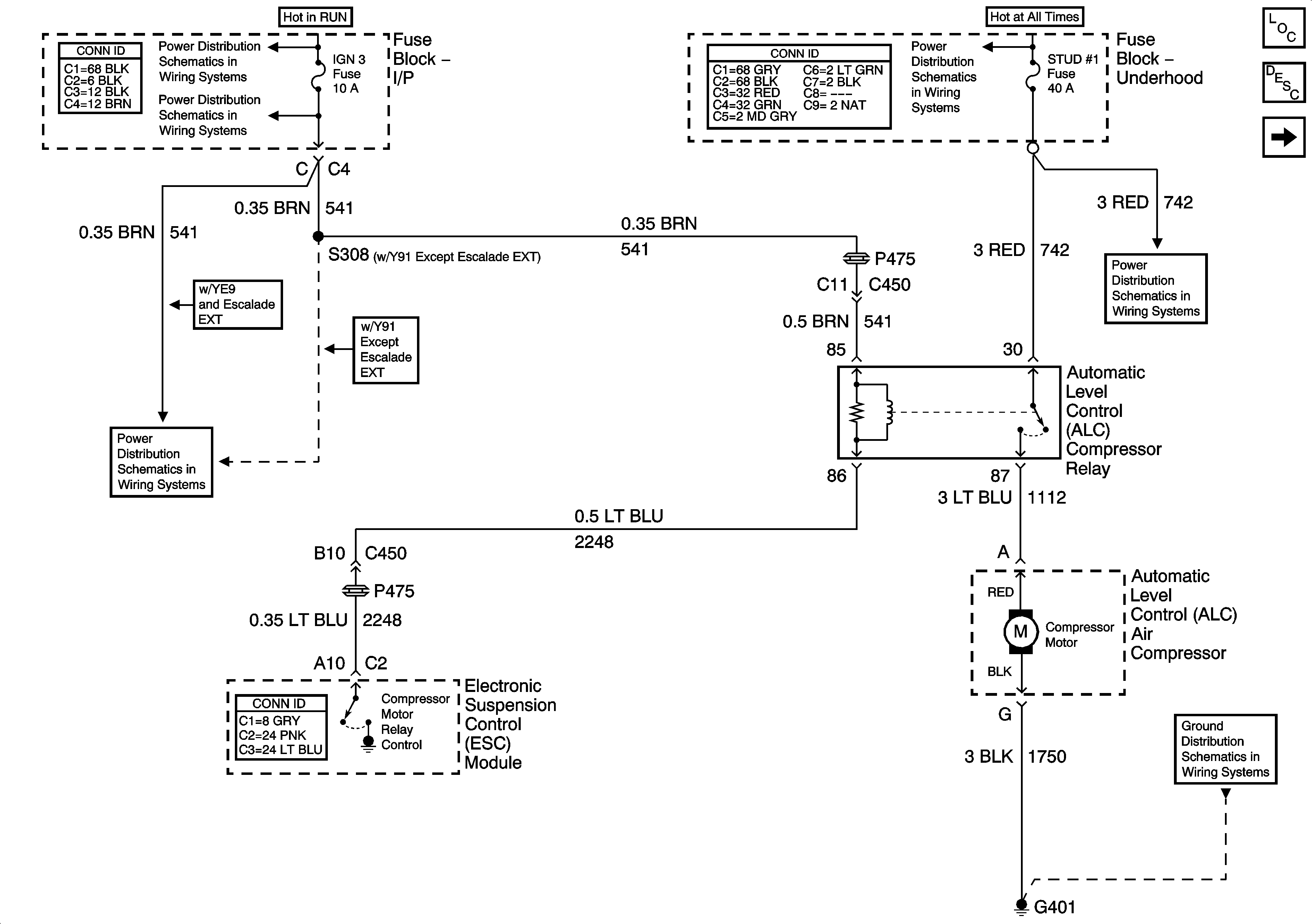
Compressor Motor Control
Master Electrical Component List
Automatic Level Control Description and Operation
Suspension Level Control
Ignition Switch - START, and RUN Bus Bars
IGN 3 Fuse - 1 of 2
IGN 3 Fuse - 1 of 2
B+ Bus - 1 of 2
ABS, VSES/ECAS, STUD #1, STUD #2, TBC BATT Fuses
G401, G402
Figure
2:
Suspension Level Control
Master Electrical Component List
Automatic Level Control Description and Operation
Compressor Motor Control
B+ Bus - 1 of 2
RTD, RR WPR, EAP, SUNROOF Fuses
Suspension Position Sensors