GM Service Manual Online
For 1990-2009 cars only
Makes
🢒
Cadillac
🢒
2004
🢒
Escalade - 2WD
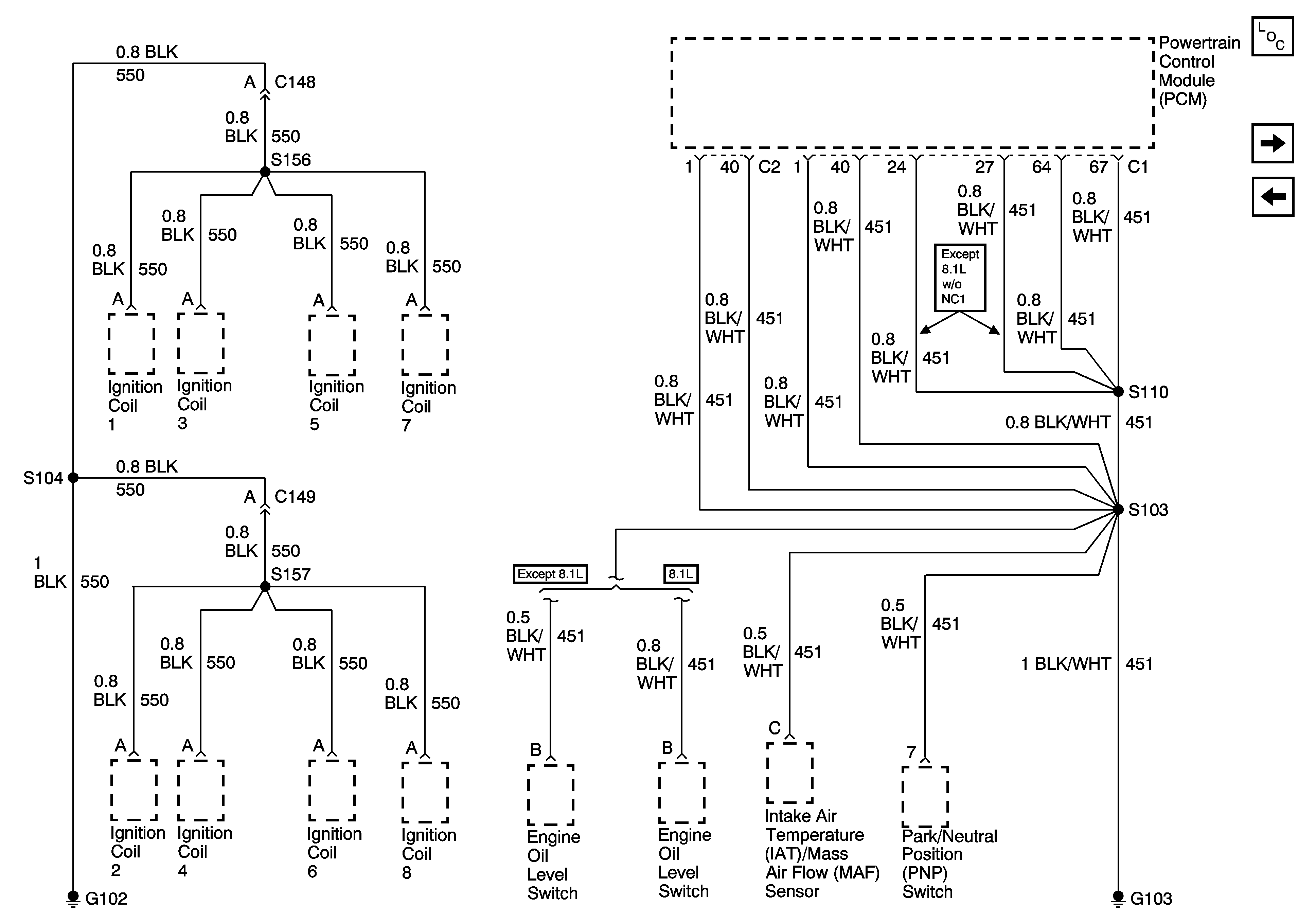
🢒 G102, G103
G102, G103
G102, G103
Master Electrical Component List
G104, G107
Battery Negative w/9L4