GM Service Manual Online
For 1990-2009 cars only
Makes
🢒
Cadillac
🢒
2004
🢒
Escalade - 2WD
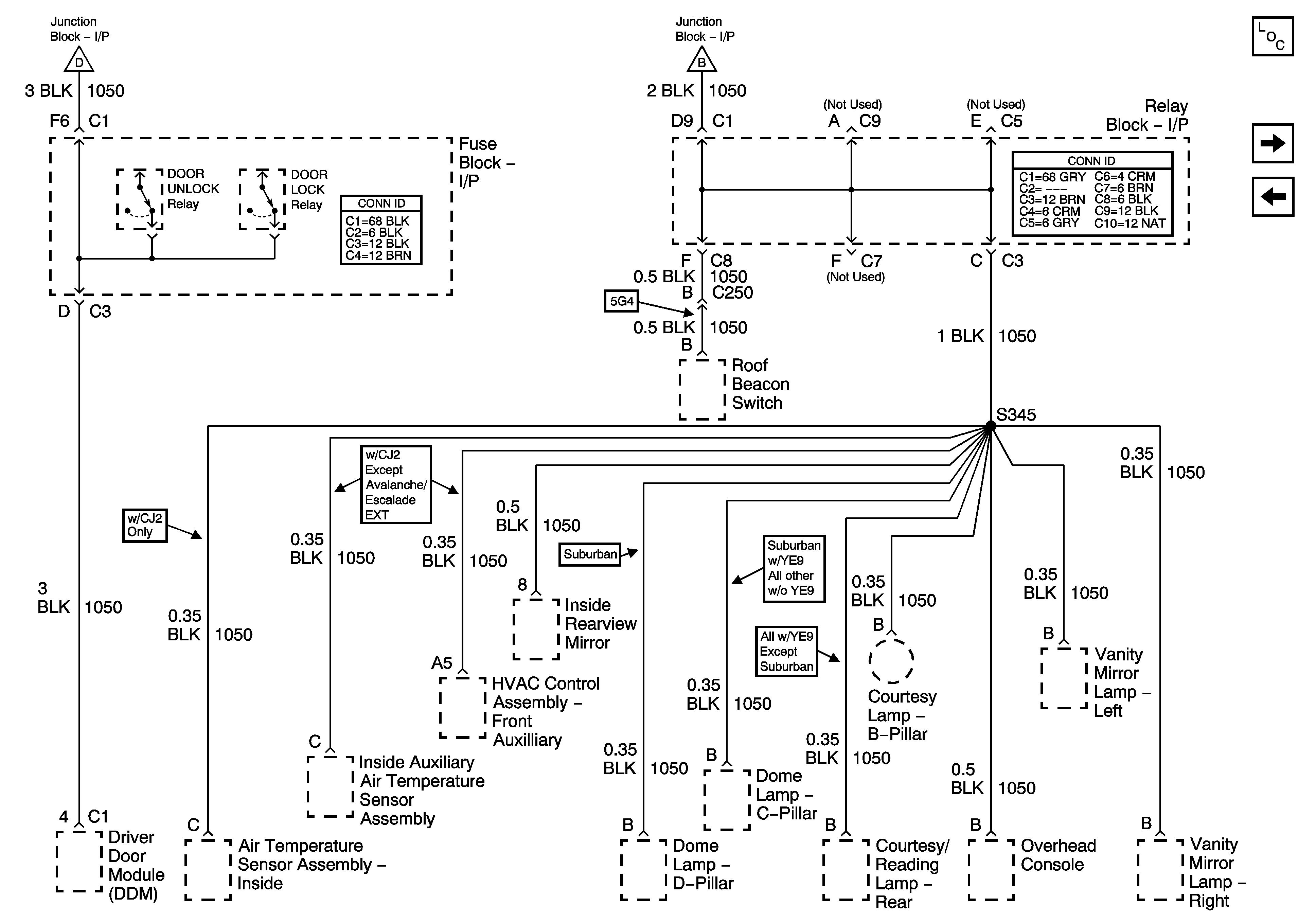
🢒 G200 - 3 of 3
G200 - 3 of 3
G200 - 3 of 3
Master Electrical Component List
G203 - 1 of 3
G200 - 2 of 3
G200 - 1 of 3
G200 - 1 of 3