GM Service Manual Online
For 1990-2009 cars only
Makes
🢒
Cadillac
🢒
2004
🢒
Escalade - 2WD
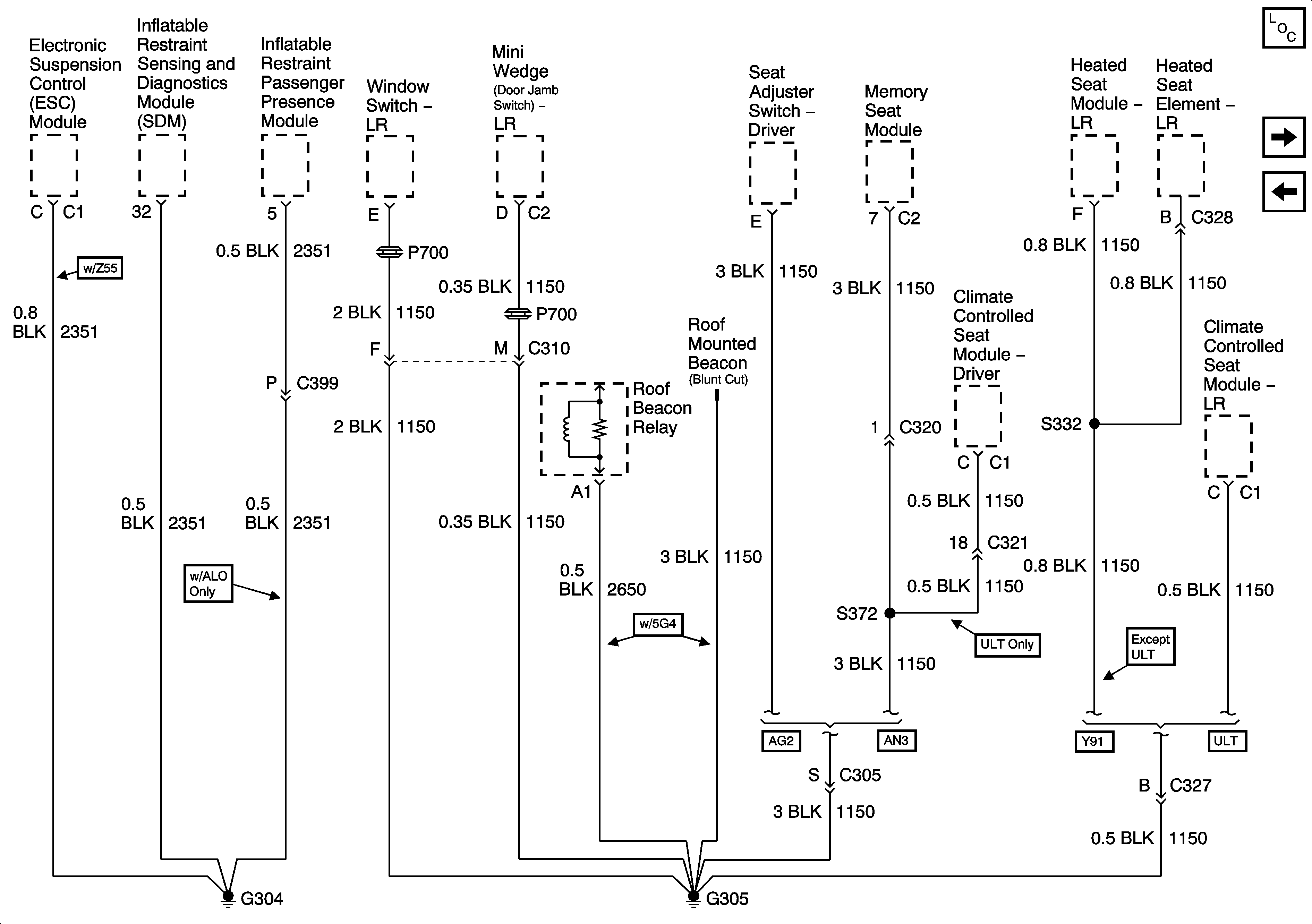
🢒 G304, G305
G304, G305
G304, G305
Master Electrical Component List
G306
G203 - 3 of 3