GM Service Manual Online
For 1990-2009 cars only
Makes
🢒
Cadillac
🢒
2004
🢒
Escalade - 2WD
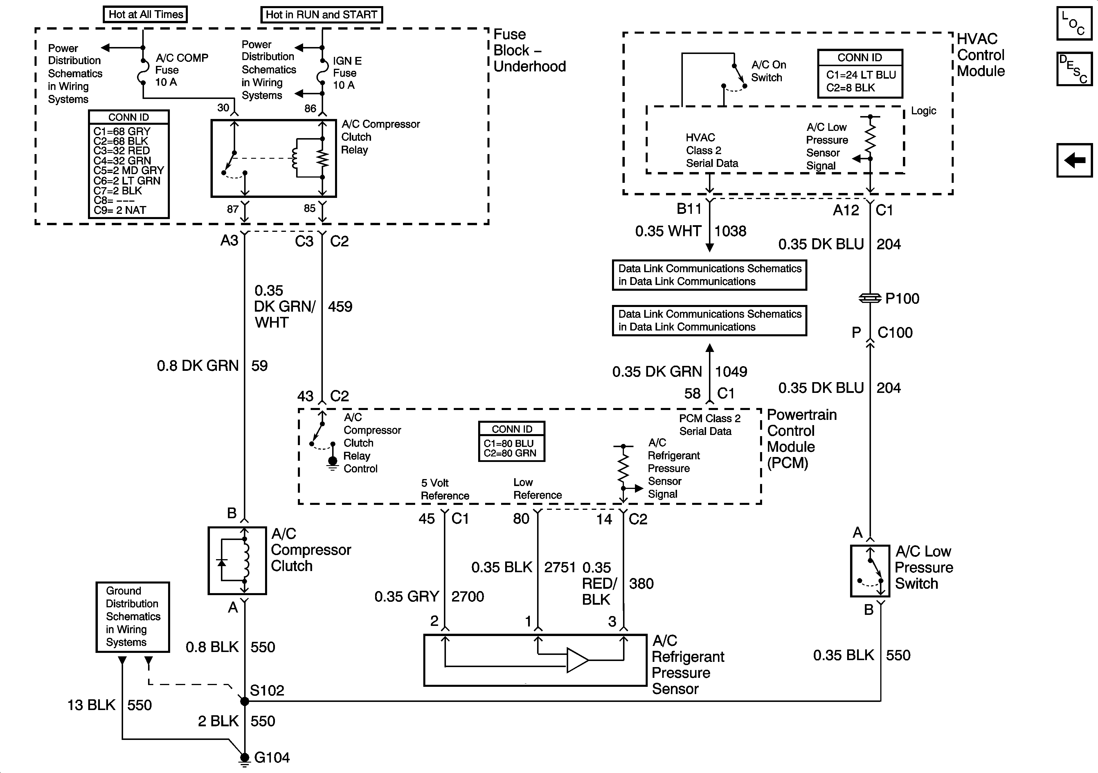
🢒 A/C Compressor Controls
A/C Compressor Controls
A/C Compressor Controls
Master Electrical Component List
Air Temperature Description and Operation
Auxiliary HVAC w/ A/C - 2 of 2
B+ Bus - 2 of 2
IGN E Fuse
G104, G107
SP205 - 1 of 2
SP205 - 2 of 2