GM Service Manual Online
For 1990-2009 cars only
Makes
🢒
Cadillac
🢒
2004
🢒
Escalade - 2WD
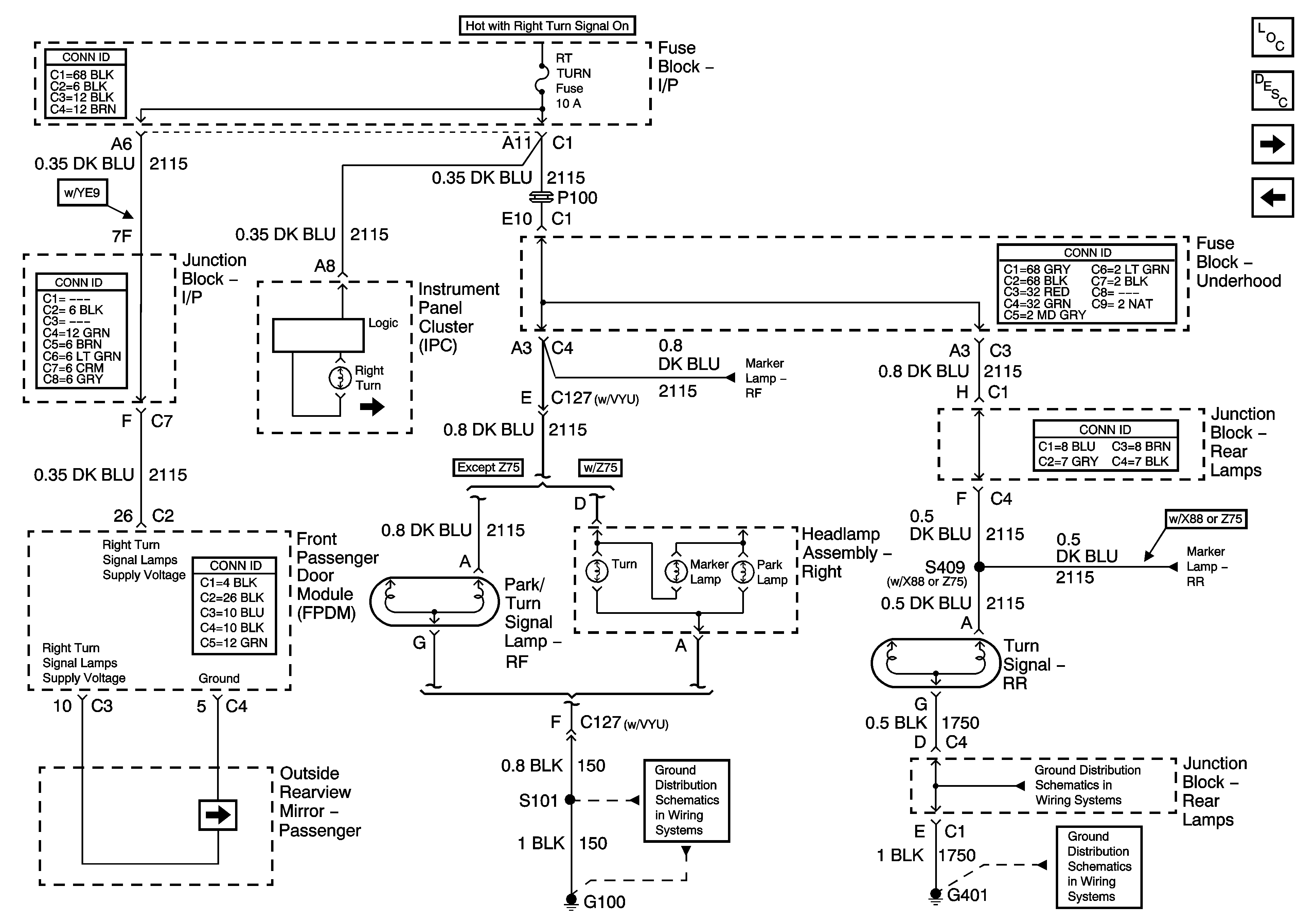
🢒 Right Turn Signals - Domestic
Right Turn Signals - Domestic
Right Turn Signals - Domestic
Master Electrical Component List
Exterior Lighting Systems Description and Operation
Right Turn Signals - Export
Left Turn Signals - Export
Right Rear Park Lamps
Right Rear Park Lamps
G100, G101, G105, G106
G401, G402
G401, G402