GM Service Manual Online
For 1990-2009 cars only
Makes
🢒
Cadillac
🢒
2004
🢒
Escalade - 2WD
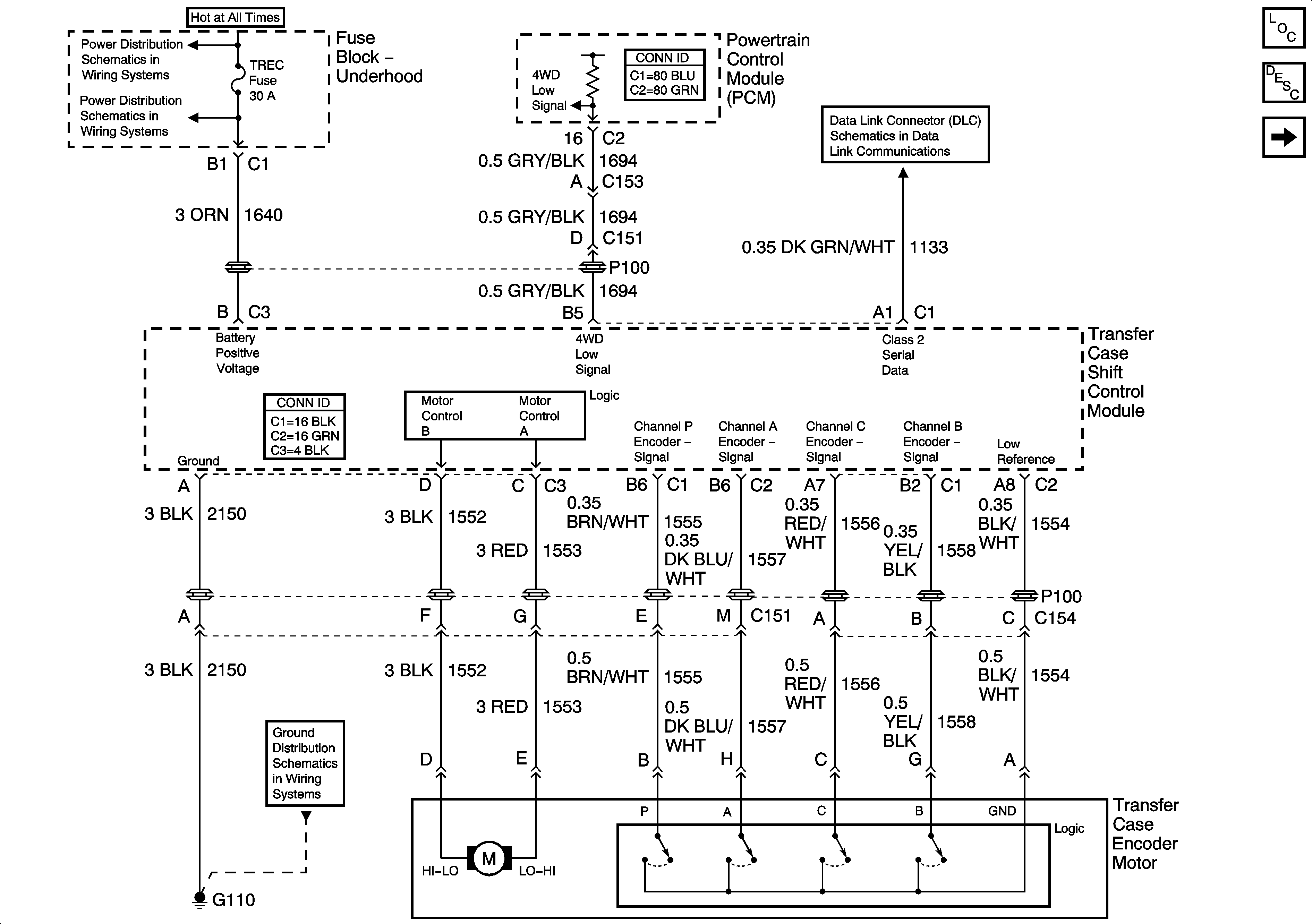
🢒 Power, Ground, Serial Data and Encoder Motor Control
Power, Ground, Serial Data and Encoder Motor Control
Power, Ground, Serial Data and Encoder Motor Control
Master Electrical Component List
Transfer Case Description and Operation
Switch
B+ Bus - 1 of 2
HVAC/ECAS, RR HVAC, BLOWER, RR DEFOG, STOP LP, TREC Fuses
SP205 - 1 of 2
G110