GM Service Manual Online
For 1990-2009 cars only
Makes
🢒
Cadillac
🢒
2004
🢒
Escalade - 2WD
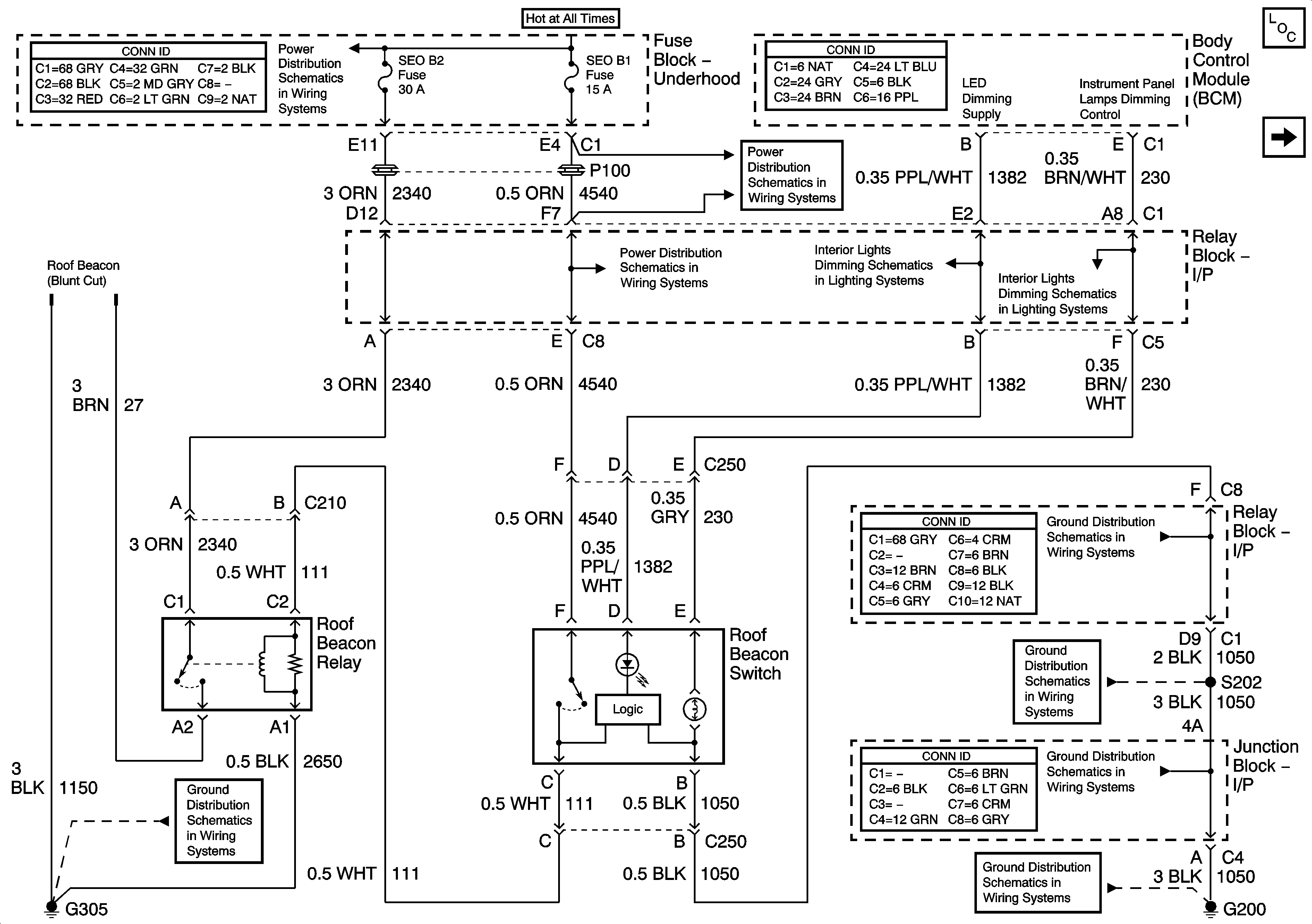
🢒 Roof Beacon Wiring
Roof Beacon Wiring
Roof Beacon Wiring
Master Electrical Component List