GM Service Manual Online
For 1990-2009 cars only

Radiator Outlet Hose Replacement Utility 8.1L Engine

Removal Procedure

  1. Drain the cooling system. Refer to.
  2. Remove the heater and surge tank hoses from the mounting clip.

  3. Object Number: 12777  Size: SH
  4. Squeeze the plastic retainer release tabs.

  5. Object Number: 12778  Size: SH
  6. Pull the connection apart.

  7. Object Number: 659059  Size: SH
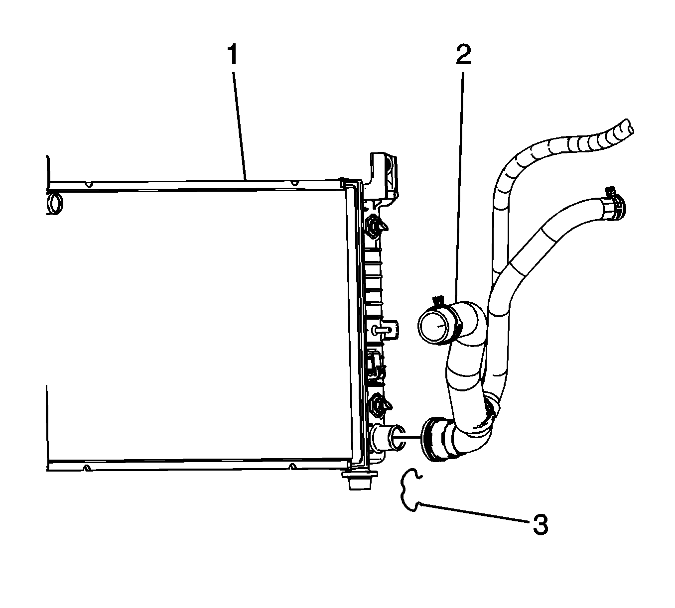
  8. Reposition the surge tank outlet hose clamp at the surge tank.
  9. Remove the surge tank outlet hose (2) from the surge tank.

  10. Object Number: 1275812  Size: SH
  11. Remove the radiator outlet hose from the radiator. Refer to .

  12. Object Number: 751427  Size: SH
  13. Reposition the outlet hose clamp the water pump.
  14. Remove the outlet hose from the water pump.

Installation Procedure


    Object Number: 751427  Size: SH
  1. Install the outlet hose to the water pump.
  2. Position the outlet hose clamp to the water pump.

  3. Object Number: 659059  Size: SH
  4. Install the surge tank outlet hose (2) from the surge tank.
  5. Position the surge tank outlet hose clamp to the surge tank.

  6. Object Number: 1275812  Size: SH
  7. Install the radiator outlet hose to the radiator. Refer to .

  8. Object Number: 21855  Size: SH
  9. Connect the heater and surge tank hoses to the heater core.
  10. Important: Firmly push the quick connect onto the heater core pipe until you hear an audible click.

  11. Pull the heater outlet hose to ensure the connection.
  12. Install the heater and surge tank hoses to the mounting clip.
  13. Fill the cooling system. Refer to.

Radiator Outlet Hose Replacement 4.8L, 5.3L, and 6.0L Engines

Removal Procedure


    Object Number: 307286  Size: SH
  1. Drain the cooling system. Refer to Cooling System Draining and Filling .
  2. Loosen the air cleaner outlet duct clamps at the following locations:
  3. • Throttle body
    • Mass air flow (MAF) /intake air temperature (IAT) sensor
  4. Remove the radiator inlet hose clip from the outlet duct.
  5. Remove the air cleaner outlet duct.

  6. Object Number: 659509  Size: SH
  7. Reposition the outlet hose clamp at the water pump.
  8. Remove the outlet hose from the water pump.

  9. Object Number: 1486075  Size: SH
  10. Reposition the outlet hose clamp at the radiator.
  11. Remove the outlet hose (6) from the radiator.

Installation Procedure


    Object Number: 1486075  Size: SH
  1. Install the outlet hose (6) to the radiator.
  2. Position the outlet hose clamp at the radiator.

  3. Object Number: 659509  Size: SH
  4. Install the outlet hose to the water pump.
  5. Position the outlet hose clamp at the water pump.

  6. Object Number: 307286  Size: SH

    Important: Align the arrow at the throttle body end of the duct with the throttle body attaching stud.

  7. Install the air cleaner outlet duct.
  8. Install the radiator inlet hose clip to the outlet duct.
  9. Tighten the air cleaner outlet duct clamps at the following locations:
  10. • Throttle body
    • MAF/IAT sensor

    Tighten
    Tighten the clamps to 4 N·m (35 lb in).

  11. Fill the cooling system. Refer to Cooling System Draining and Filling .