GM Service Manual Online
For 1990-2009 cars only
Figure 1:

Headamp/DRL Controls


Object Number: 1464241  Size: FS
Master Electrical Component List
Exterior Lighting Systems Description and Operation
Control Module References
Headlights - w/o Z75
G203 - 3 of 3
Park Lamp Relay - w/o VD1
Temperature Controls and Sunload Sensors
G203 - 3 of 3
G203 - 2 of 3
G203 - 1 of 3
G203 - 1 of 3
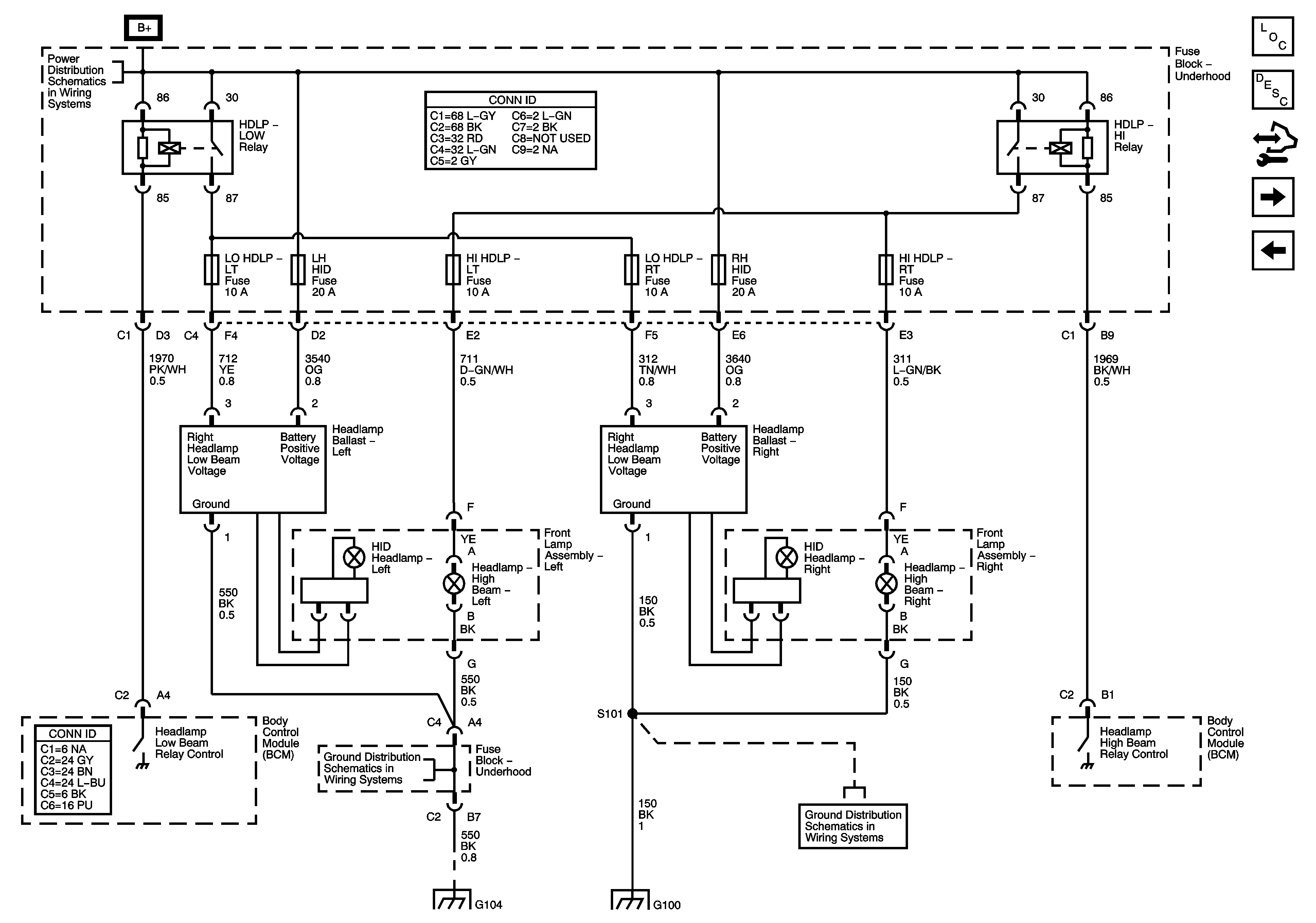
Figure 2:

Headlamp -- Except Z75


Object Number: 1464244  Size: FS
Master Electrical Component List
Exterior Lighting Systems Description and Operation
Control Module References
Headlights w/Z75
Headlights/DRL Controls
B+ Bus - 1 of 2
G100 and G105 - 1 of 4
G100 and G105 - 2 of 4
G104 and G107
G104 and G107
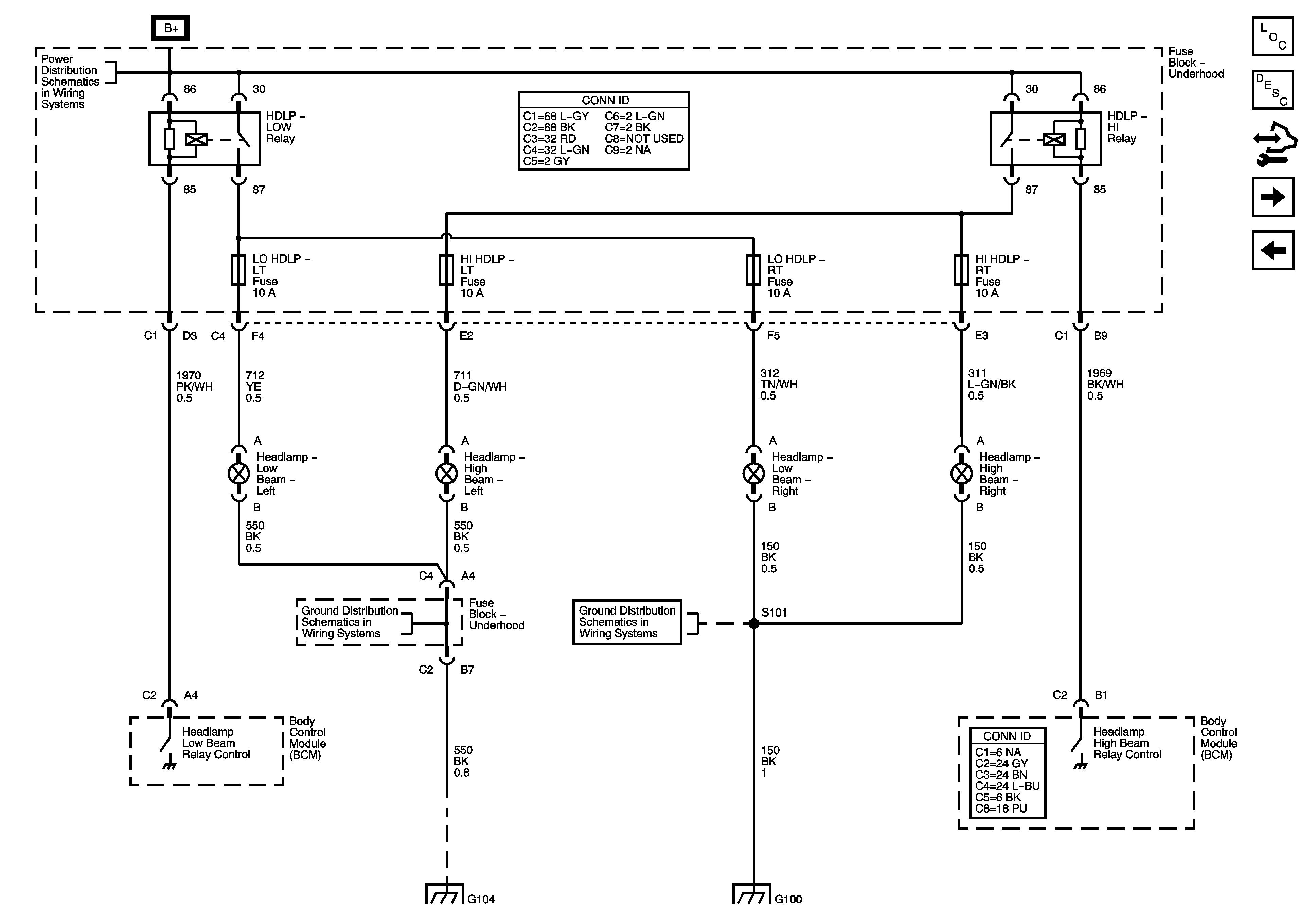
Figure 3:

Headlamps -- w/Z75


Object Number: 1464246  Size: FS
Master Electrical Component List
Exterior Lighting Systems Description and Operation
Control Module References
Daytime Running Lamps (DRL) - w/o VD1
Headlights - w/o Z75
B+ Bus - 1 of 2
G100 and G105 - 2 of 4
G100 and G105 - 1 of 4
G104 and G107
G104 and G107
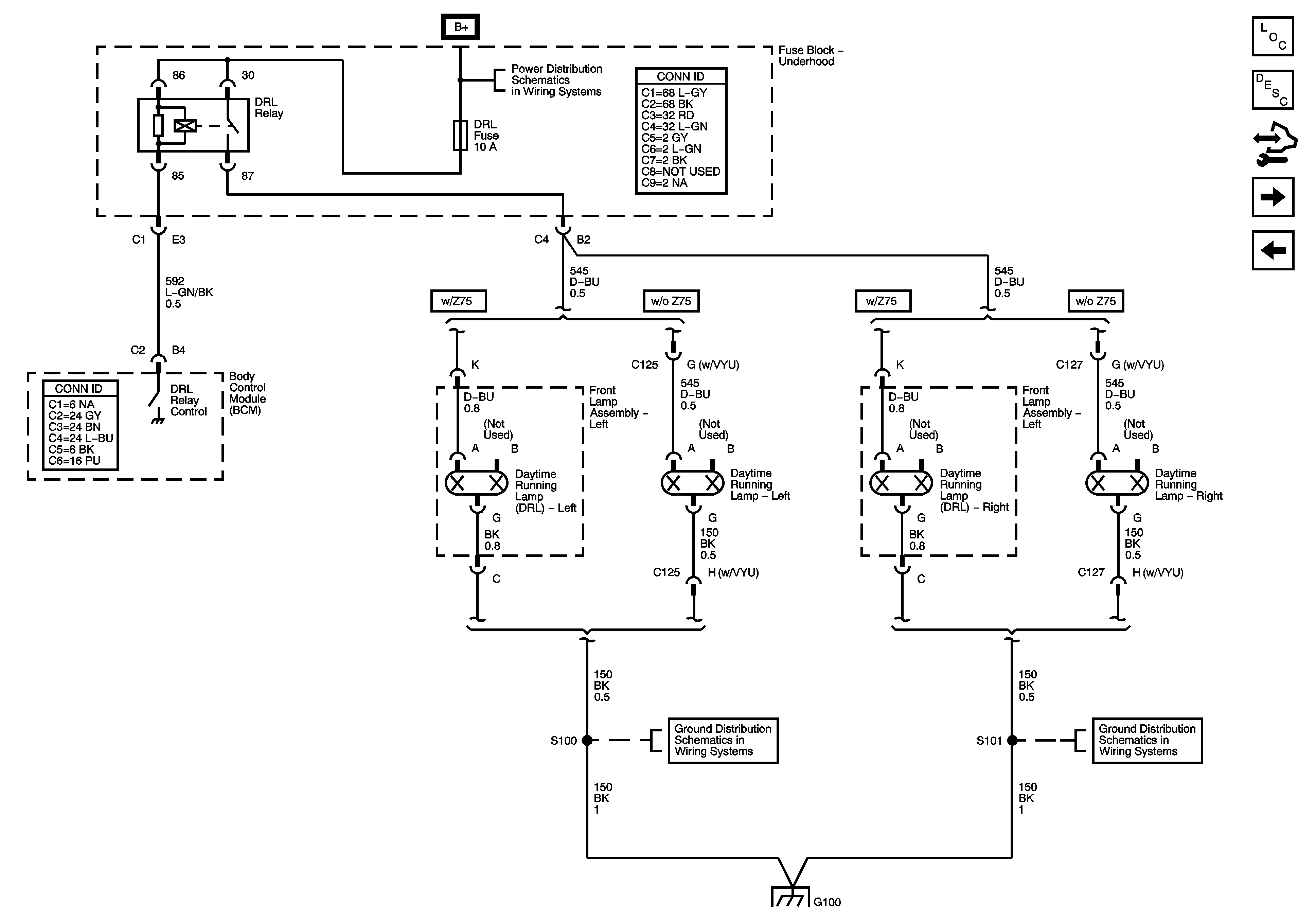
Figure 4:

Daytime Running Lamps (DRL) - Except VD1


Object Number: 1464248  Size: FS
Master Electrical Component List
Exterior Lighting Systems Description and Operation
Control Module References
Daytime Running Lamps (DRL) - w/VD1
Headlights w/Z75
B+ Bus - 1 of 2
G100 and G105 - 2 of 4
G100 and G105 - 1 of 4
G100 and G105 - 1 of 4
Figure 5:

Daytime Running Lamps (DRL) - w/VD1


Object Number: 1464250  Size: FS
Master Electrical Component List
Exterior Lighting Systems Description and Operation
Control Module References
Daytime Running Lamps (DRL) - w/o VD1
B+ Bus - 1 of 2
B+ Bus - 1 of 2
Front Park Lamps - VD1
Front Park Lamps - VD1
G100 and G105 - 4 of 4
G100 and G105 - 1 of 4
G100 and G105 - 3 of 4