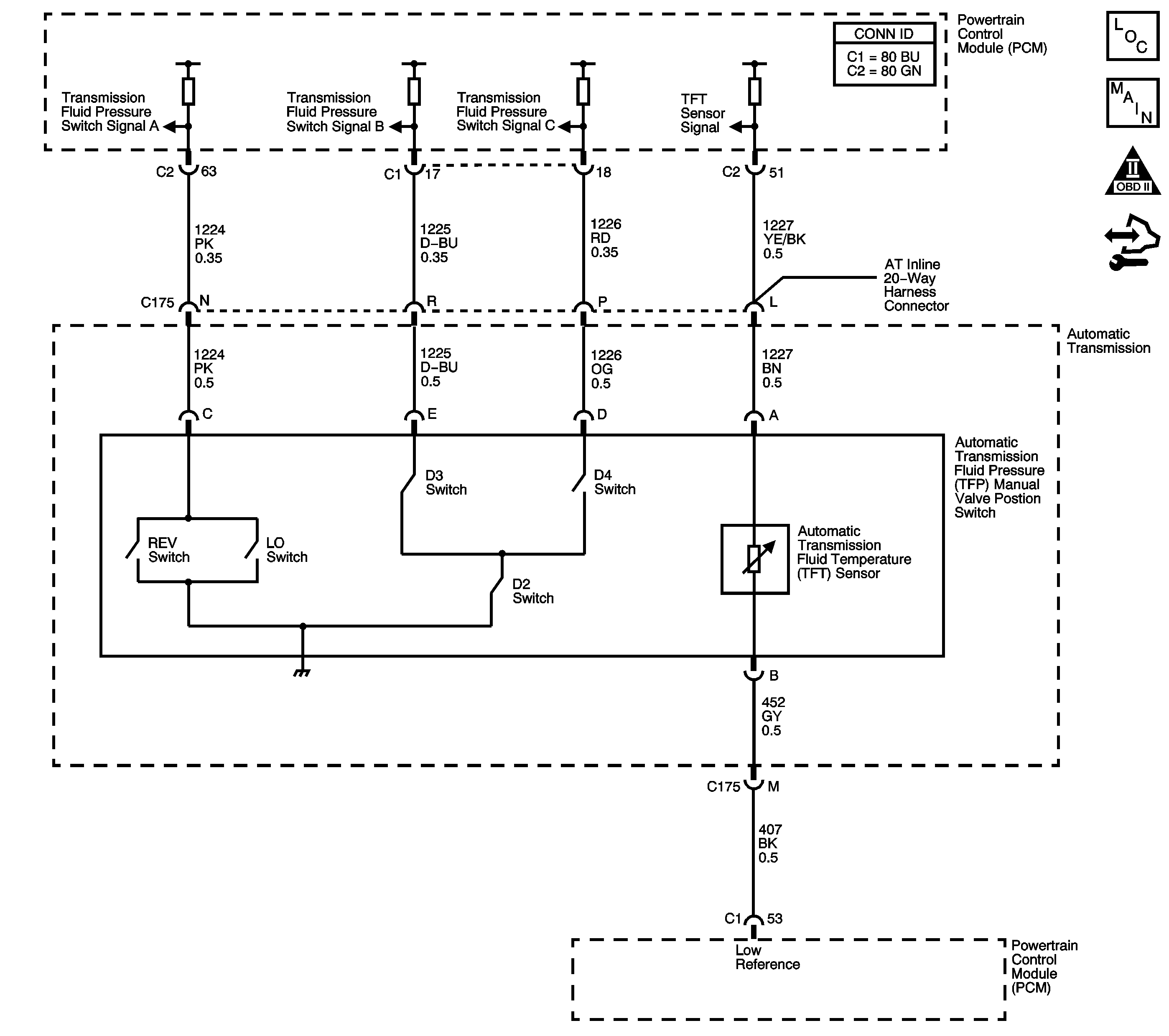
The automatic transmission fluid pressure (TFP) manual valve position switch consists of five pressure switches, two normally-closed and three normally-open, and a transmission fluid temperature (TFT) sensor combined into one unit. The combined unit mounts on the valve body. The powertrain control module (PCM) supplies ignition voltage for each range signal. By grounding one or more of these circuits through various combinations of the pressure switches, the PCM detects which manual valve position you select. The PCM compares the actual voltage combination of the switches to a TFP manual valve position switch combination chart stored in memory.
The TFP manual valve position switch cannot distinguish between PARK and NEUTRAL because the monitored valve body pressures are identical. With the engine OFF and the ignition switch in the ON position, the TFP manual valve position switch indicates PARK/NEUTRAL. Disconnecting the AT inline 20-way connector removes the ground potential for the three range signals to the PCM. In this case, with the engine OFF, and the ignition switch in the ON position, D2 will be indicated.
When the PCM detects an invalid state of the TFP manual valve position switch circuit by deciphering the TFP manual valve position switch inputs, then DTC P1810 sets. DTC P1810 is a type B DTC.
This diagnostic procedure supports the following DTC:
DTC P1810 Transmission Fluid Pressure (TFP) Position Switch Circuit
| • | No VSS DTCs P0502 or P0503. |
| • | The system voltage is 10-18 volts. |
| • | The engine speed is greater than 450 RPM for 5 seconds. |
| • | The engine is not in fuel cutoff. |
| • | The engine torque is 54-542 N·m (40-400 lb ft). |
| • | The engine vacuum is 0-105 kPa (0-15 psi). |
DTC P1810 sets if any of the following conditions occurs:
The PCM detects an invalid TFP manual valve position switch state for 60 seconds.
| • | The engine speed is less than 80 RPM for 0.1 second; |
| then the engine speed is 80-550 RPM for 0.07 second; |
| then the engine speed is greater than 550 RPM. |
| • | The vehicle speed is less than 3 km/h (2 mph). |
| • | The PCM detects a gear range of D2, D4 or REVERSE during an engine start. |
| • | All conditions met for 5 seconds. |
| • | The TP angle is 10-50 percent. |
| • | The PCM commands fourth gear. |
| • | The TCC is locked ON. |
| • | The speed ratio is 0.6-0.75, speed ratio is engine speed divided by transmission output speed. |
| • | The PCM detects a gear range of PARK or NEUTRAL when the vehicle is operating in D4. |
| • | All conditions met for 10 seconds. |
| • | The PCM illuminates the malfunction indicator lamp (MIL) during the second consecutive trip in which the Conditions for Setting the DTC are met. |
| • | The PCM commands D2 line pressure. |
| • | The PCM commands a D4 shift pattern. |
| • | The PCM freezes shift adapts from being updated. |
| • | The PCM records the operating conditions when the Conditions for Setting the DTC are met. The PCM stores this information as Freeze Frame and Failure Records. |
| • | The PCM stores DTC P1810 in PCM history during the second consecutive trip in which the Conditions for Setting the DTC are met. |
| • | The PCM turns OFF the MIL during the third consecutive trip in which the diagnostic test runs and passes. |
| • | A scan tool can clear the MIL/DTC. |
| • | The PCM clears the DTC from PCM history if the vehicle completes 40 warm-up cycles without an emission-related diagnostic fault occurring. |
| • | The PCM cancels the DTC default actions when the fault no longer exists and/or the ignition switch is OFF long enough in order to power down the PCM. |
| • | Refer to the Transmission Fluid Pressure Manual Valve Position Switch Logic table for the normal range signals and the invalid combinations. On the table, LOW is 0 volts, HI is ignition voltage. |
| • | Sediment in the valve body may cause improper operation of the TFP manual valve position switch. If sediment intrusion is suspected, clean the valve body and replace the TFP manual valve position switch. |
The numbers below refer to the step numbers on the diagnostic table.
This step compares the indicated range signal to the selected manual valve position.
This step tests for correct voltage from the PCM to the AT inline 20-way connector.
Step | Action | Values | Yes | No | ||||||||
|---|---|---|---|---|---|---|---|---|---|---|---|---|
1 | Did you perform the Diagnostic System Check - Vehicle? | -- | Go to Step 2 | Go to Diagnostic System Check - Vehicle in Vehicle DTC Information | ||||||||
2 | Inspect for correct transmission fluid level. Refer to Transmission Fluid Check . Did you perform the fluid checking procedure? | -- | Go to Step 3 | Go to Transmission Fluid Check | ||||||||
Important: Before clearing the DTC, use the scan tool in order to record the Freeze Frame and Failure Records. Using the Clear Info function erases the Freeze Frame and Failure Records from the PCM. Does each selected transmission range match the scan tool TFP Sw. display? | -- | Go to Testing for Intermittent Conditions and Poor Connections in Wiring Systems | Go to Step 4 | |||||||||
4 |
Does the scan tool TFP Sw. A/B/C parameter indicate HI for all range signal states? | -- | Go to Step 5 | Go to Step 9 | ||||||||
Refer to Automatic Transmission Inline 20-Way Connector End View . Does the voltage measure within the specified range at all three terminals? | 10-12 V | Go to Step 6 | Go to Step 10 | |||||||||
6 | Connect a fused jumper wire from the J 44152 , signal circuit A, to ground while monitoring the scan tool TFP Sw. A/B/C parameter. When signal circuit A is grounded, do any other signal circuits indicate LOW? | -- | Go to Step 11 | Go to Step 7 | ||||||||
7 | Connect a fused jumper wire from the J 44152 , signal circuit B, to ground while monitoring the scan tool TFP Sw. A/B/C parameter. When signal circuit B is grounded, do any other signal circuits indicate LOW? | -- | Go to Step 11 | Go to Step 8 | ||||||||
8 | Connect a fused jumper wire from the J 44152 , signal circuit C, to ground while monitoring the scan tool TFP Sw. A/B/C parameter. When signal circuit C is grounded, do any other signal circuits indicate LOW? | -- | Go to Step 11 | Go to Step 12 | ||||||||
9 | Test the signal circuits of the TFP manual valve position switch that did not indicate HI for a short to ground between the PCM and the AT inline 20-way connector. Refer to Testing for Short to Ground and Wiring Repairs in Wiring Systems. Did you find and correct the condition? | -- | Go to Step 16 | Go to Step 15 | ||||||||
10 | Test the signal circuits of the TFP manual valve position switch that did not indicate ignition voltage for an open between the PCM and the AT inline 20-way connector. Refer to Testing for Continuity and Wiring Repairs in Wiring Systems. Did you find and correct the condition? | -- | Go to Step 16 | Go to Step 15 | ||||||||
11 | Test the affected signal circuits of the TFP manual valve position switch for a shorted together condition between the PCM and the AT inline 20-way connector. Refer to Circuit Testing and Wiring Repairs in Wiring Systems. Did you find and correct the condition? | -- | Go to Step 16 | Go to Step 15 | ||||||||
12 | Test the signal circuits of the TFP manual valve position switch for an open or shorted condition between the TFP manual valve position switch and the AT inline 20-way connector. Refer to Circuit Testing and Wiring Repairs in Wiring Systems. Did you find a condition? | -- | Go to Step 13 | Go to Step 14 | ||||||||
13 | Replace the AT wiring harness. Refer to Valve Body and Pressure Switch Replacement . Did you complete the replacement? | -- | Go to Step 16 | -- | ||||||||
14 | Replace the TFP manual valve position switch. Refer to Valve Body and Pressure Switch Replacement . Did you complete the replacement? | -- | Go to Step 16 | -- | ||||||||
15 | Replace the PCM. Refer to Control Module References in Computer/Integrating Systems for replacement, setup and programming. Did you complete the replacement? | -- | Go to Step 16 | -- | ||||||||
16 | Perform the following procedure in order to verify the repair:
Has the test run and passed? | -- | Go to Step 17 | Go to Step 2 | ||||||||
17 | With the scan tool, observe the stored information, capture info, and DTC Info. Does the scan tool display any DTCs that you have not diagnosed? | -- | Go to Diagnostic Trouble Code (DTC) List - Vehicle in Vehicle DTC Information | System OK |