GM Service Manual Online
For 1990-2009 cars only
Makes
🢒
Cadillac
🢒
2005
🢒
Escalade - 2WD
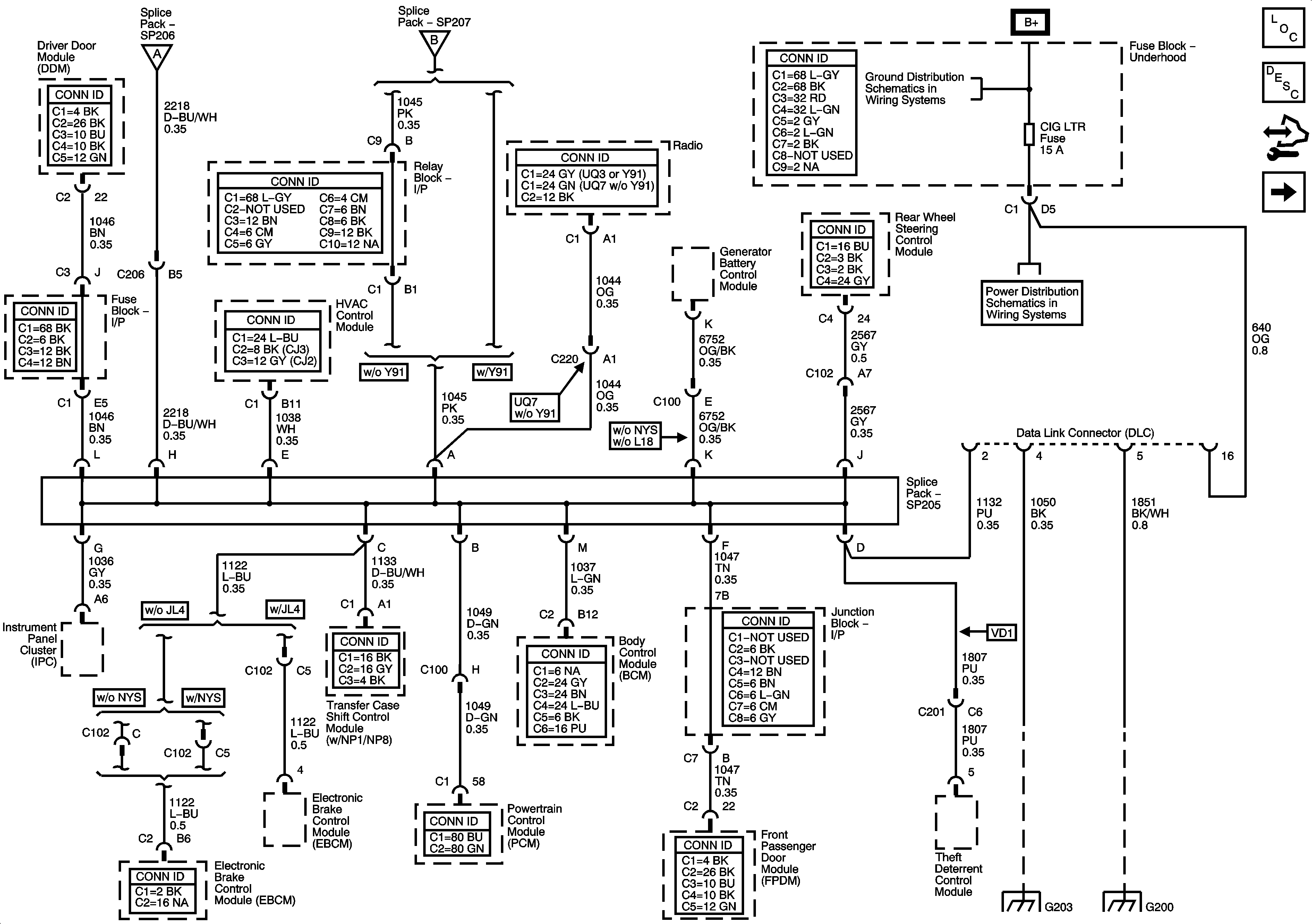
🢒 Power, Ground, DLC, and Splice Pack SP205
Power, Ground, DLC, and Splice Pack SP205
Power, Ground, DLC, and Splice Pack SP205
Master Electrical Component List
Data Link Communications Description and Operation
Control Module References
Splice Pack SP206
Splice Pack SP206
Splice Pack SP207
CIG LTR, EAP, and INFO Fuses
CIG LTR, EAP, and INFO Fuses
G200 - 1 of 3
G203 - 1 of 3