GM Service Manual Online
For 1990-2009 cars only
Makes
🢒
Cadillac
🢒
2006
🢒
Escalade - 2WD
🢒
Transmission/Transaxle
🢒
Automatic Transmission - 4L80-E/4L85-E
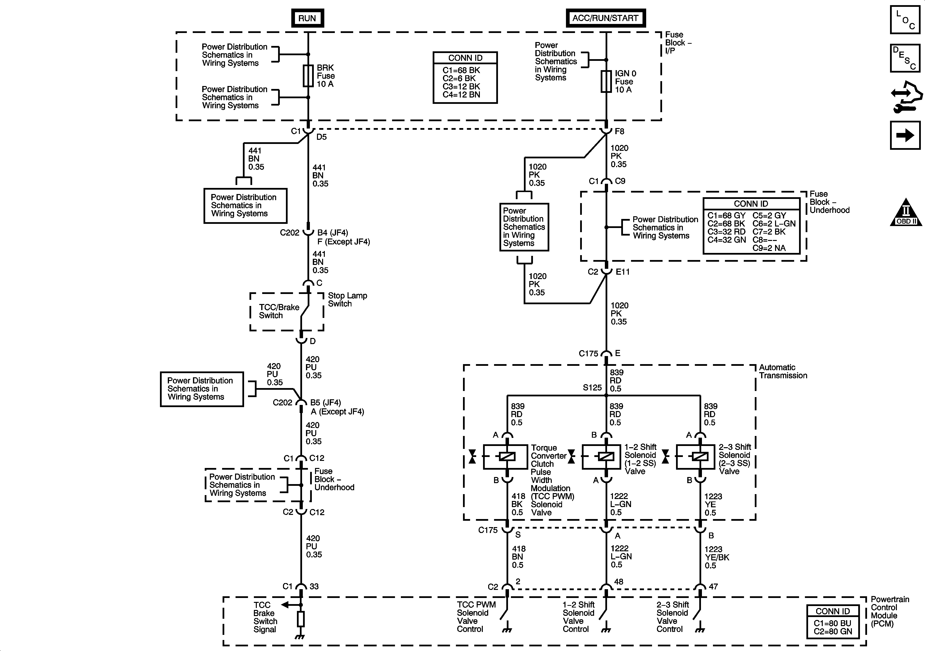
🢒 Automatic Transmission Controls Schematics
Figure
1:
Shift Controls and Stop Lamp Switch
Master Electrical Component List
Electronic Component Description
Control Module References
Pressure Controls, Temperature, and VSS
Automatic Transmission Schematic Icons
Figure
2:
Pressure Controls, Temperature, and VSS
Master Electrical Component List
Electronic Component Description
Control Module References
PNP Switch, 4WD Signal, Tow/Haul, Serial Data, and Indicator
Shift Controls and Stop Lamp Switch
Automatic Transmission Schematic Icons
Automatic Transmission Schematic Icons
Automatic Transmission Schematic Icons
Figure
3:
PNP Switch, 4WD Signal, Tow/Haul, Serial Data, and Indicator
Master Electrical Component List
Electronic Component Description
Control Module References
Pressure Controls, Temperature, and VSS
Automatic Transmission Schematic Icons
G203 3 of 3
Power, Ground, DLC and Splice Pack SP205
G102 and G103