GM Service Manual Online
For 1990-2009 cars only
Makes
🢒
Cadillac
🢒
2006
🢒
Escalade - 2WD
🢒 Window Motors - Coupe
Window Motors - Coupe
Window Motors - Coupe
Master Electrical Component List
Power Windows Description and Operation
Control Module References
Sedan
Front Window Motors - Convertible
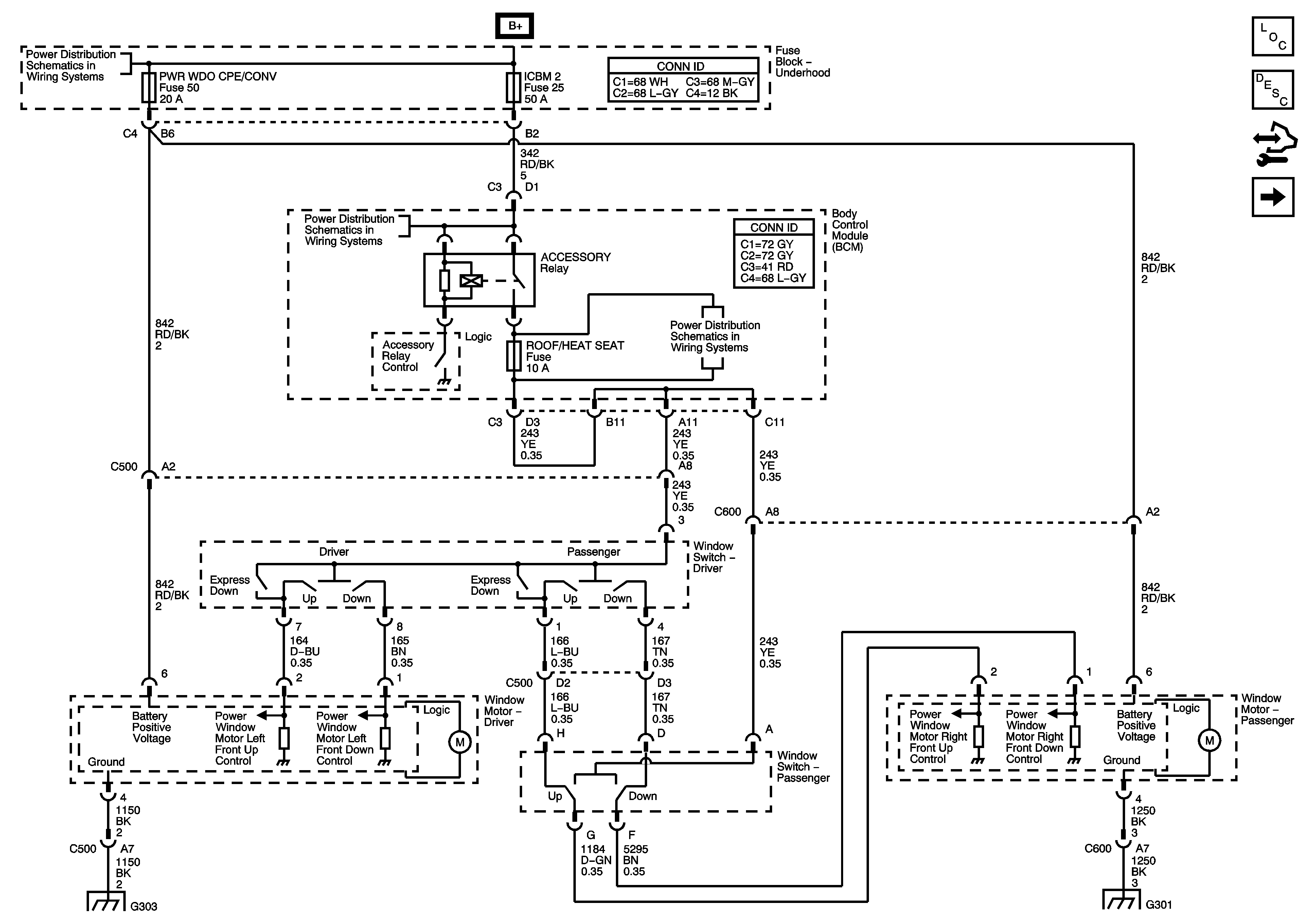
Underhood Fuse Block - B+
Underhood Fuse Block IBCM 2, Body Control Module (BCM) ACCESSORY Relay, DOOR LOCK, POWER WINDOWS, ROOF/HEAT SEAT and WPR SW Fuses
Underhood Fuse Block IBCM 2, Body Control Module (BCM) ACCESSORY Relay, DOOR LOCK, POWER WINDOWS, ROOF/HEAT SEAT and WPR SW Fuses
G303
G301