GM Service Manual Online
For 1990-2009 cars only
Makes
🢒
Cadillac
🢒
2006
🢒
Escalade - 2WD
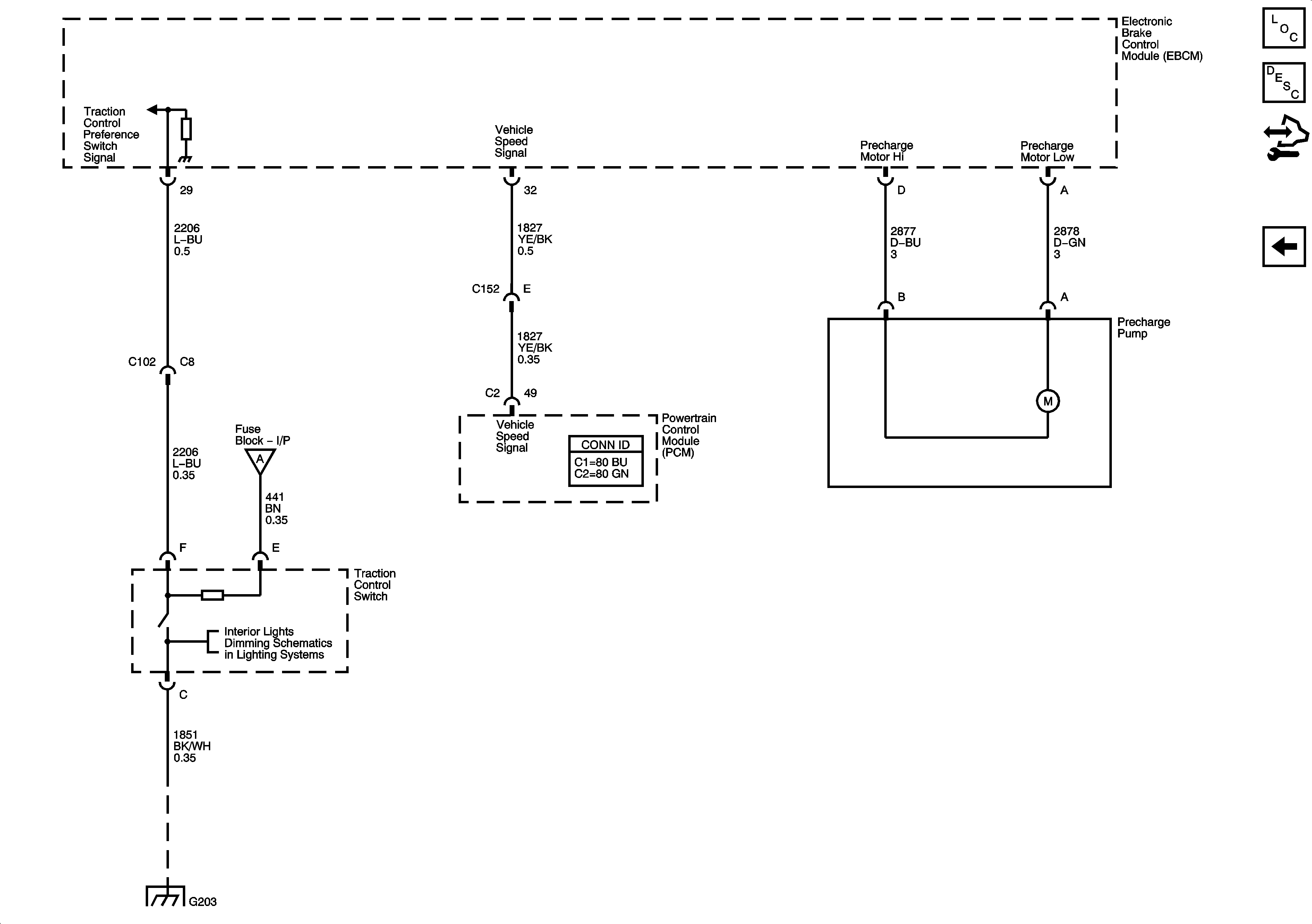
🢒 Traction Control Switch and Precharge Pump - w/ JL4
Traction Control Switch and Precharge Pump - w/ JL4
Traction Control Switch and Precharge Pump - wJL4
Master Electrical Component List
ABS Description and Operation (W/JL4)
Control Module References
Steering Wheel Speed/Position Sensor Inputs - w/ JL4
Power, Ground, Serial Data, and Stop Lamp Switch - w/ JL4
I/P Dimming Supply Voltage - 4 of 8
G203 1 of 3