GM Service Manual Online
For 1990-2009 cars only
Makes
🢒
Cadillac
🢒
2006
🢒
Escalade - 2WD
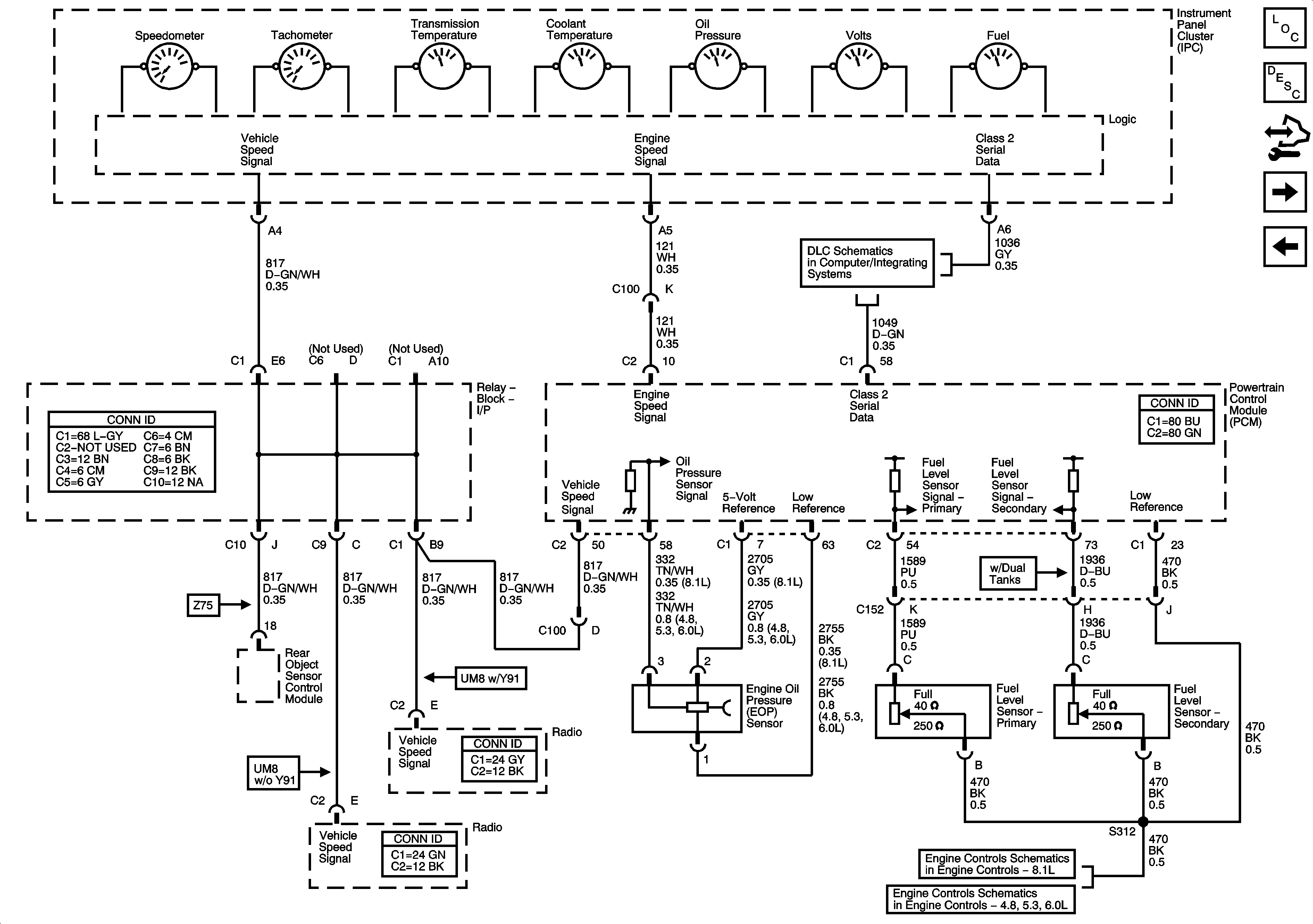
🢒 Gages
Gages
Gages
Master Electrical Component List
Instrument Cluster Description and Operation
Control Module References
Driver Information Center
Indicators
Power, Ground, DLC and Splice Pack SP205
Engine Data Sensors - 5-Volt and Low Reference
Engine Data Sensors - 5-Volt and Low Reference