GM Service Manual Online
For 1990-2009 cars only
Makes
🢒
Cadillac
🢒
2006
🢒
Escalade - 2WD
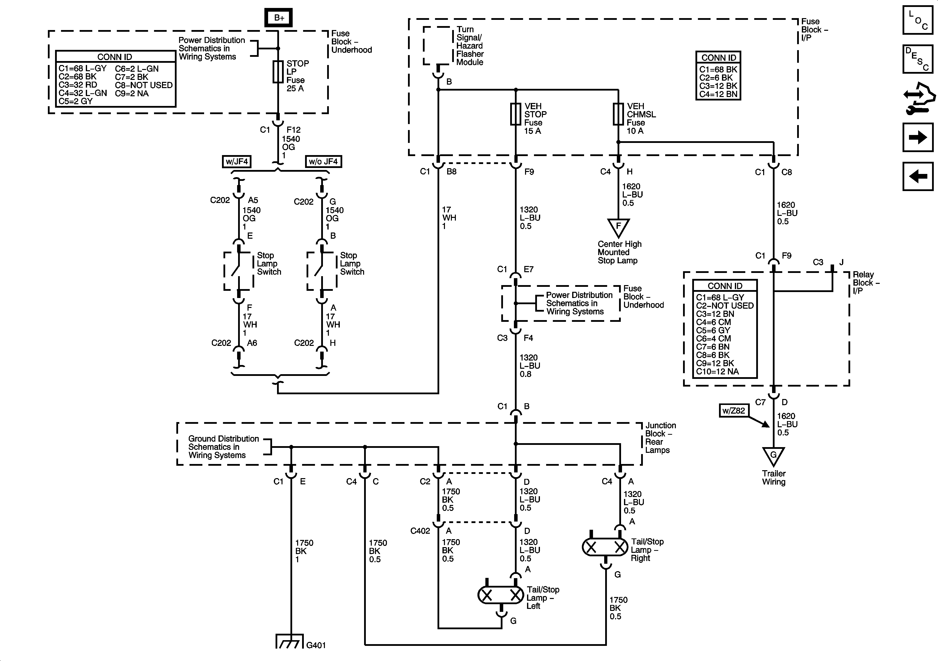
🢒 Stop Lamps - 1 of 2
Stop Lamps - 1 of 2
Stop Lamps 1 of 2
Master Electrical Component List
Exterior Lighting Systems Description and Operation
Control Module References
Stop Lamps - 2 of 2
Rear Park Lamps - w/ Z75
B+ Bus - 1 of 2
Stop Lamps - 2 of 2
RR WPR, STOP LP, TREC, VEH CHMSL, VEH STOP, and 4WS Fuses
Trailer Wiring
G401 and G402