GM Service Manual Online
For 1990-2009 cars only
Makes
🢒
Cadillac
🢒
2006
🢒
Escalade - 2WD
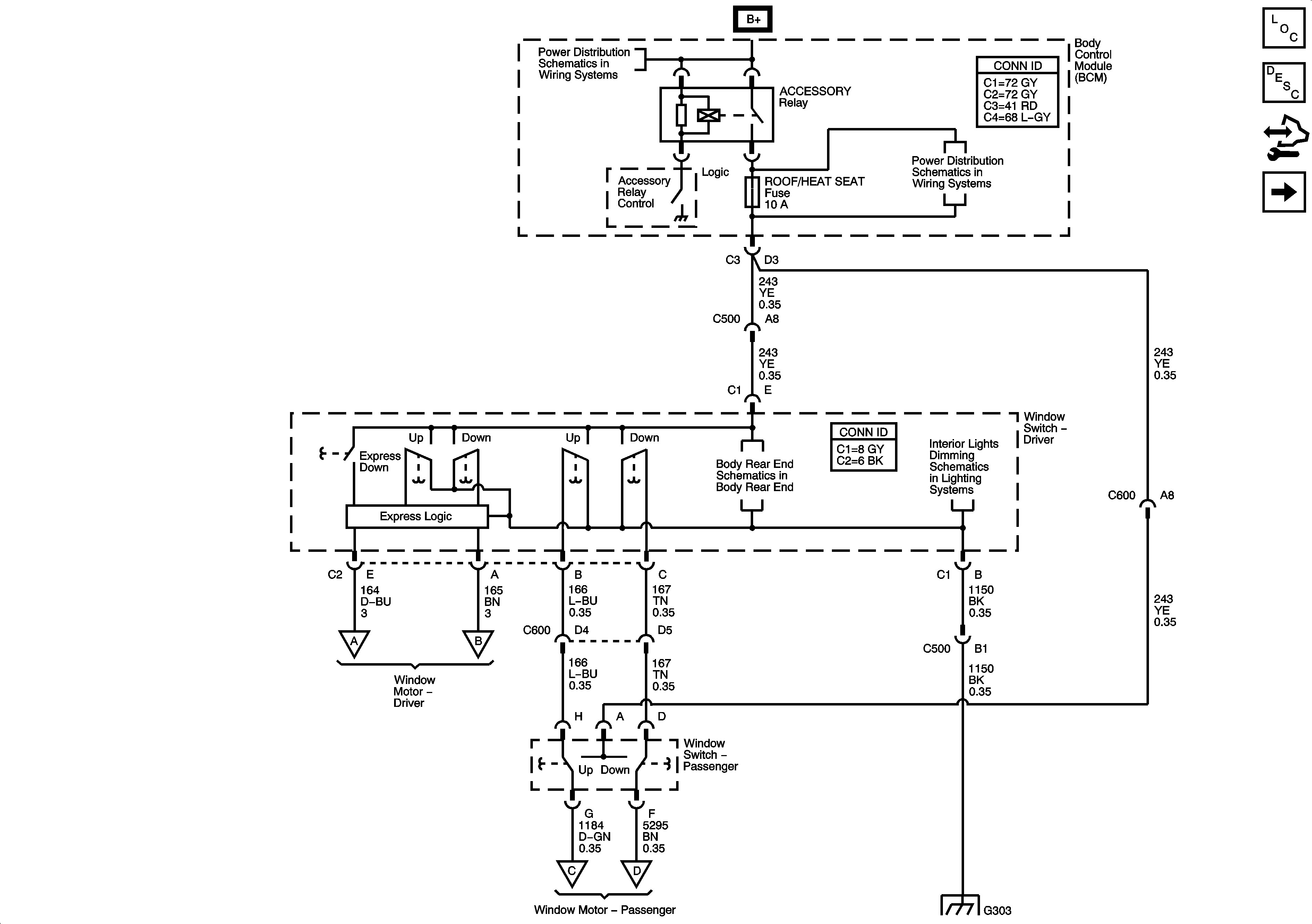
🢒 Window Switches - Convertible
Window Switches - Convertible
Window Switches - Convertible
Master Electrical Component List
Power Windows Description and Operation
Control Module References
Front Window Motors - Convertible
Underhood Fuse Block IBCM 2, Body Control Module (BCM) ACCESSORY Relay, DOOR LOCK, POWER WINDOWS, ROOF/HEAT SEAT and WPR SW Fuses
Underhood Fuse Block IBCM 2, Body Control Module (BCM) ACCESSORY Relay, DOOR LOCK, POWER WINDOWS, ROOF/HEAT SEAT and WPR SW Fuses
Front Window Motors - Convertible
Front Window Motors - Convertible
Window Switches - Convertible
Steering Wheel and Doors
Front Window Motors - Convertible
Front Window Motors - Convertible
G303