GM Service Manual Online
For 1990-2009 cars only
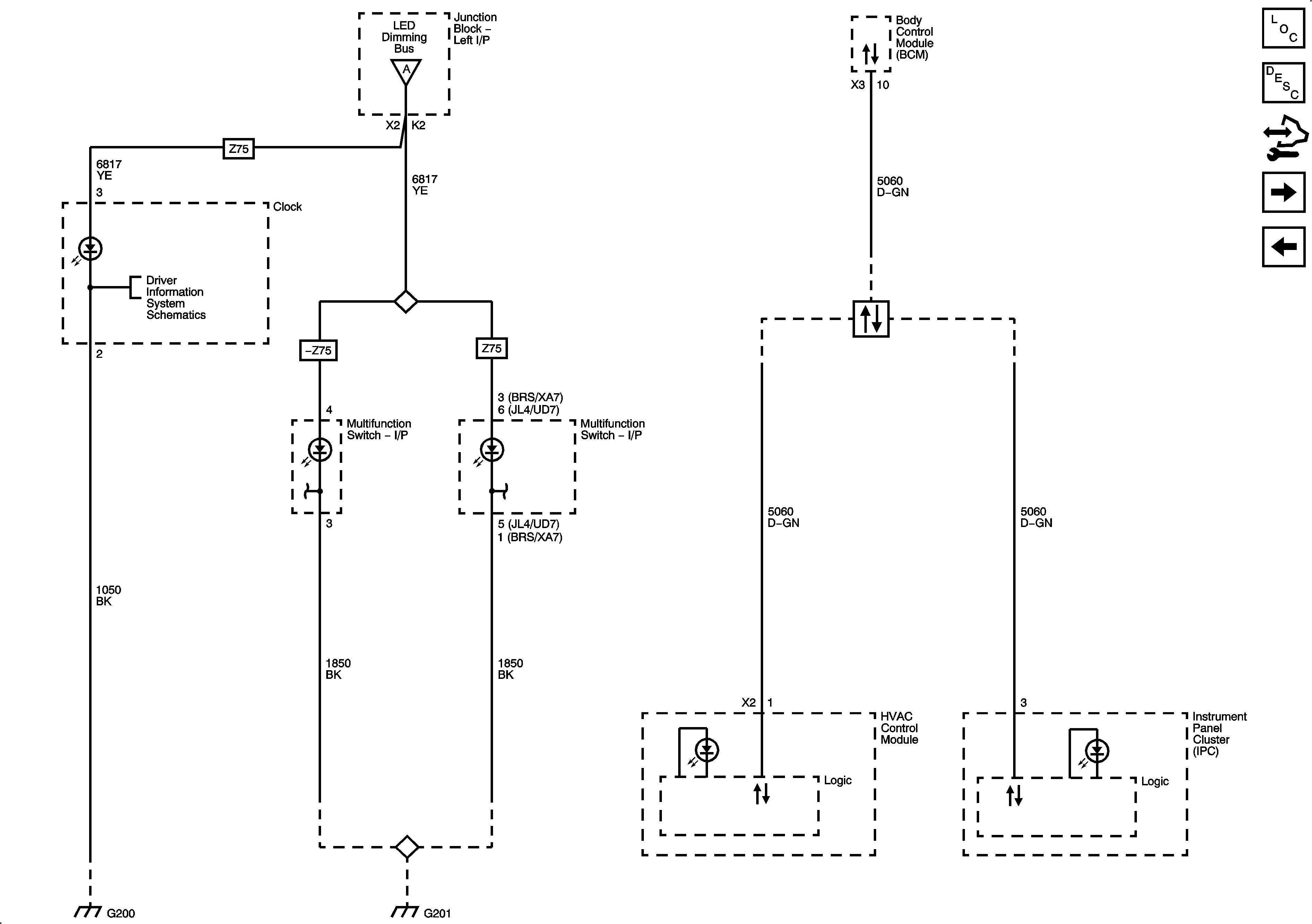
Figure 1:

Dimming Control and LED Dimming - 1 of 3


Object Number: 1907099  Size: FS
Master Electrical Component List
Interior Lighting Systems Description and Operation
Control Module References
LED Dimming - 2 of 3
Module Power, Ground, and Serial Data, Pump Motor and Brake Switch - JD9 Under 8600 GVW
Module Power, Ground and Serial Data, Pump Motor and Brake Switch - JH6 Over 8600 GVW
LED Dimming - 2 of 3
G201
Heated Steering Wheel (KA9)
Figure 2:

LED Dimming - 2 of 3


Object Number: 1907102  Size: FS
Master Electrical Component List
Interior Lighting Systems Description and Operation
Control Module References
LED Dimming - 3 of 3
Dimming Control and LED Dimming - 1 of 3
Dimming Control and LED Dimming - 1 of 3
Analog Clock (Z75)
Data Communication Schematics
G200 - 1 of 2
G201
Figure 3:

LED Dimming - 3 of 3


Object Number: 1907105  Size: FS
Master Electrical Component List
Interior Lighting Systems Description and Operation
Control Module References
I/P Bulb Dimming
LED Dimming - 2 of 3
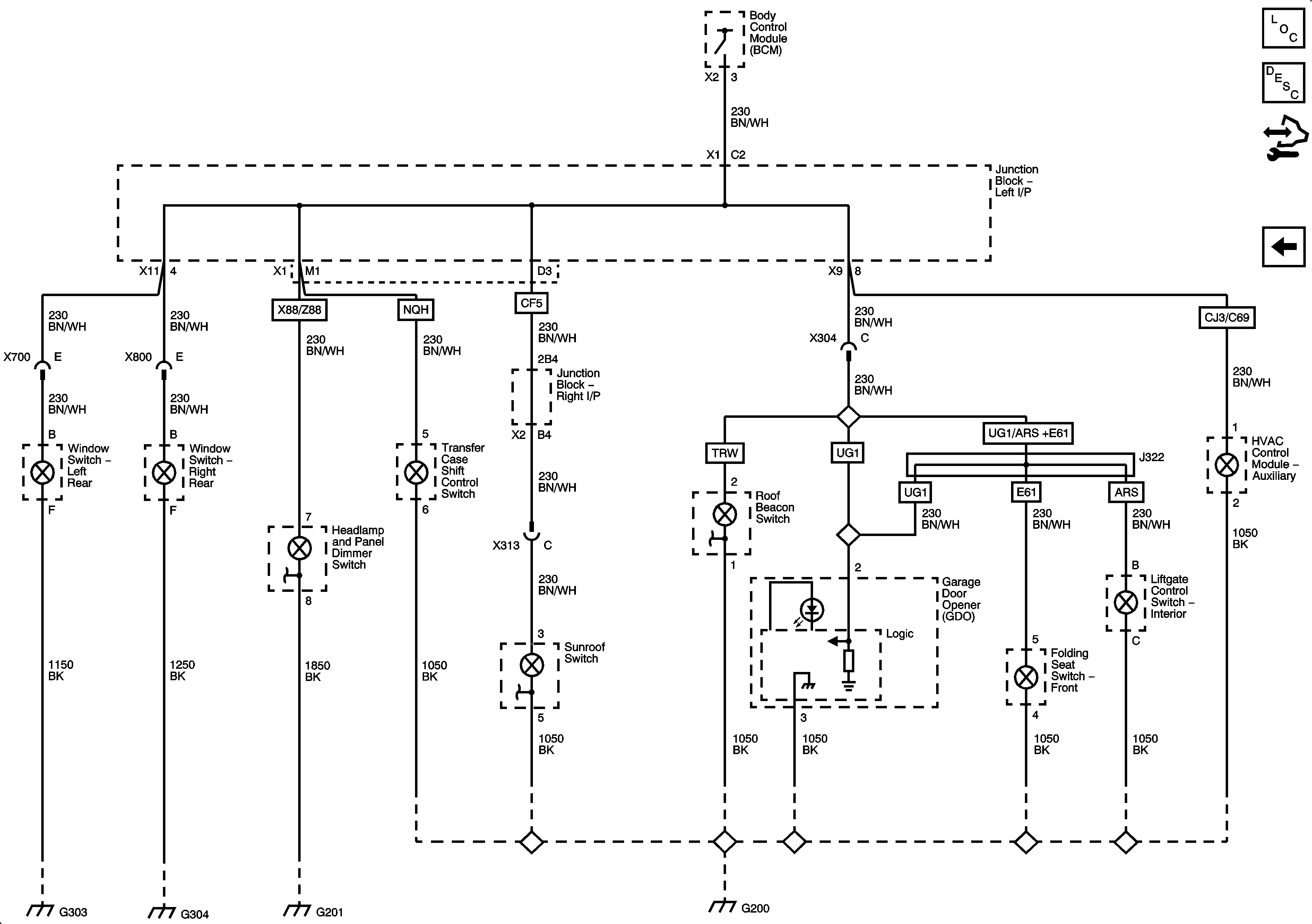
Figure 4:

I/P Bulb Dimming


Object Number: 1907108  Size: FS
Master Electrical Component List
Interior Lighting Systems Description and Operation
Control Module References
LED Dimming - 3 of 3
G303, G304, and G305
Power, Ground, and Driver Information Center Switch
G201
G200 - 1 of 2