GM Service Manual Online
For 1990-2009 cars only
Makes
🢒
Cadillac
🢒
2008
🢒
Escalade - 2WD
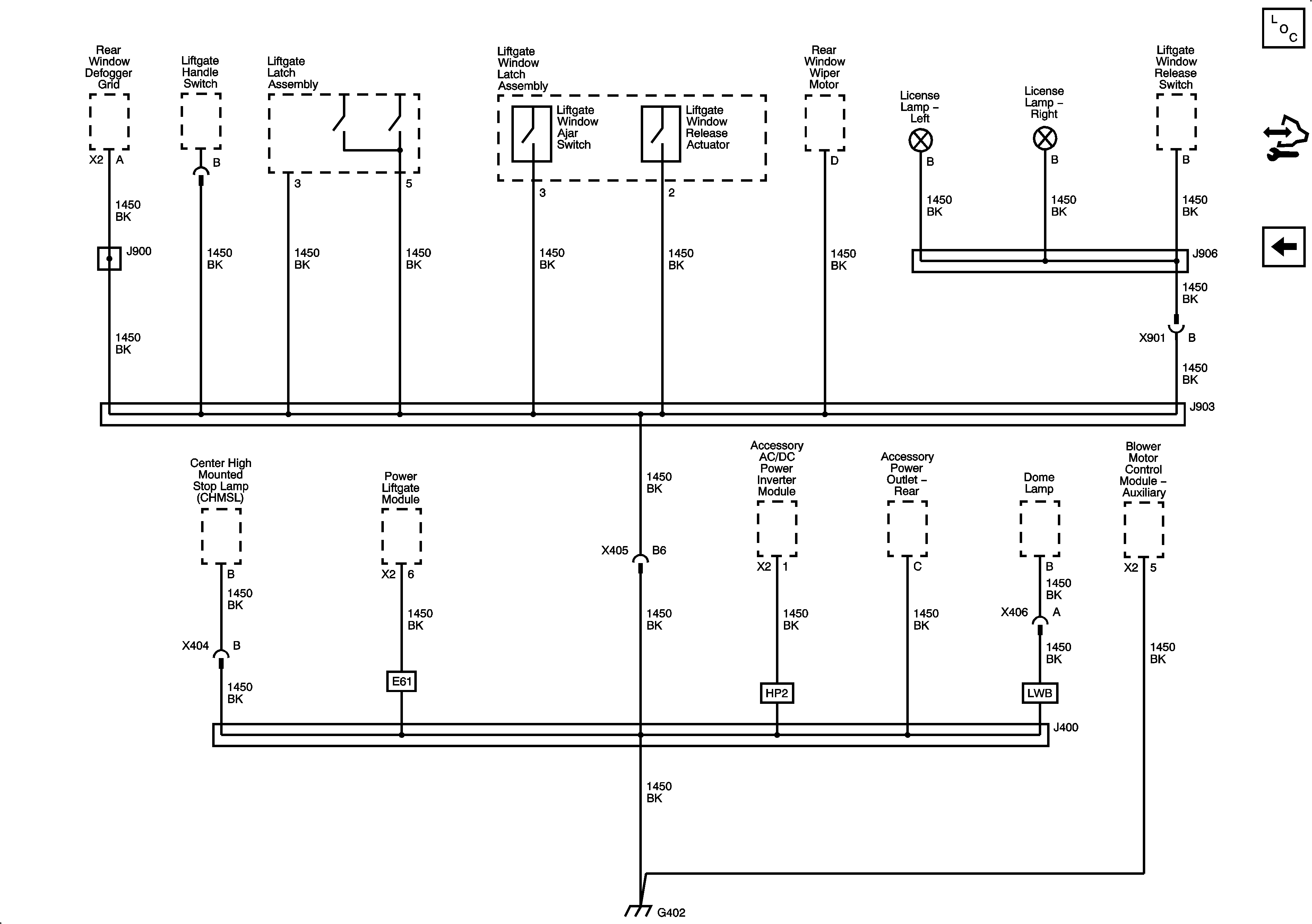
🢒 G402 - E52
G402 - E52
G402 - E52
Master Electrical Component List
Control Module References
G401