GM Service Manual Online
For 1990-2009 cars only
Makes
🢒
Cadillac
🢒
2008
🢒
Escalade - 2WD
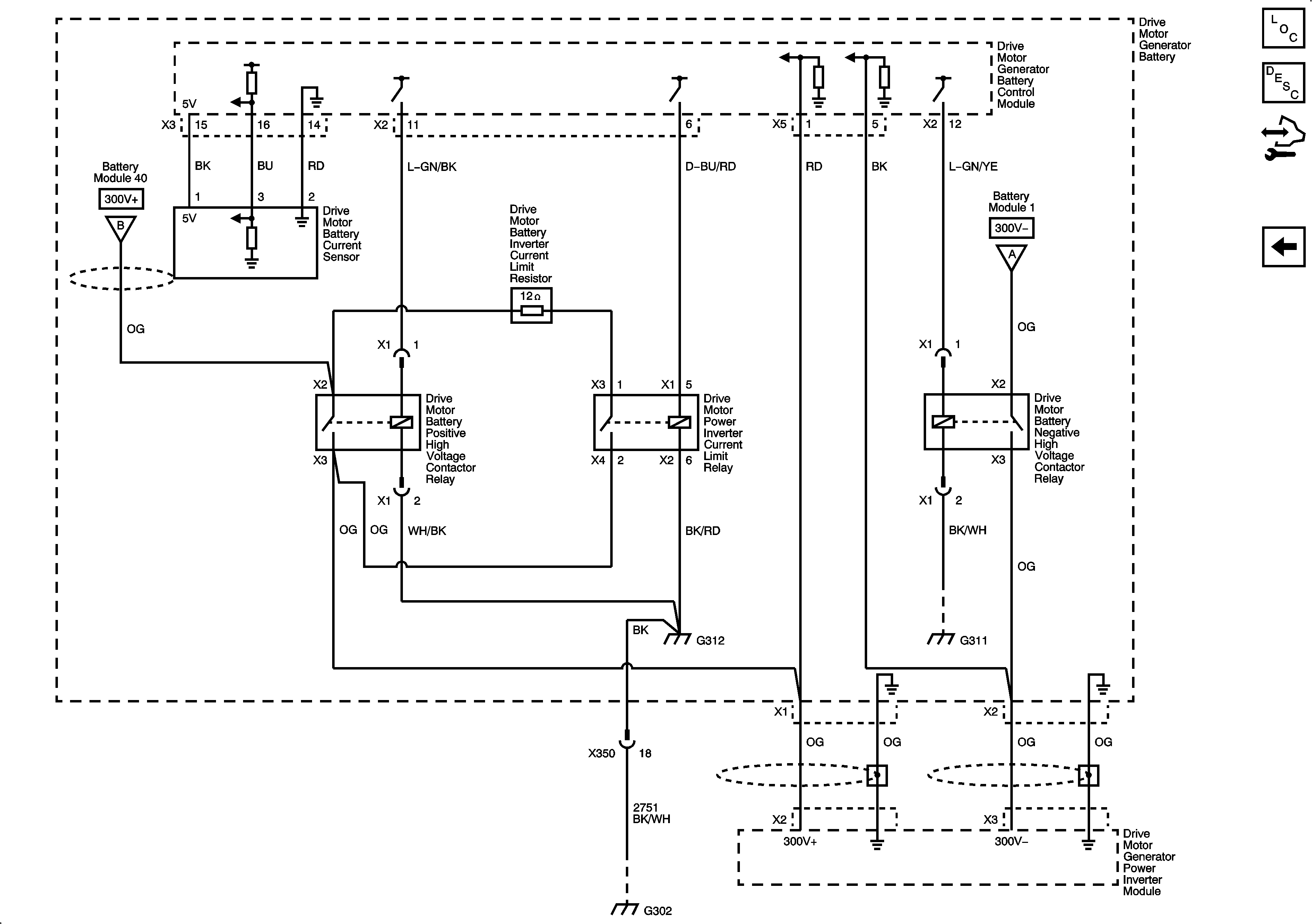
🢒 Main Power Contactors
Main Power Contactors
Main Power Contactors
Master Electrical Component List
Drive Motor Battery System Description
Control Module References
Battery Modules and Drive Motor Battery High Voltage Manual Disconnect Lever
Battery Modules and Drive Motor Battery High Voltage Manual Disconnect Lever
Battery Modules and Drive Motor Battery High Voltage Manual Disconnect Lever
G300, G302, G311, G312, G313, and G314
G300, G302, G311, G312, G313, and G314
G300, G302, G311, G312, G313, and G314