GM Service Manual Online
For 1990-2009 cars only
Makes
🢒
Cadillac
🢒
2009
🢒
Escalade - 2WD
🢒
Diagnostic Navigation
🢒
Vehicle Diagnostic Information
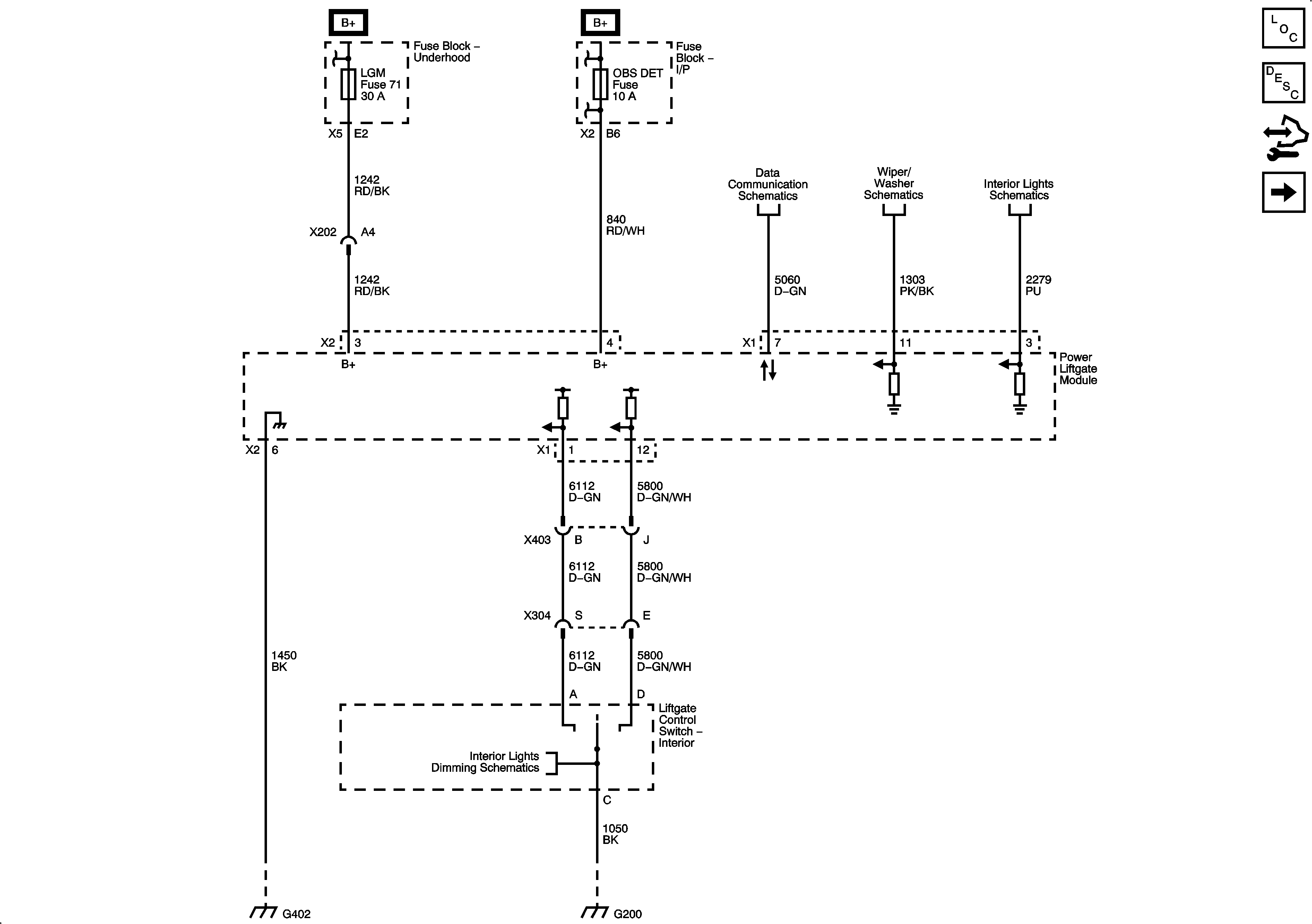
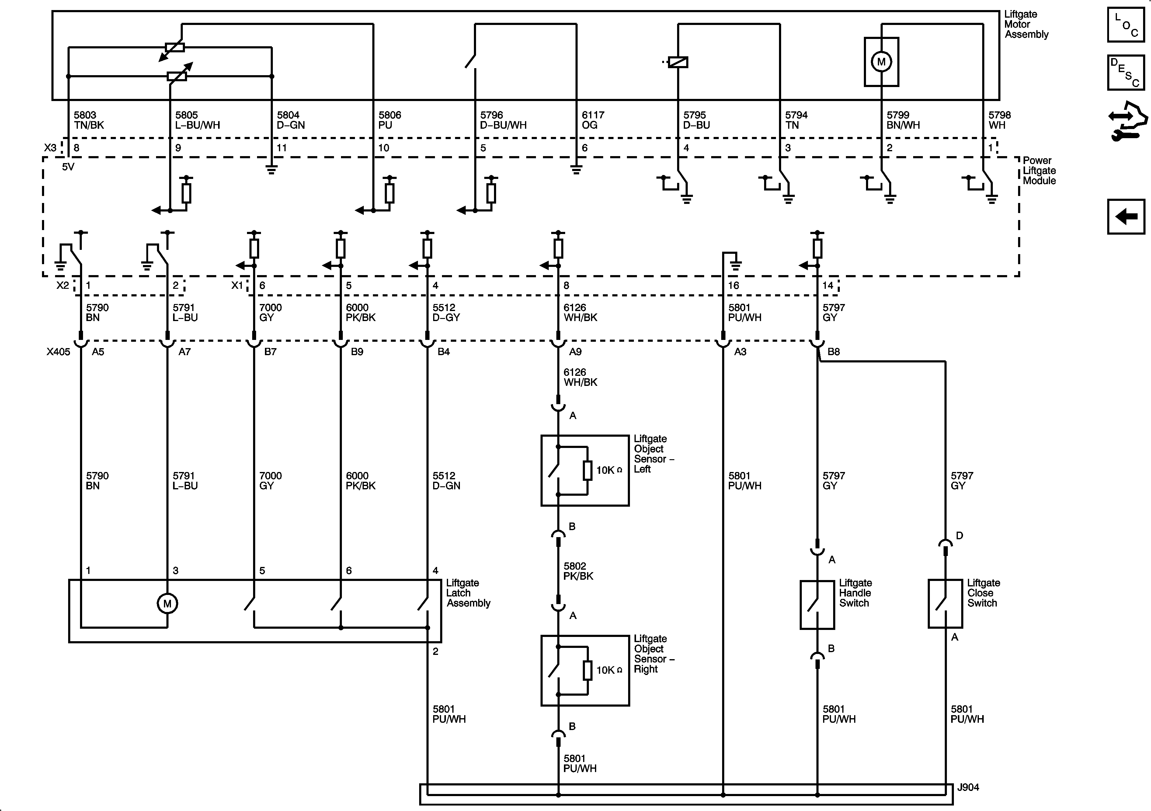
🢒 Liftgate Schematics
Figure
1:
Module Power, Ground, Serial Data, and Front Switch (E61)
Figure
2:
Liftgate Motor Controls (E61)