GM Service Manual Online
For 1990-2009 cars only
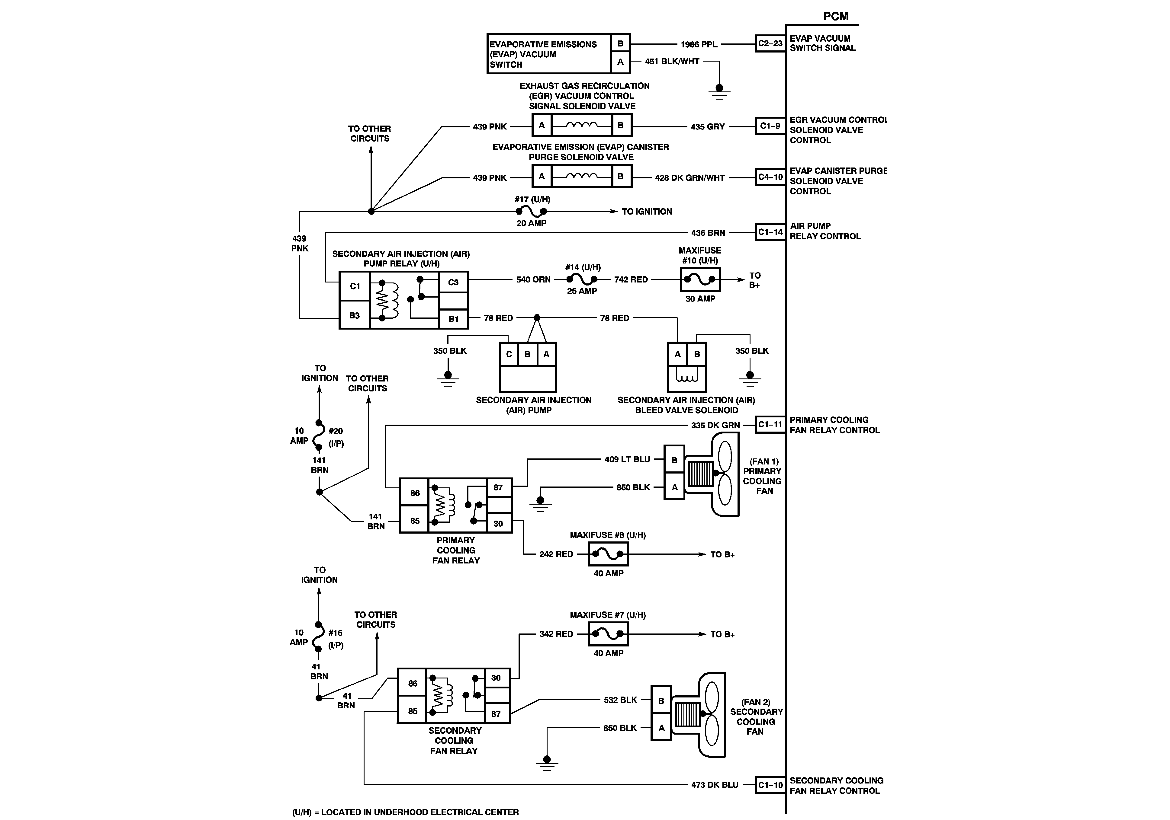
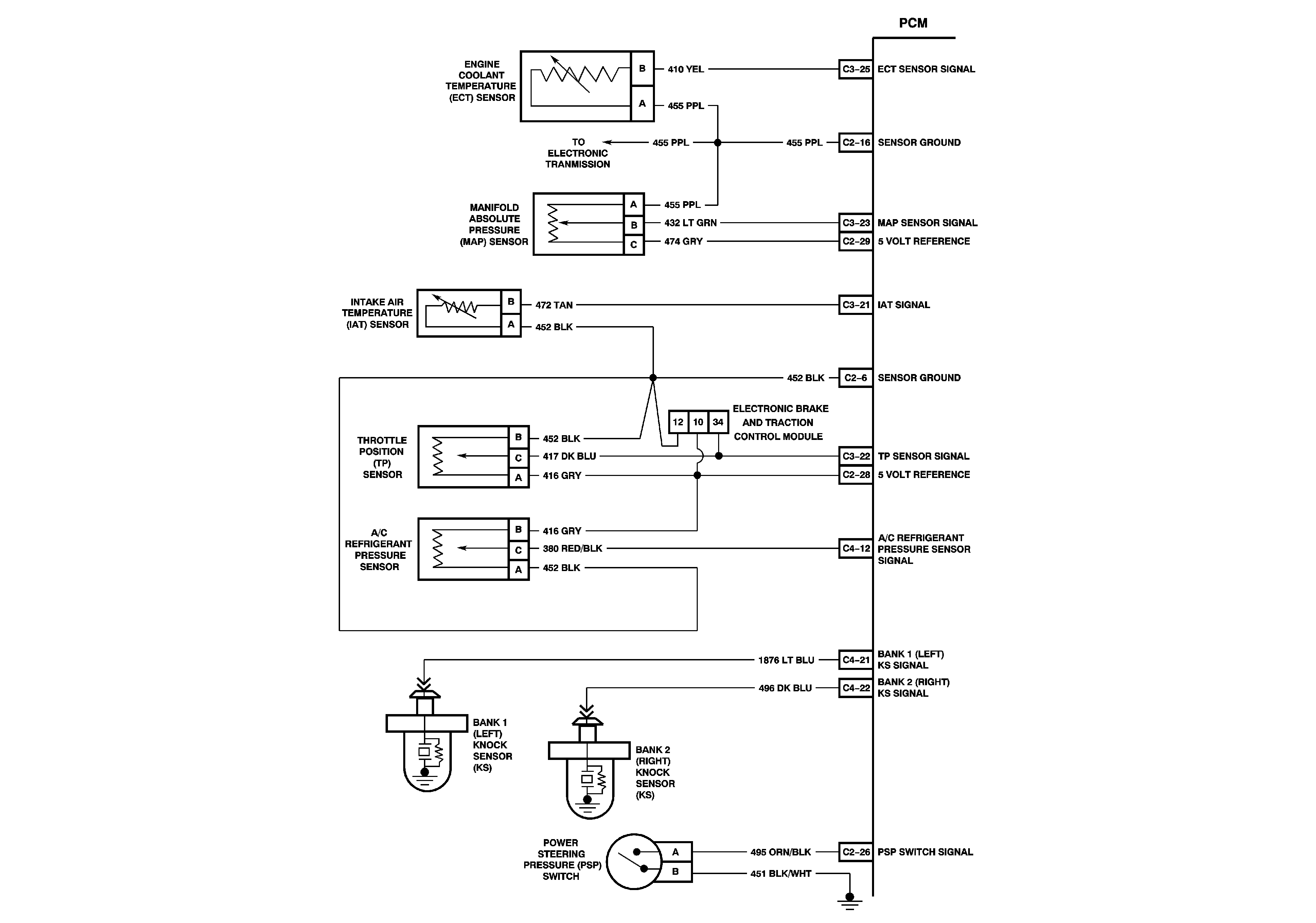
Figure 1:

PCM Wiring (1 of 7)


Object Number: 1559535  Size: FS
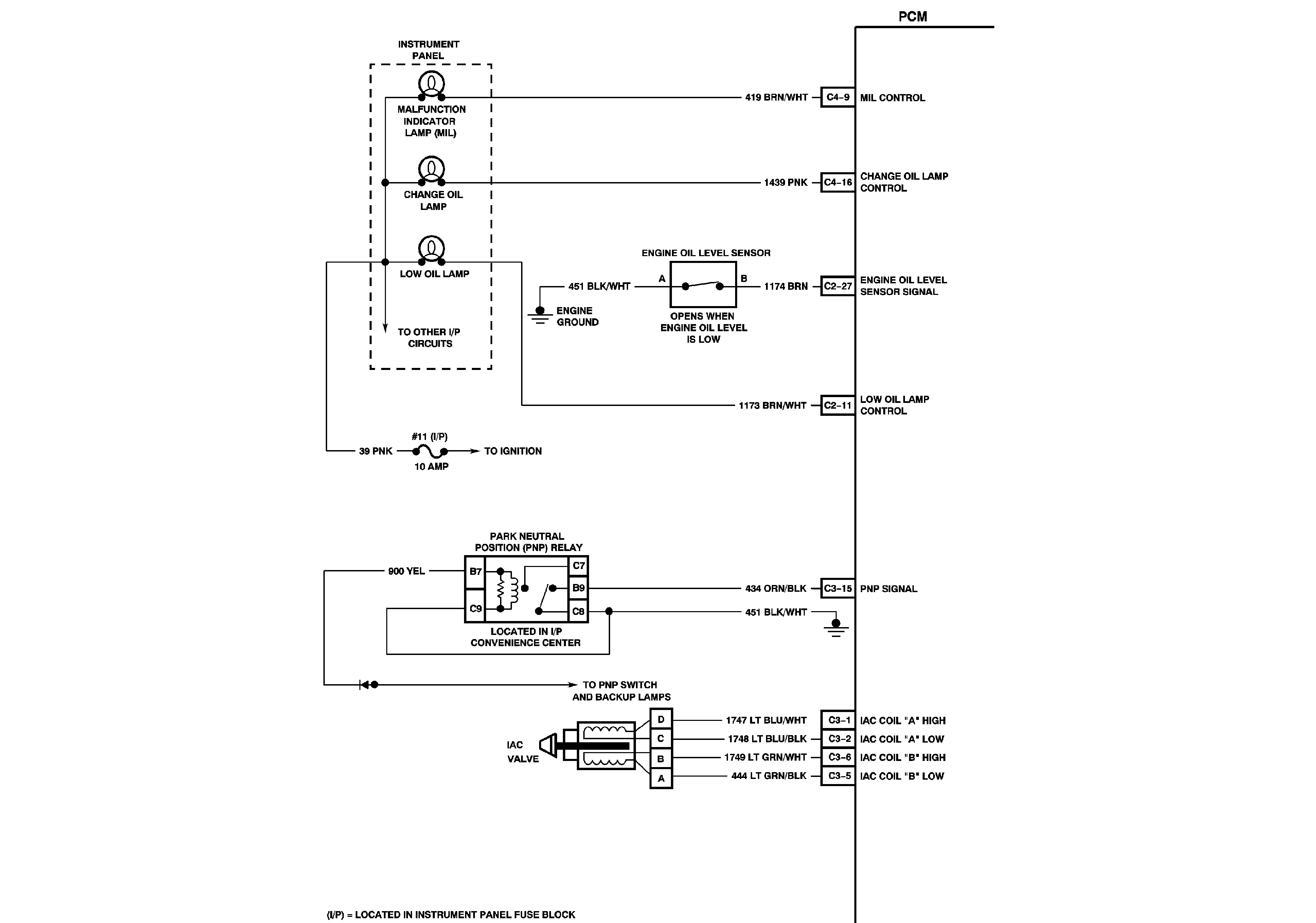
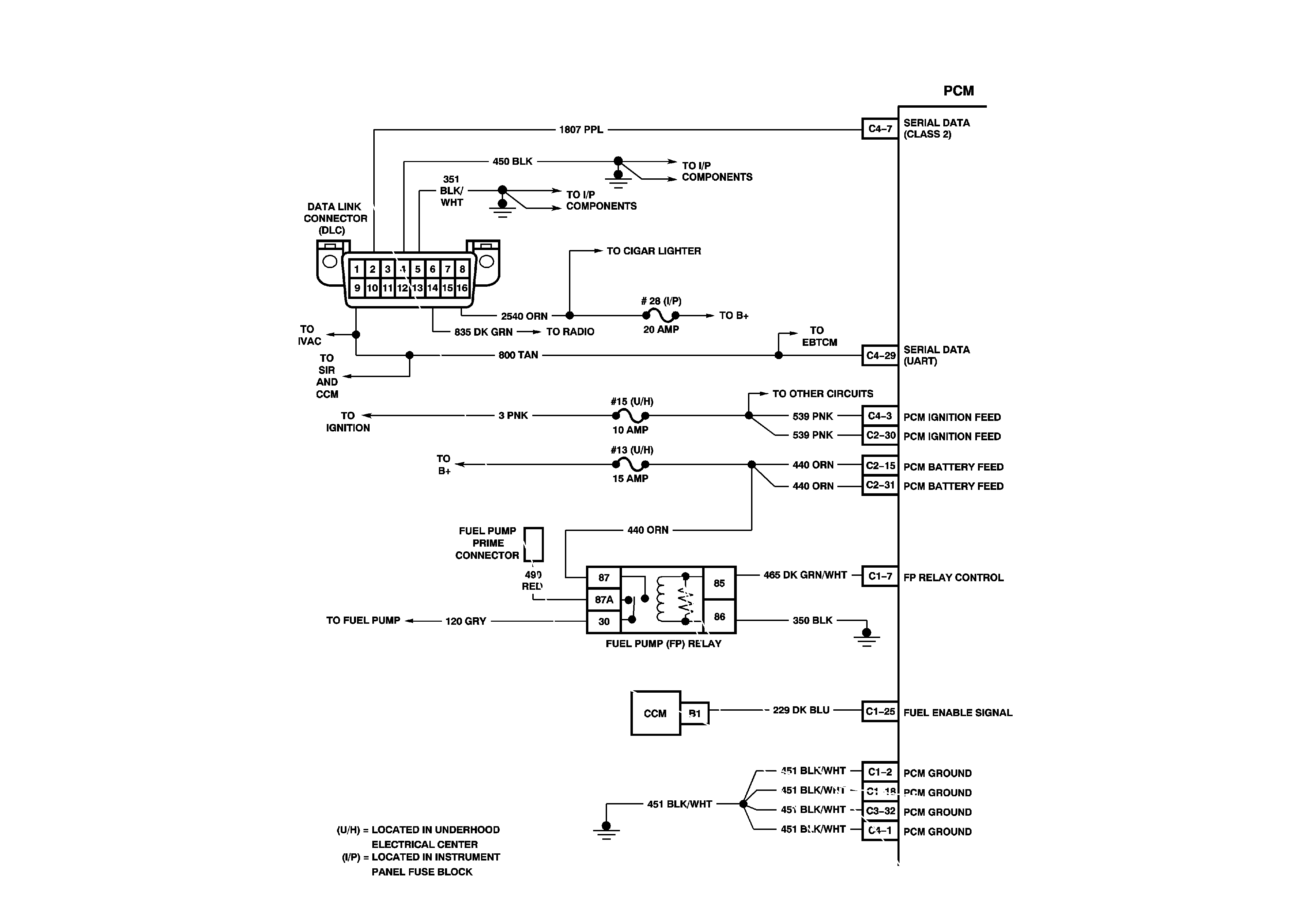
Figure 2:

PCM Wiring (2 of 7)


Object Number: 1559539  Size: FS
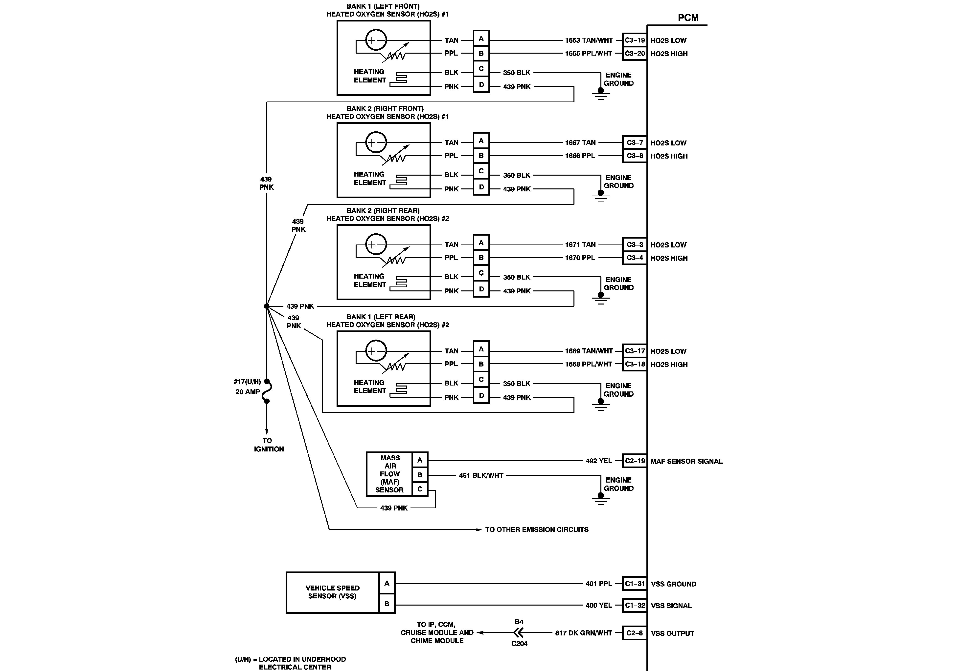
Figure 3:

PCM Wiring (3 of 7)


Object Number: 1559542  Size: FS
Figure 4:

PCM Wiring (4 of 7)


Object Number: 1559547  Size: FS
Figure 5:

PCM Wiring (5 of 7)


Object Number: 1559553  Size: FS
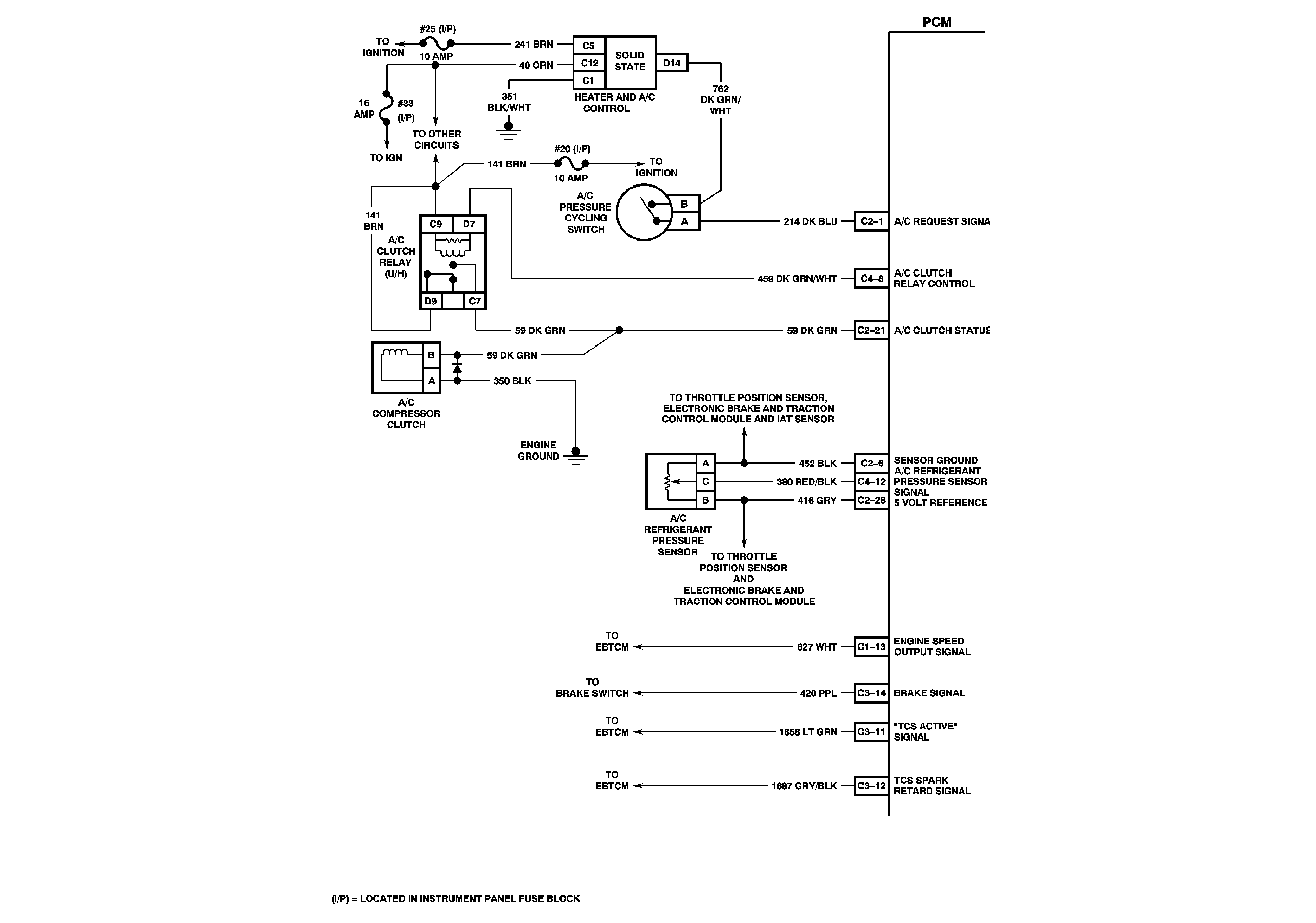
Figure 6:

PCM Wiring (6 of 7)


Object Number: 1559554  Size: FS
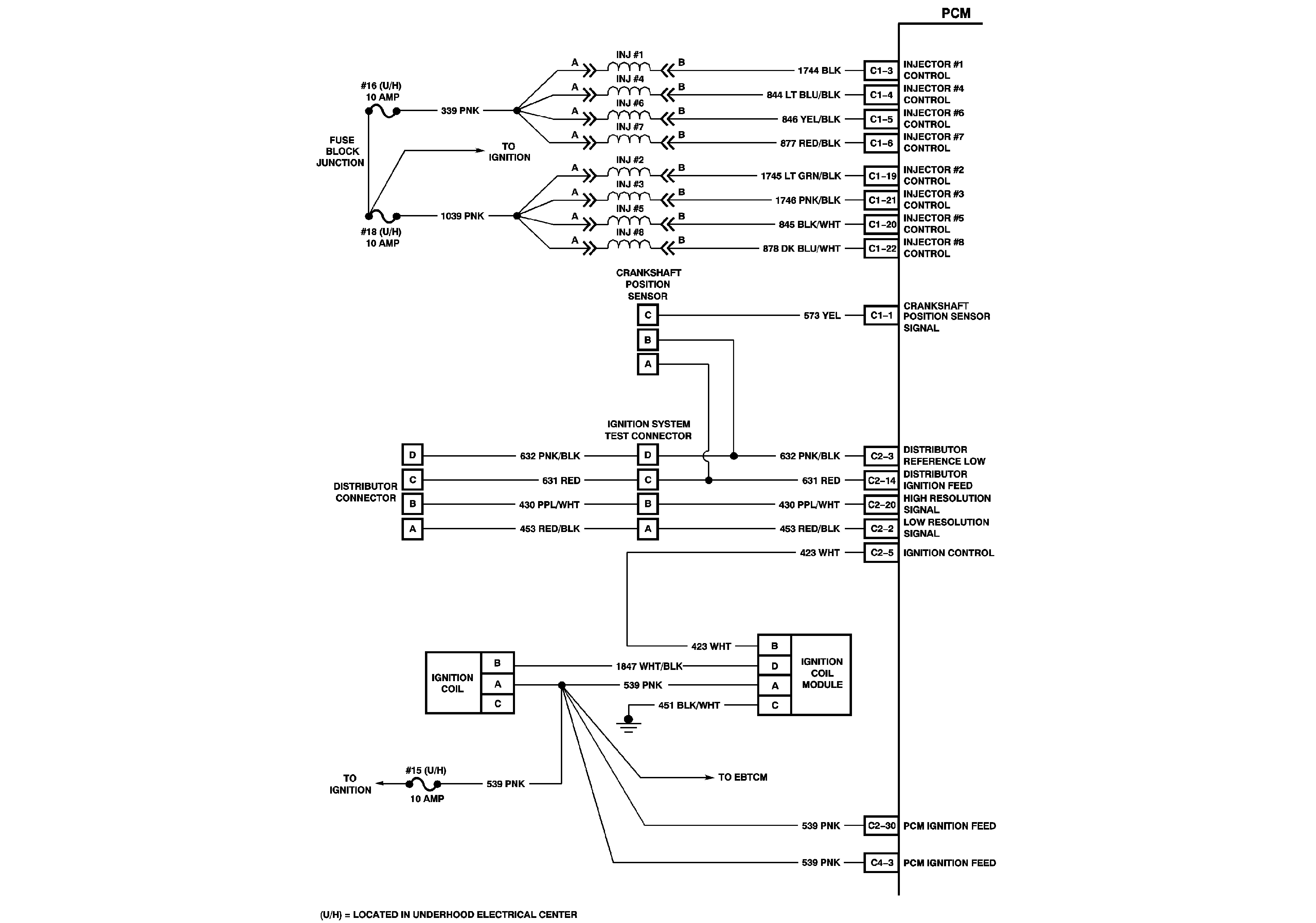
Figure 7:

PCM Wiring (7 of 7)


Object Number: 1559556  Size: FS