GM Service Manual Online
For 1990-2009 cars only

CADILLAC FLEETWOOD SEVENTY- FIVE LIMOUSINE WIRING DIAGRAM

CADILLAC FLEETWOOD SEVENTY-FIVE LIMOUSINE WIRING DIAGRAMS

VEHICLES AFFECTED: 1985-1986 FLEETWOOD SEVENTY-FIVE LIMOUSINE -----------------

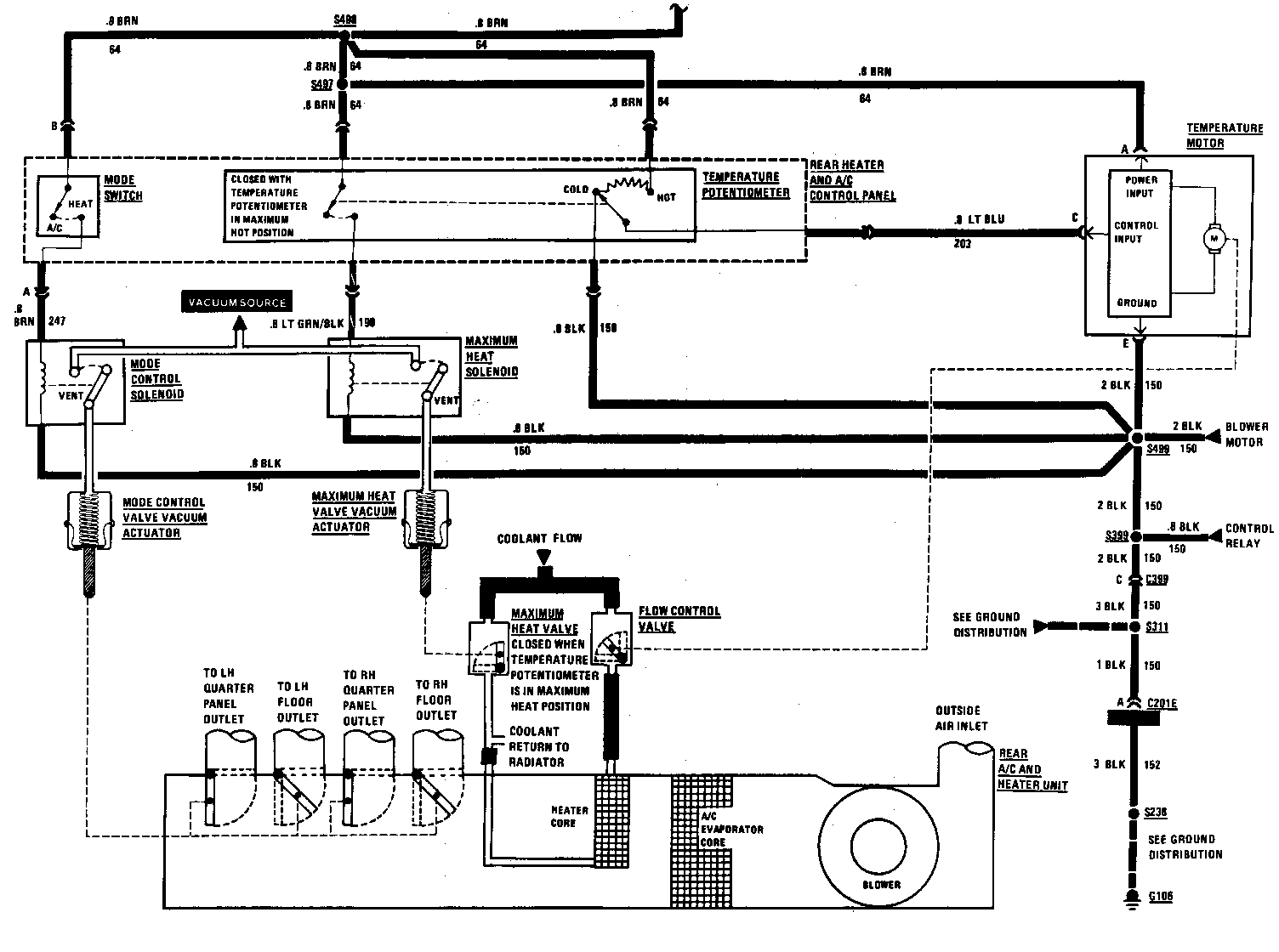
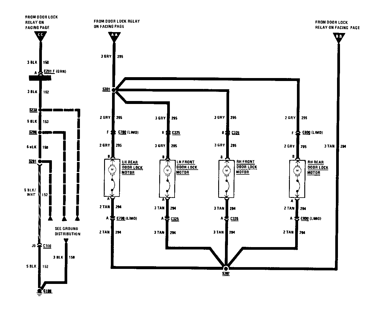
This bulletin contains information as a supplement to the 1985 and 1986 Cadillac Deville and Fleetwood Service Information Manuals. Electronic diagrams for circuitry unique to the 1985-86 Cadillac Fleetwood Seventy-five Limousine are included. This information is not applicable to Cadillac based limousines manufactured and marketed by any source other than Cadillac Motor Division, General Motors Corporation.


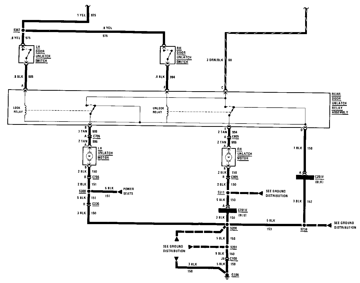
Object Number: 75001  Size: FS


Object Number: 75000  Size: FS


Object Number: 74823  Size: FS


Object Number: 74999  Size: FS


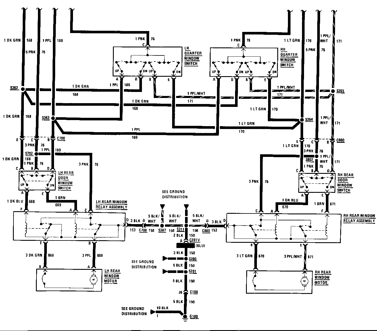
Object Number: 75849  Size: FS


Object Number: 89527  Size: FS


Object Number: 77387  Size: FS


Object Number: 74998  Size: FS


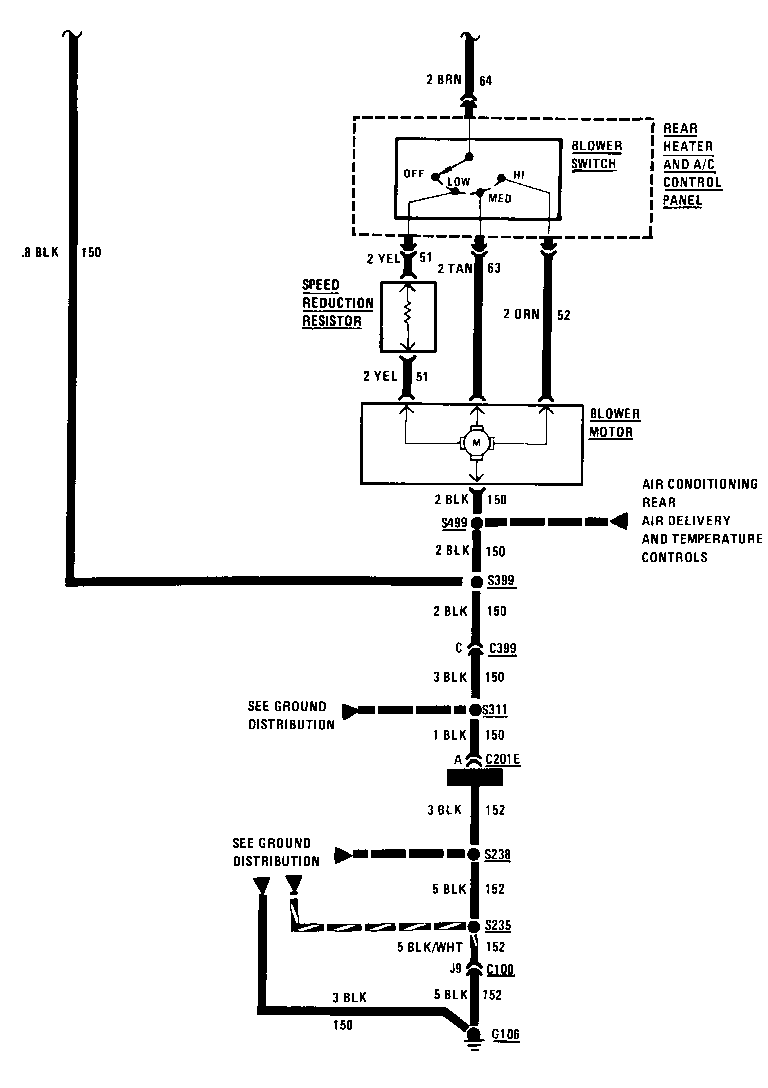
Object Number: 83542  Size: FS


Object Number: 75534  Size: FS


Object Number: 75431  Size: FS


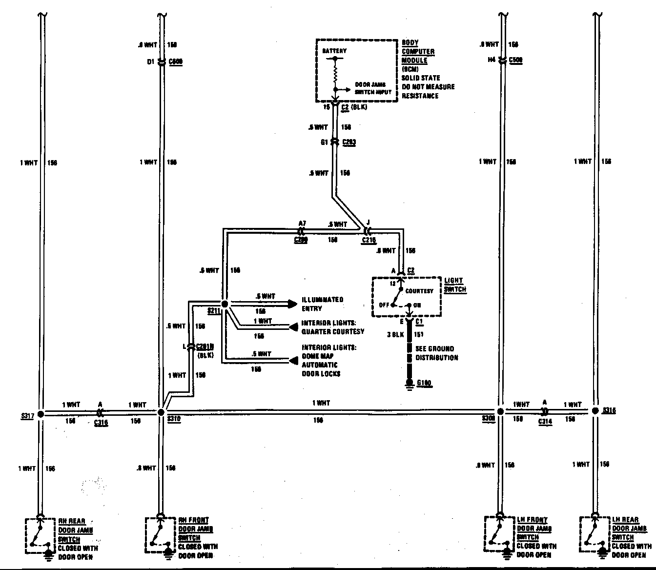
Object Number: 74997  Size: FS


Object Number: 74822  Size: FS


Object Number: 75775  Size: FS


Object Number: 75121  Size: FS


Object Number: 75828  Size: FS


Object Number: 74996  Size: FS


Object Number: 75969  Size: FS


Object Number: 74995  Size: FS


Object Number: 75533  Size: FS

General Motors bulletins are intended for use by professional technicians, not a "do-it-yourselfer". They are written to inform those technicians of conditions that may occur on some vehicles, or to provide information that could assist in the proper service of a vehicle. Properly trained technicians have the equipment, tools, safety instructions and know-how to do a job properly and safely. If a condition is described, do not assume that the bulletin applies to your vehicle, or that your vehicle will have that condition. See a General Motors dealer servicing your brand of General Motors vehicle for information on whether your vehicle may benefit from the information.