GM Service Manual Online
For 1990-2009 cars only

HEADLIGHTS & POWER WINDOWS SERVICE INFORMATION MANUAL

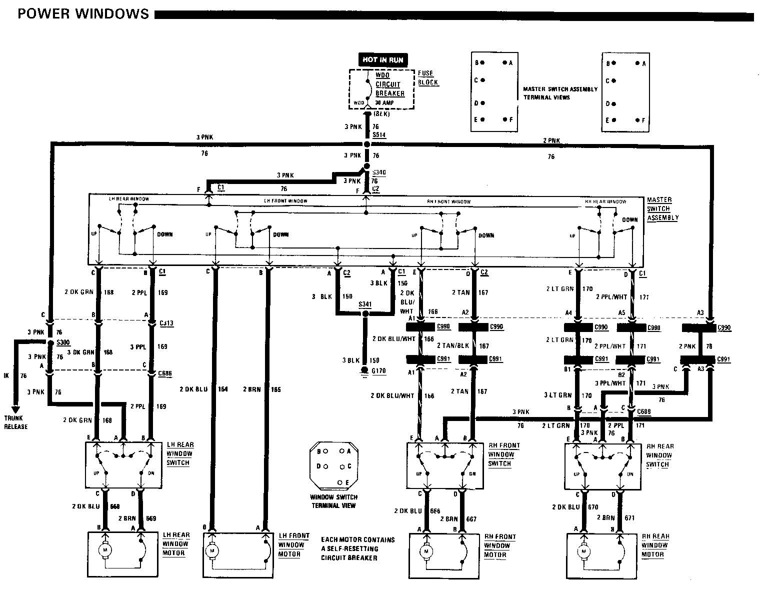
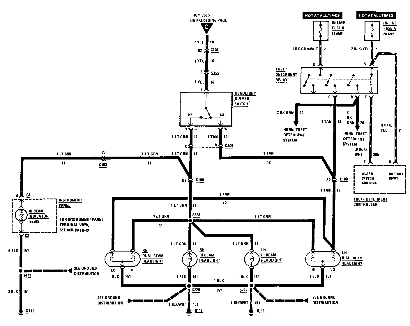
VEHICLES AFFECTED: 1988 BROUGHAMS

Pages 8A-101-1 and 8A-120-0 of the 1988 Cadillac Brougham Final Edition Service Information Manual may not be readable. The pages are printed properly in this bulletin. It is suggested that the pages of this bulletin be filed at the correct locations in the 1988 Brougham Final Edition Service Information Manual.


Object Number: 75572  Size: FS


Object Number: 74746  Size: FS

General Motors bulletins are intended for use by professional technicians, not a "do-it-yourselfer". They are written to inform those technicians of conditions that may occur on some vehicles, or to provide information that could assist in the proper service of a vehicle. Properly trained technicians have the equipment, tools, safety instructions and know-how to do a job properly and safely. If a condition is described, do not assume that the bulletin applies to your vehicle, or that your vehicle will have that condition. See a General Motors dealer servicing your brand of General Motors vehicle for information on whether your vehicle may benefit from the information.