GM Service Manual Online
For 1990-2009 cars only
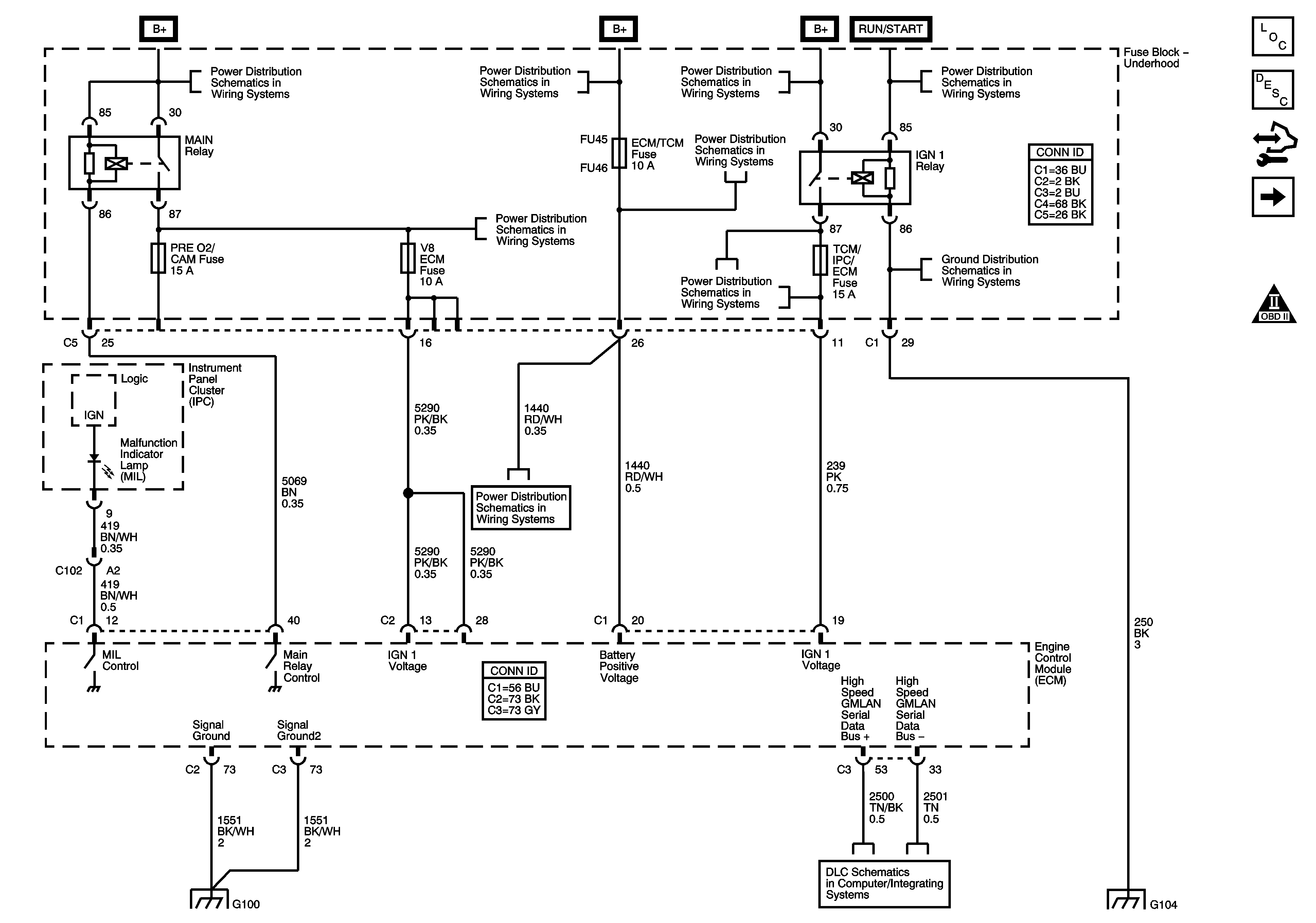
Figure 1:

ECM Power, Ground, Serial Data and MIL


Object Number: 2015014  Size: FS
Figure 2:

Engine Data Sensors - 5-Volt and Low Reference


Object Number: 2015018  Size: FS
Figure 3:

Engine Data Sensors - Pressure, Temperature, MAF, VSS


Object Number: 2015021  Size: FS
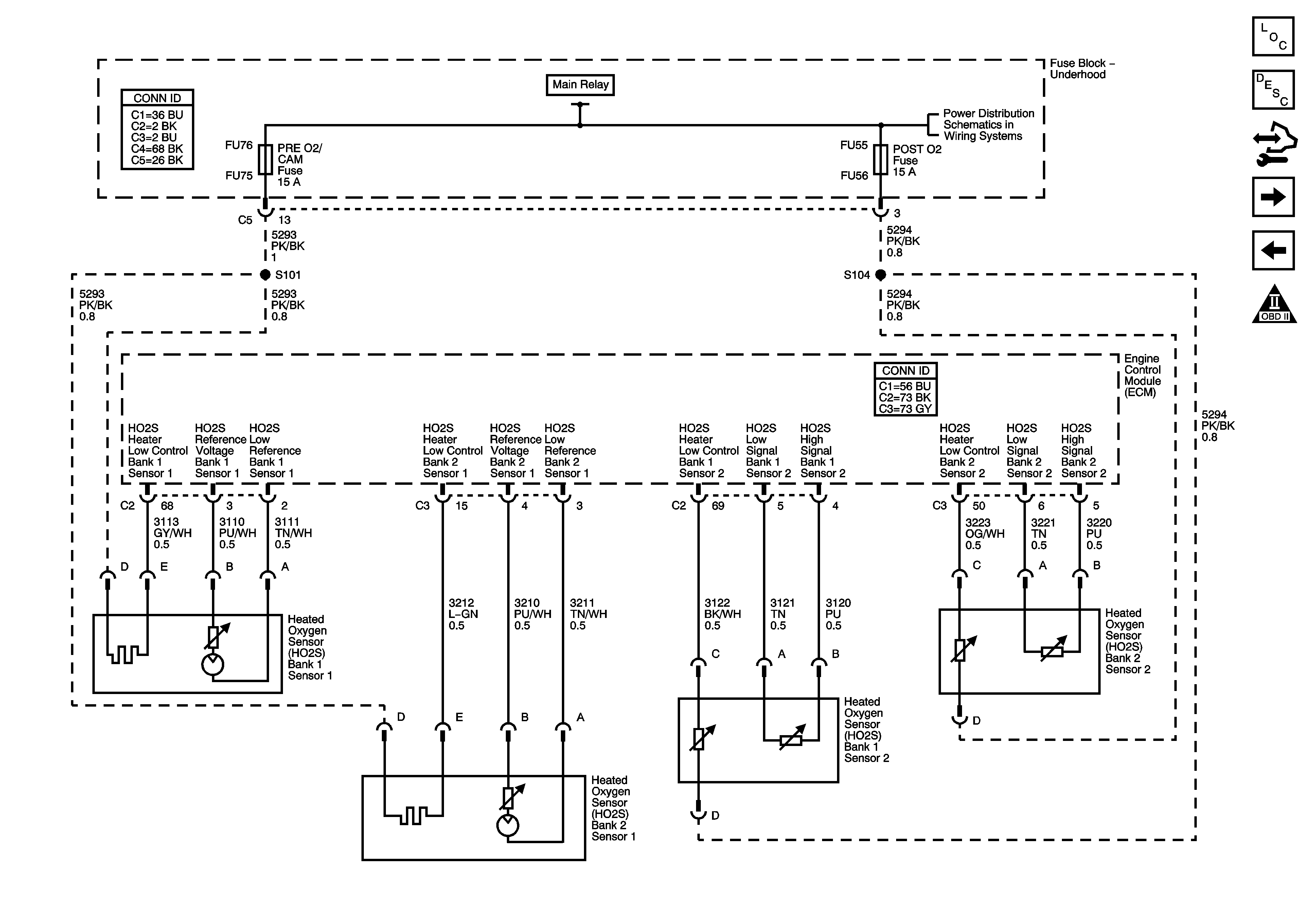
Figure 4:

Engine Data Sensors - Oxygen Sensors


Object Number: 2015023  Size: FS
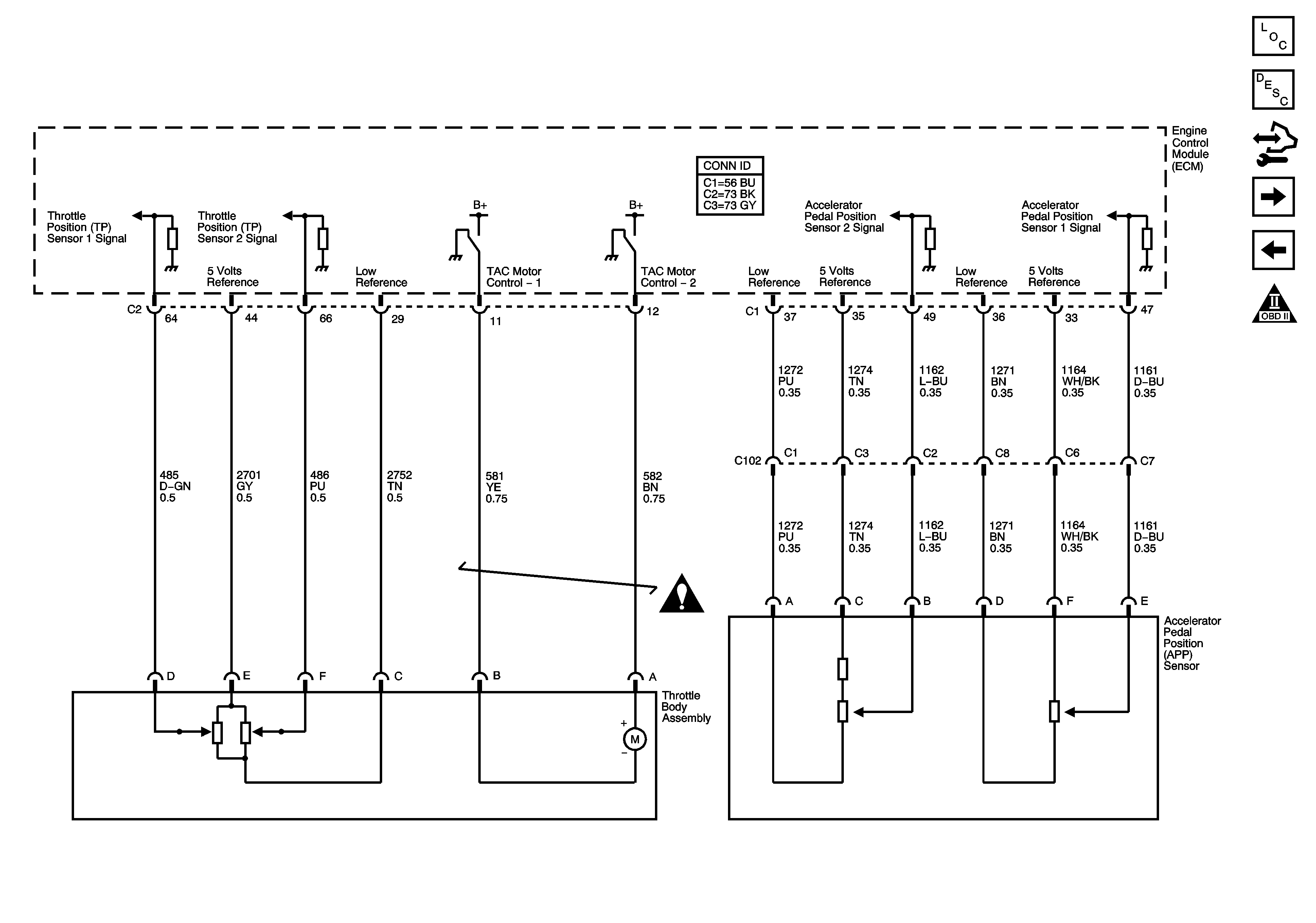
Figure 5:

Engine Data Sensors - Electronic Throttle Controls


Object Number: 2015025  Size: FS
Figure 6:

Ignition Controls - Ignition System Bank 1


Object Number: 2015028  Size: FS
Figure 7:

Ignition Controls - Ignition System Bank 2


Object Number: 2015032  Size: FS
Figure 8:

Ignition Controls - CMP Sensors and Solenoids


Object Number: 2015033  Size: FS
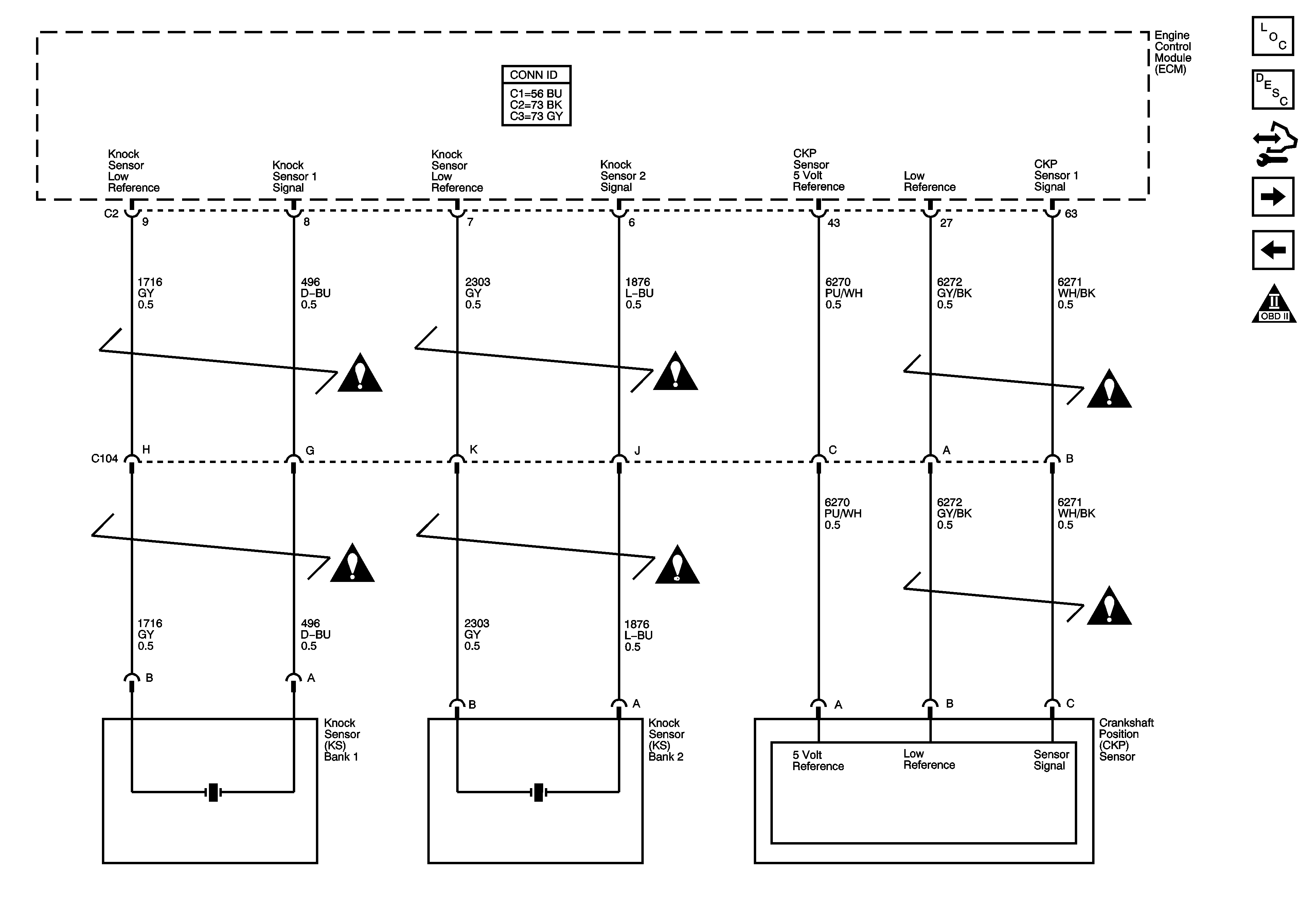
Figure 9:

Crankshaft Position (CKP) Sensor and Knock Sensors


Object Number: 2015039  Size: FS
Figure 10:

Fuel Controls - Injectors and Pump


Object Number: 2015041  Size: FS
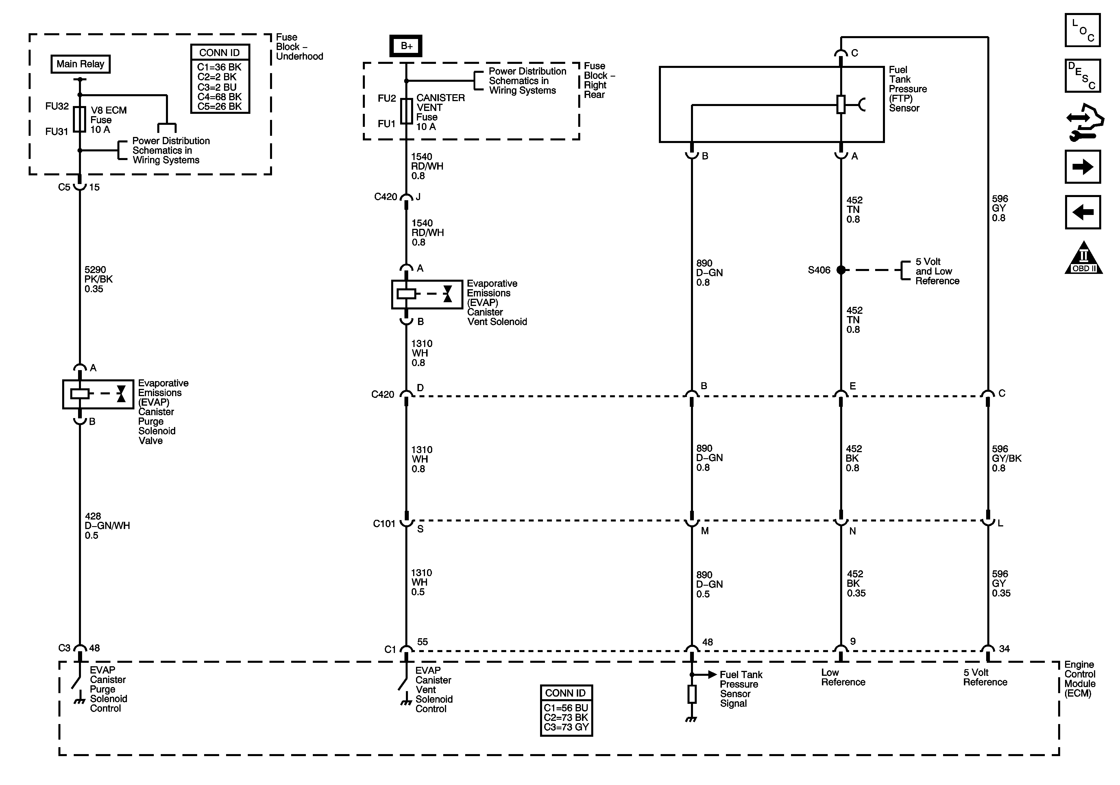
Figure 11:

Fuel Controls - EVAP and Fuel Tank Pressure (FTP) Sensor


Object Number: 2015043  Size: FS
Figure 12:

Controlled/Monitored Subsystem References


Object Number: 2015044  Size: FS