GM Service Manual Online
For 1990-2009 cars only
Makes
🢒
Cadillac
🢒
2008
🢒
SLS
🢒
Engine
🢒
Engine Cooling
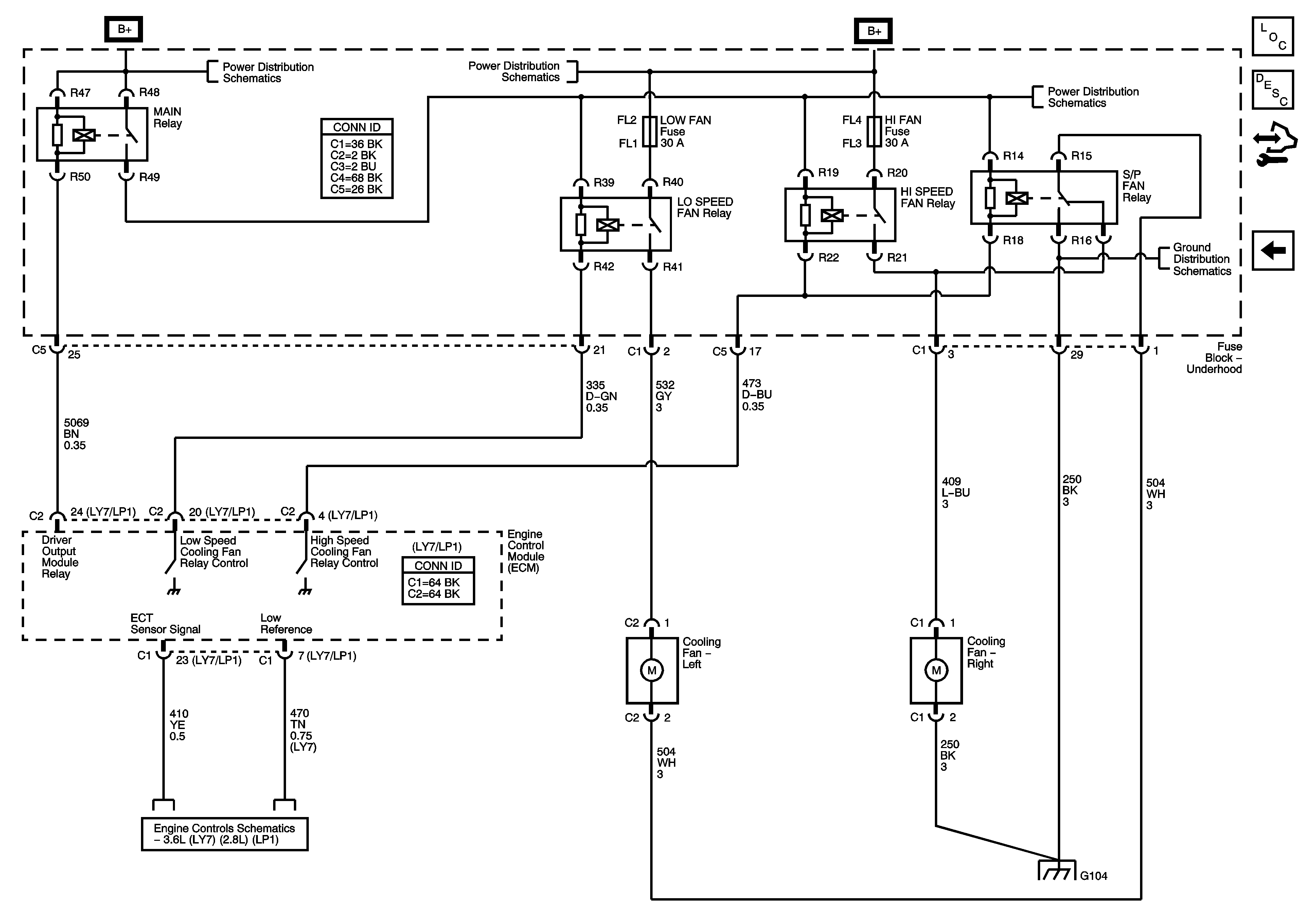
🢒 Engine Cooling Schematics
Figure
1:
Cooling Fans (1 of 2)
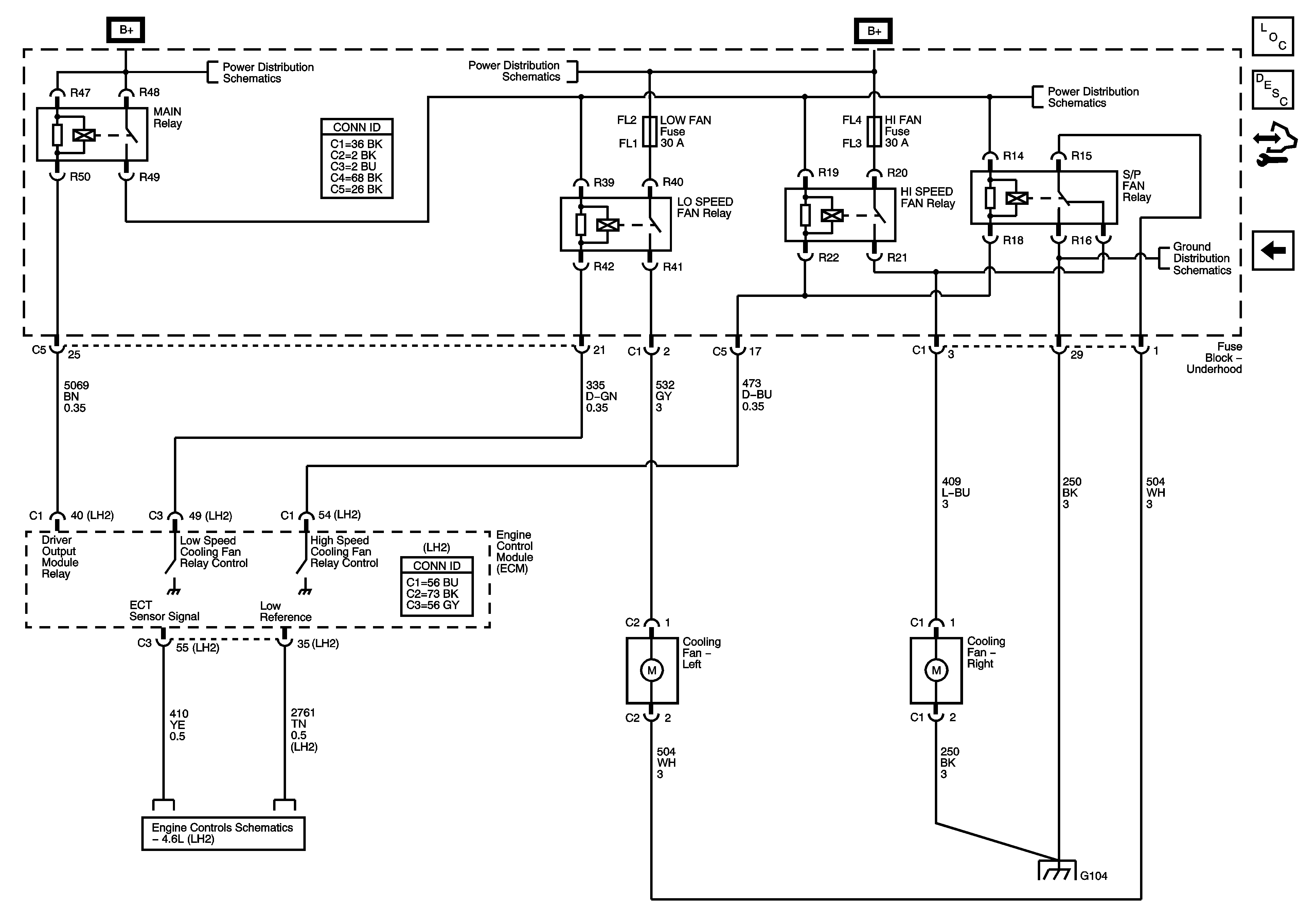
Figure
2:
Cooling Fans (2 of 2)