GM Service Manual Online
For 1990-2009 cars only
Makes
🢒
Cadillac
🢒
2008
🢒
SLS
🢒
Diagnostic Navigation
🢒
Vehicle Diagnostic Information
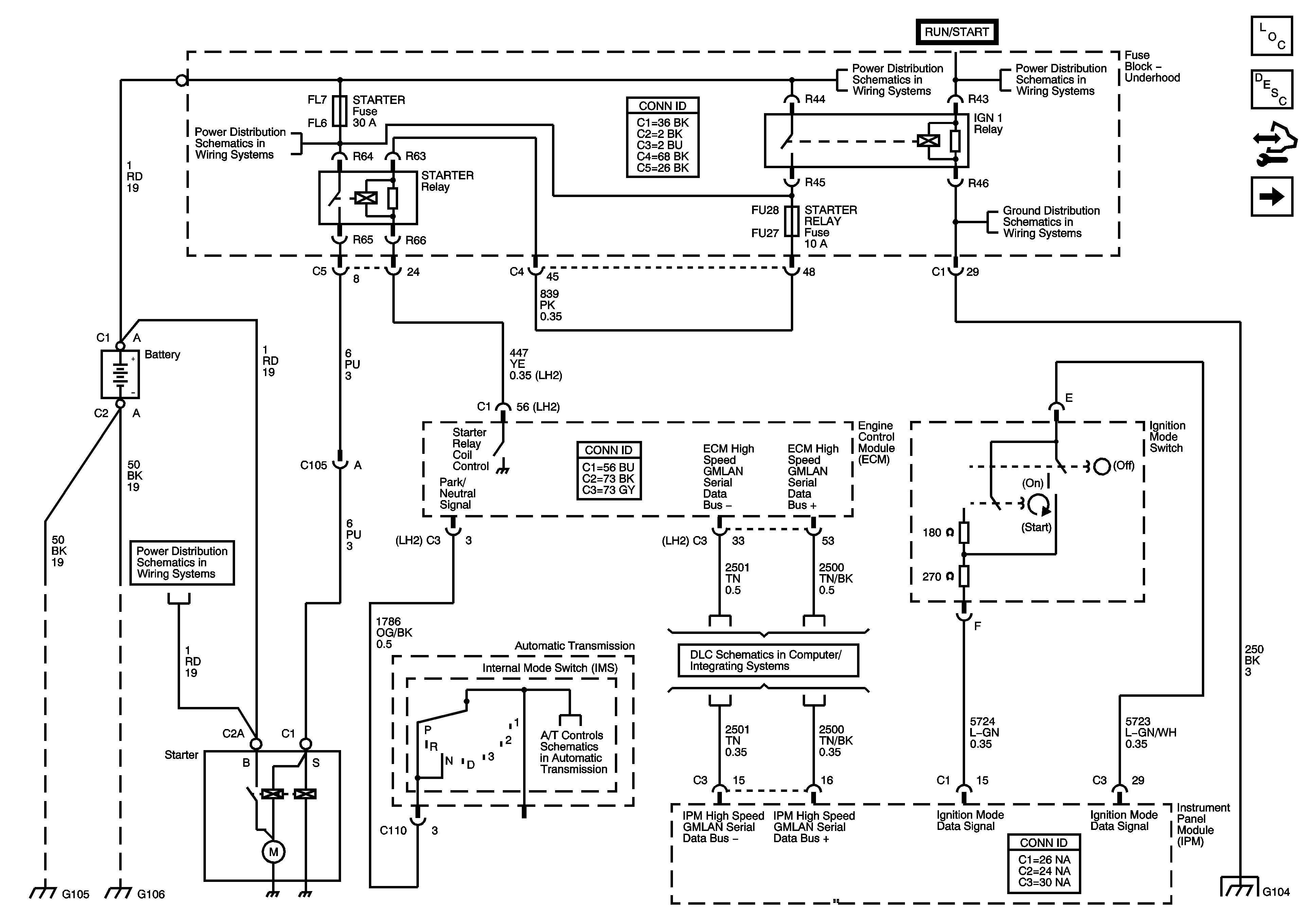
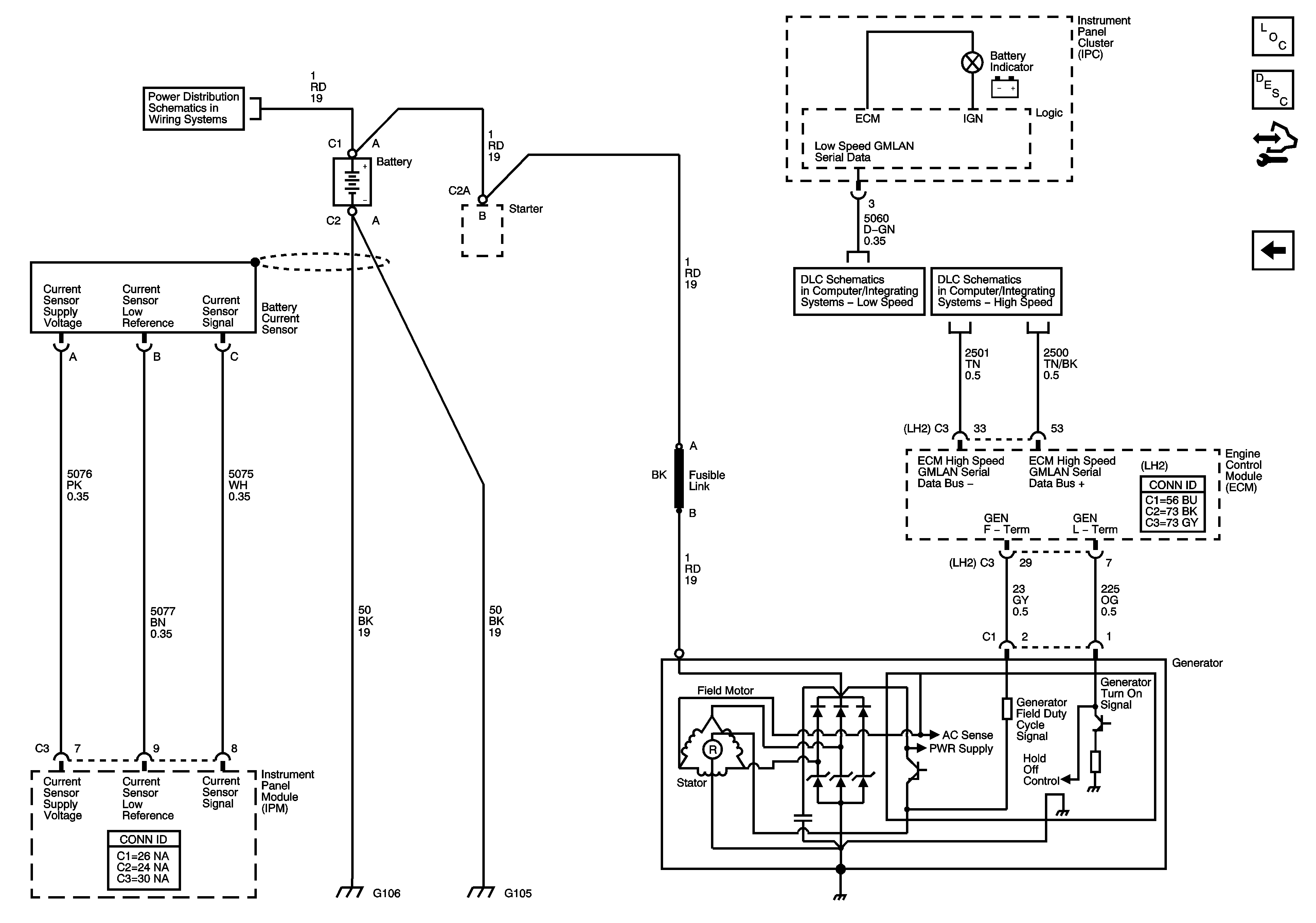
🢒 Starting and Charging Schematics
Figure
1:
Starting System - LH2
Figure
2:
Starting System - LY7
Figure
3:
Charging System - LH2