GM Service Manual Online
For 1990-2009 cars only
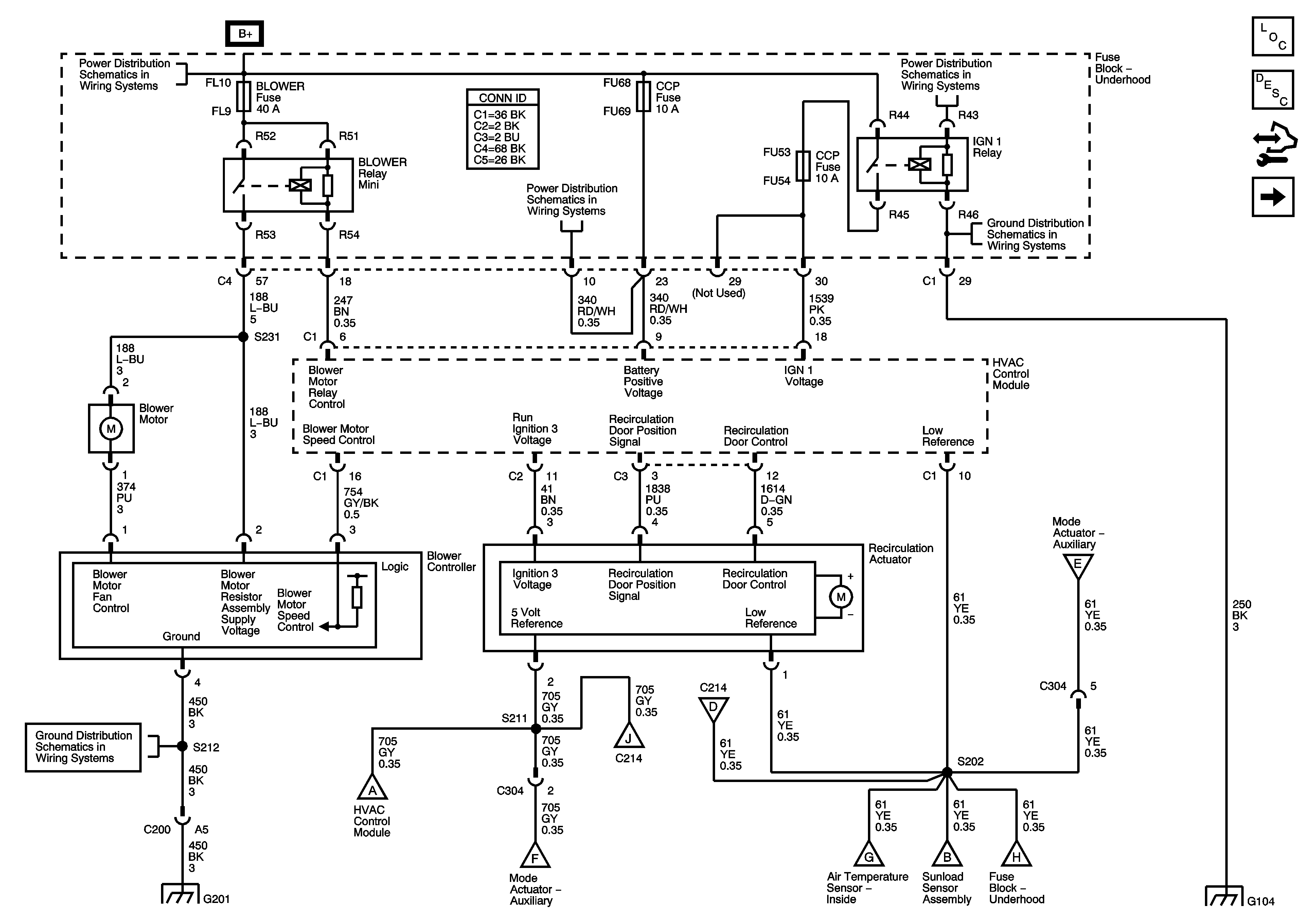
Figure 1:

Power, Ground, Blower Motor, Recirculation Actuator


Object Number: 2013355  Size: FS
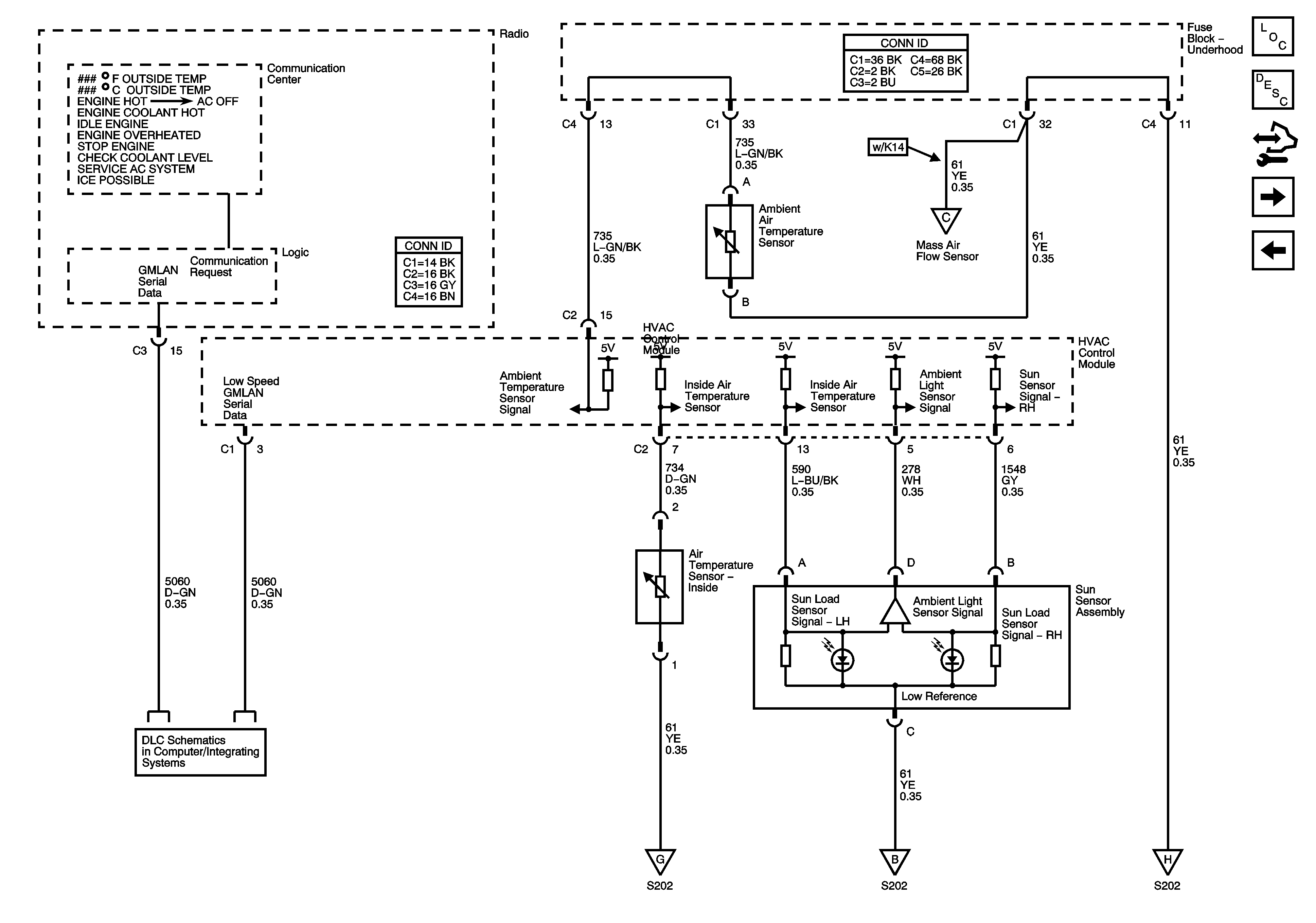
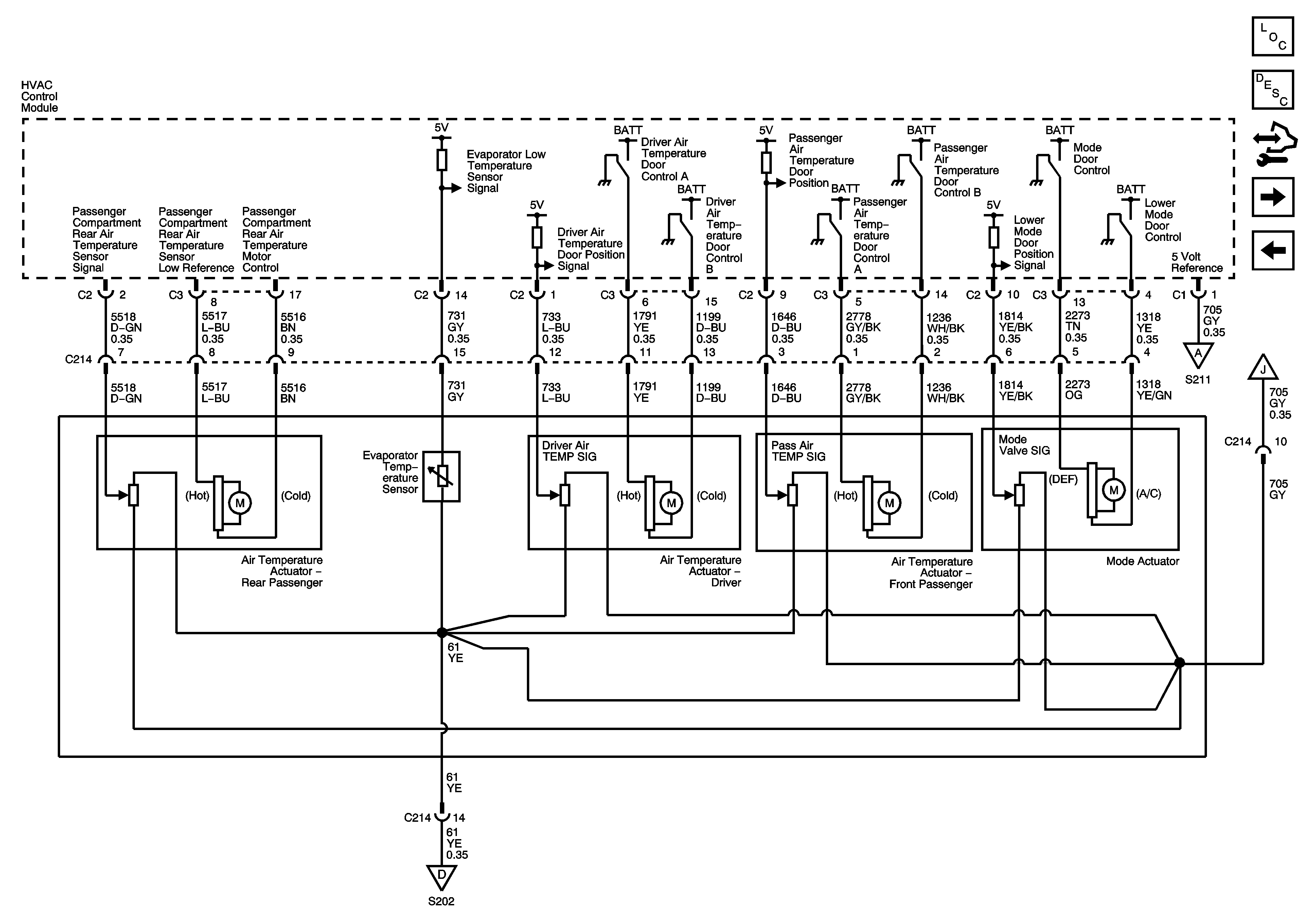
Figure 2:

Air Delivery, EVAP Temperature Sensor, Rear Passenger Air Temperature Actuator


Object Number: 2013357  Size: FS
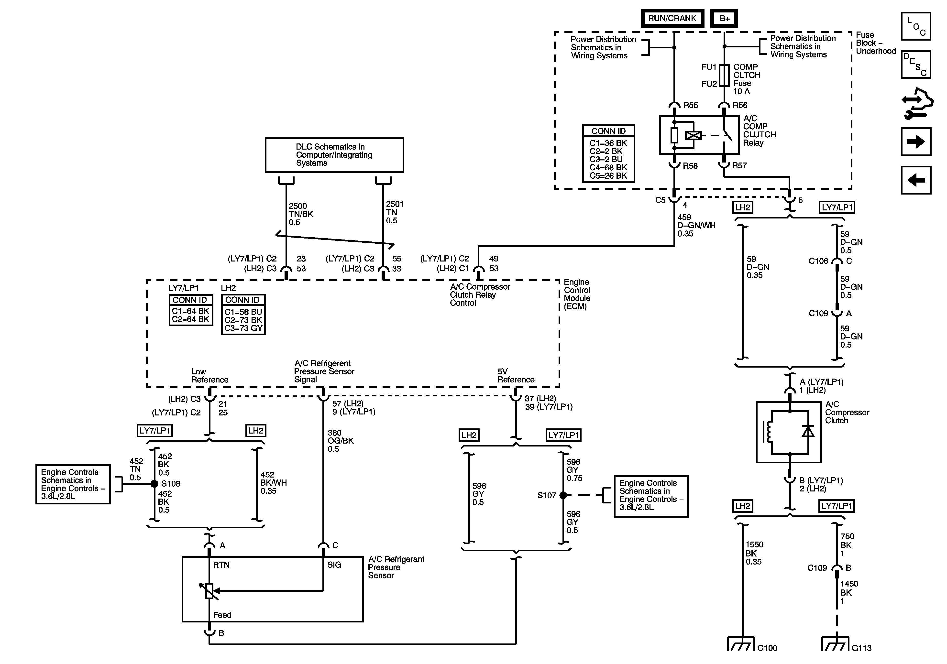
Figure 3:

A/C Refrigerant Pressure Sensor and Compressor Clutch


Object Number: 2013364  Size: FS
Figure 4:

DLC, Temperature Controls, Sunload Sensor


Object Number: 2013368  Size: FS
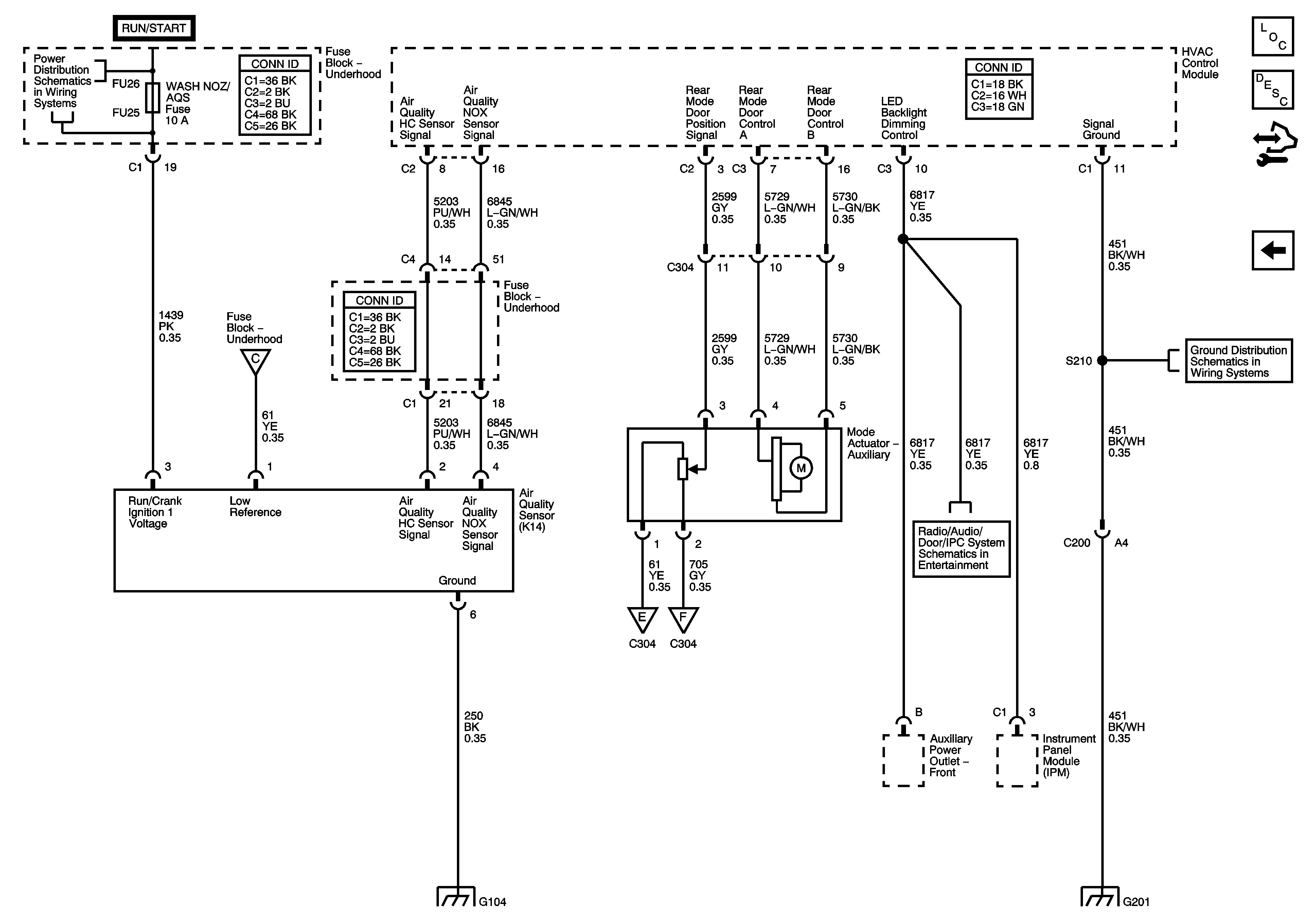
Figure 5:

Air Quality Sensor, Rear Mode Motor


Object Number: 2013372  Size: FS