GM Service Manual Online
For 1990-2009 cars only
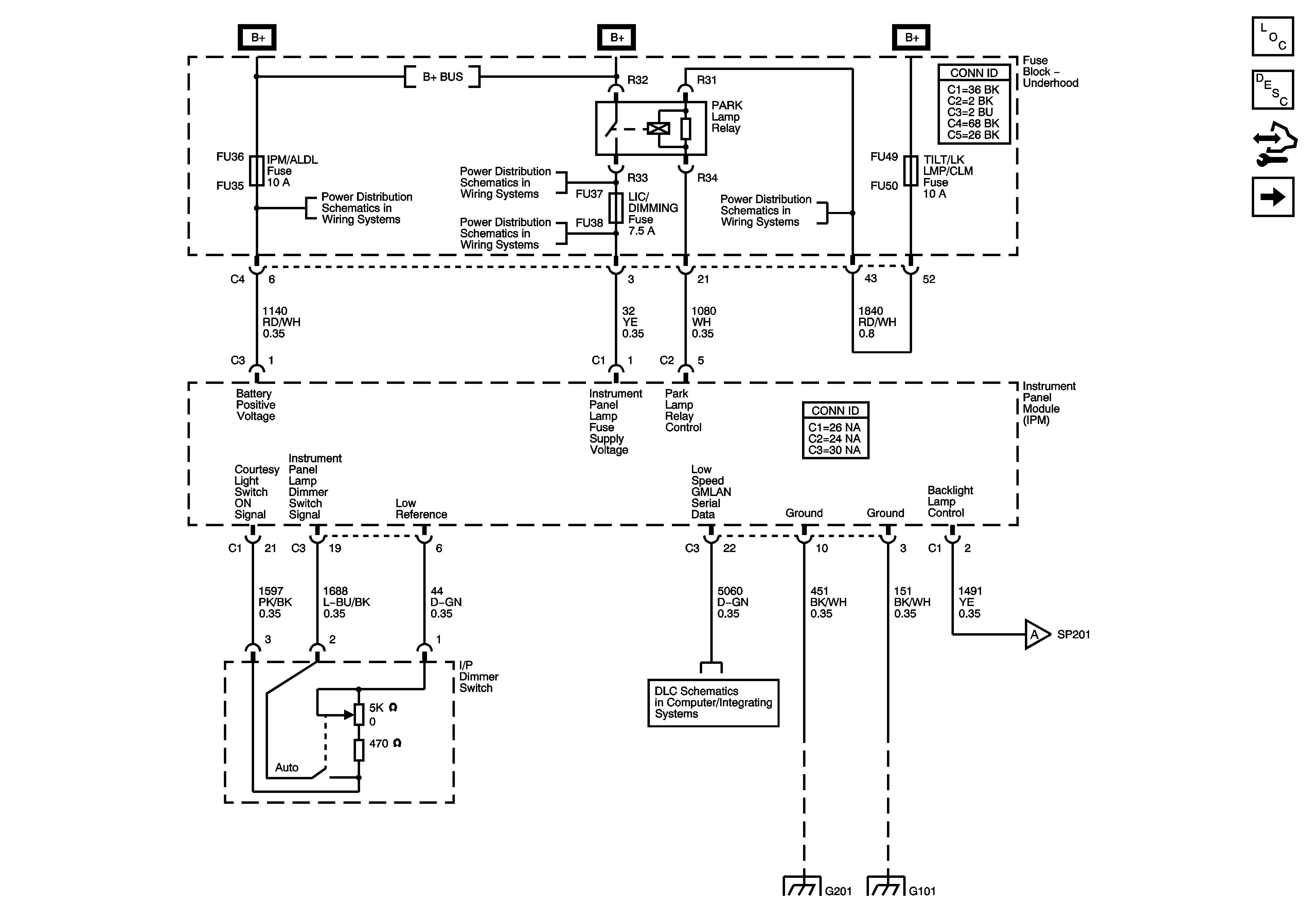
Figure 1:

Power, DLC and DIC/Dimmer Switch


Object Number: 2013133  Size: FS
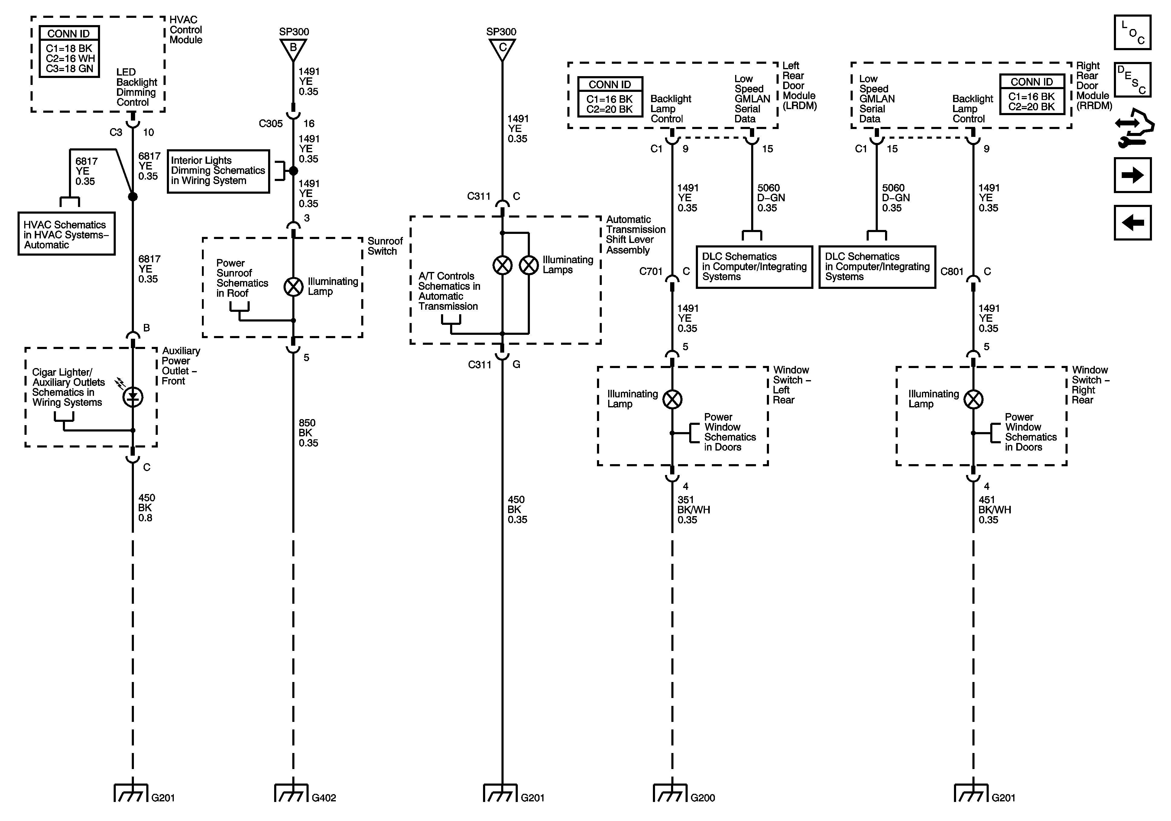
Figure 2:

Dimming Lamps - 1 of 3


Object Number: 2013135  Size: FS
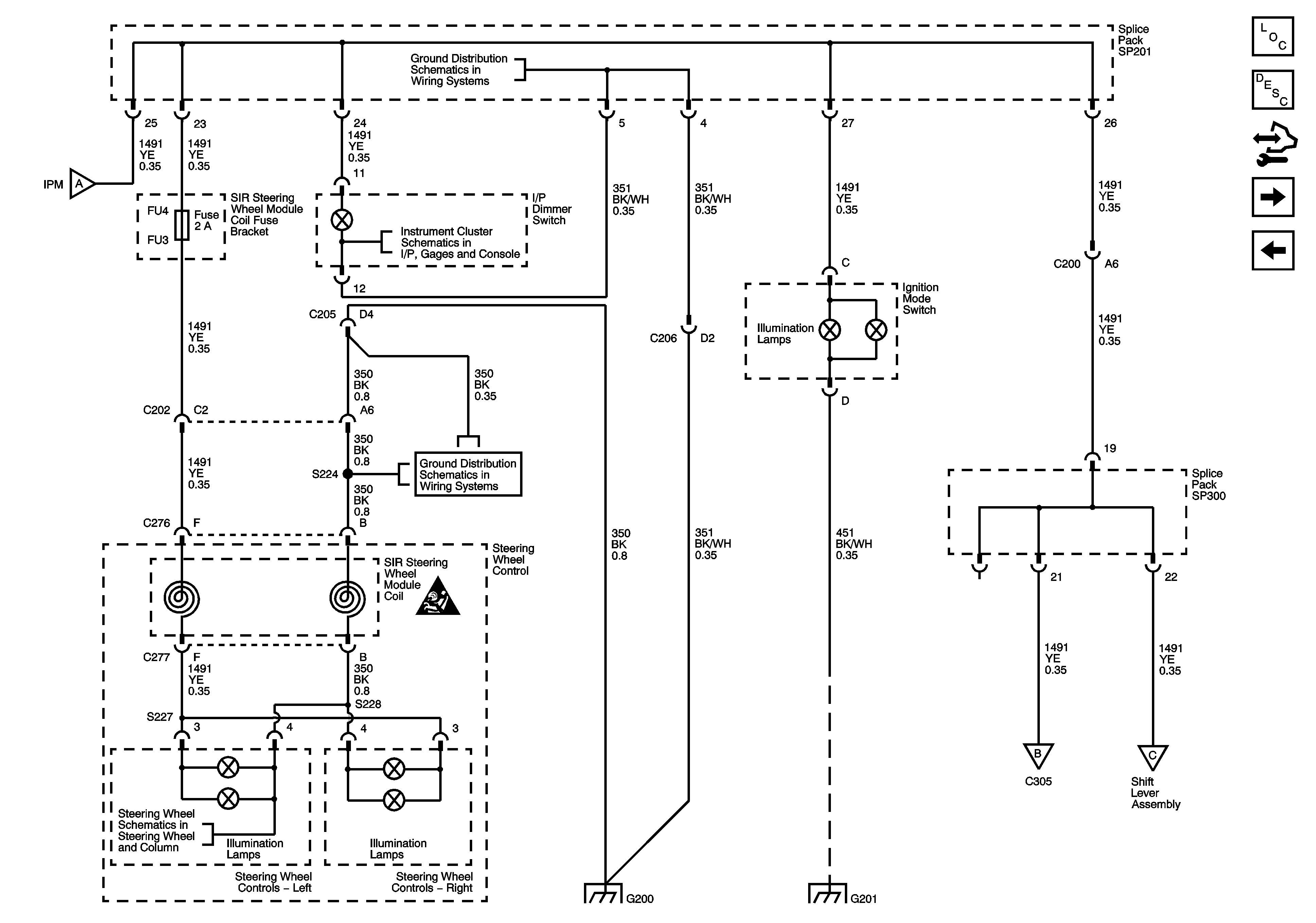
Figure 3:

Dimming Lamps - 2 of 3


Object Number: 2013139  Size: FS
Figure 4:

Dimming Lamps - 3 of 3


Object Number: 2013142  Size: FS