GM Service Manual Online
For 1990-2009 cars only
Makes
🢒
Cadillac
🢒
2008
🢒
SLS
🢒
Body Systems
🢒
Lighting
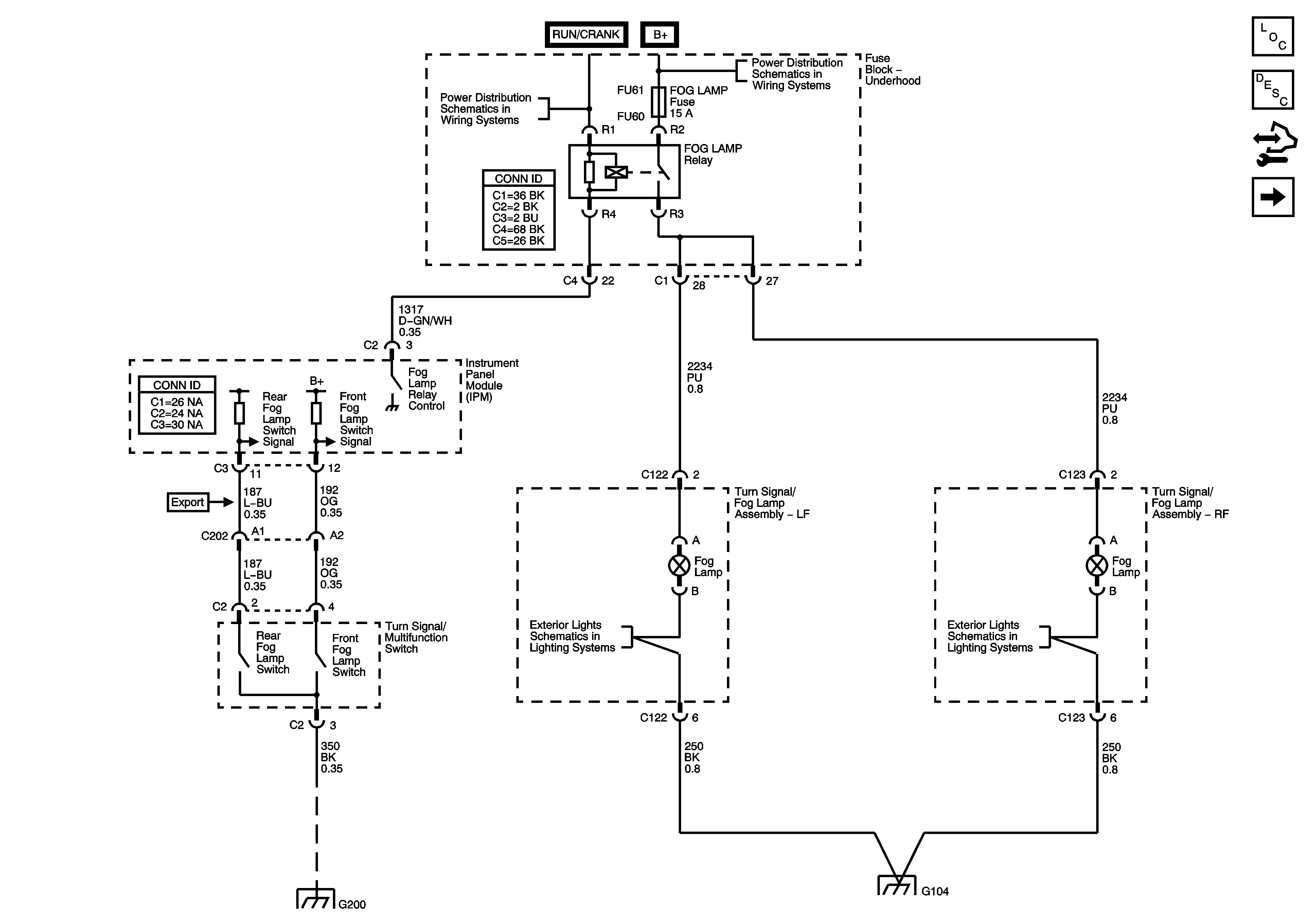
🢒 Fog Lights Schematics
Figure
1:
Front Fog Lamps
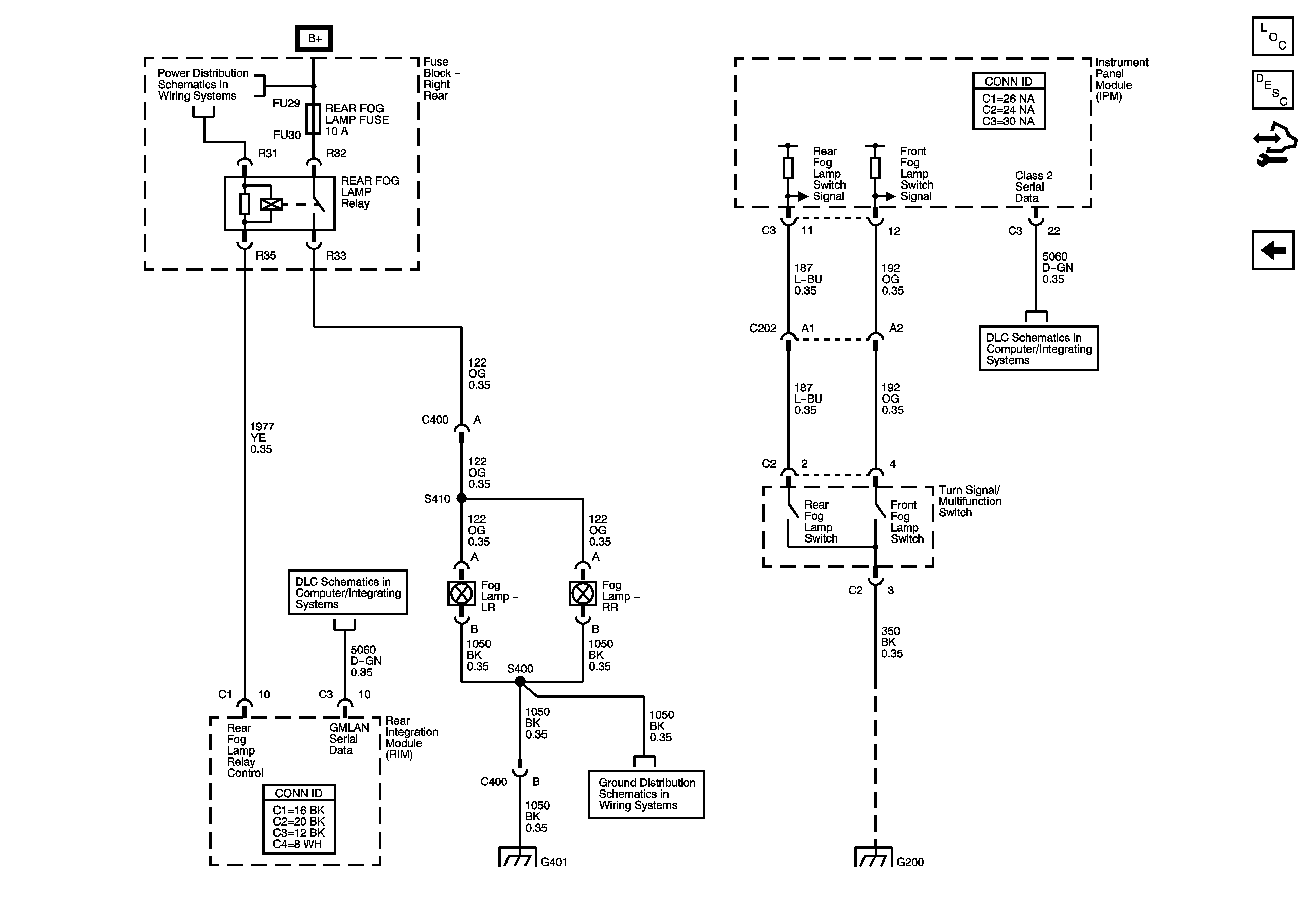
Figure
2:
Rear Fog Lamps