GM Service Manual Online
For 1990-2009 cars only
Figure 1:

Driver Door Lock


Object Number: 2017442  Size: FS
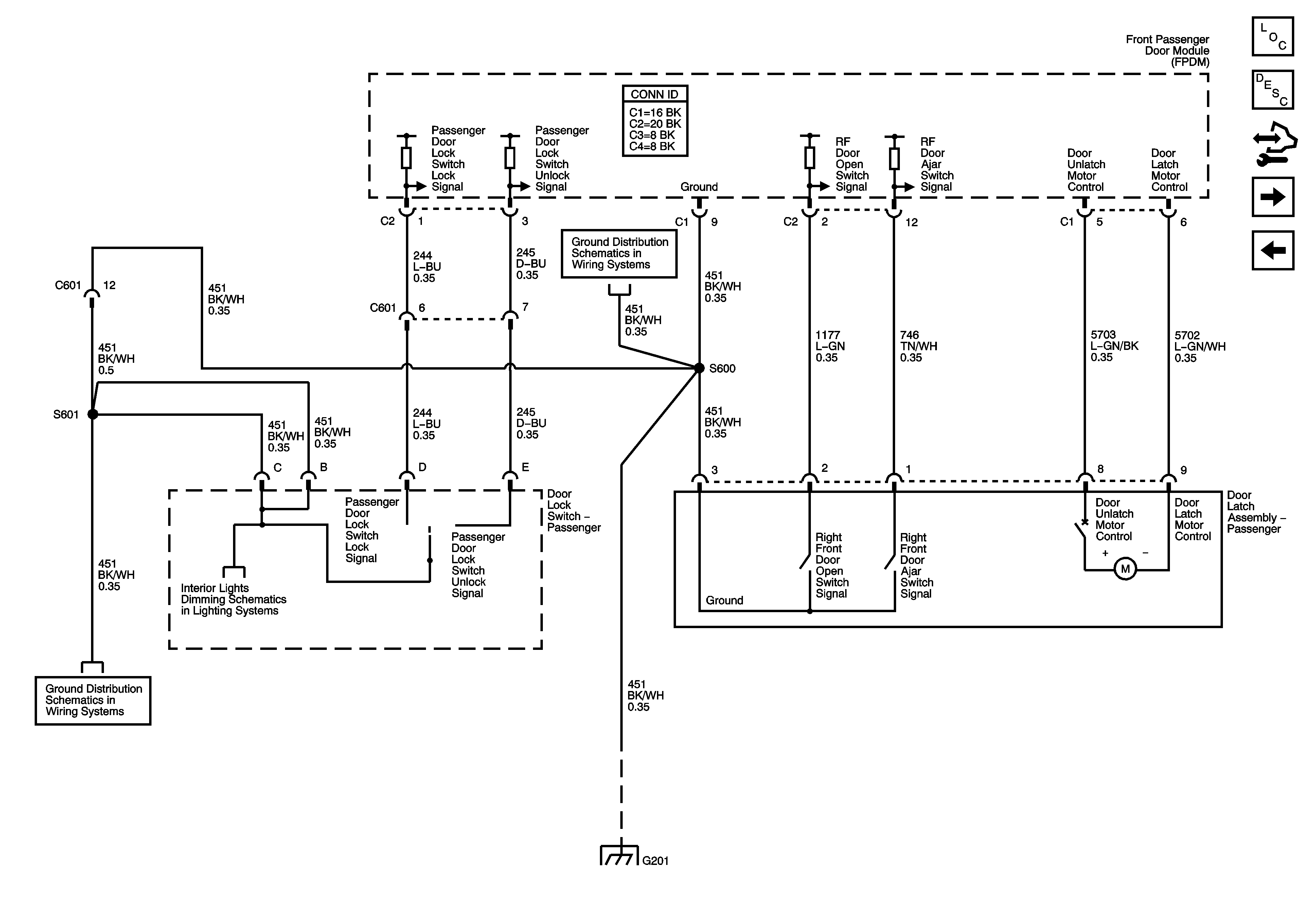
Figure 2:

Front Passenger Door Lock


Object Number: 2017443  Size: FS
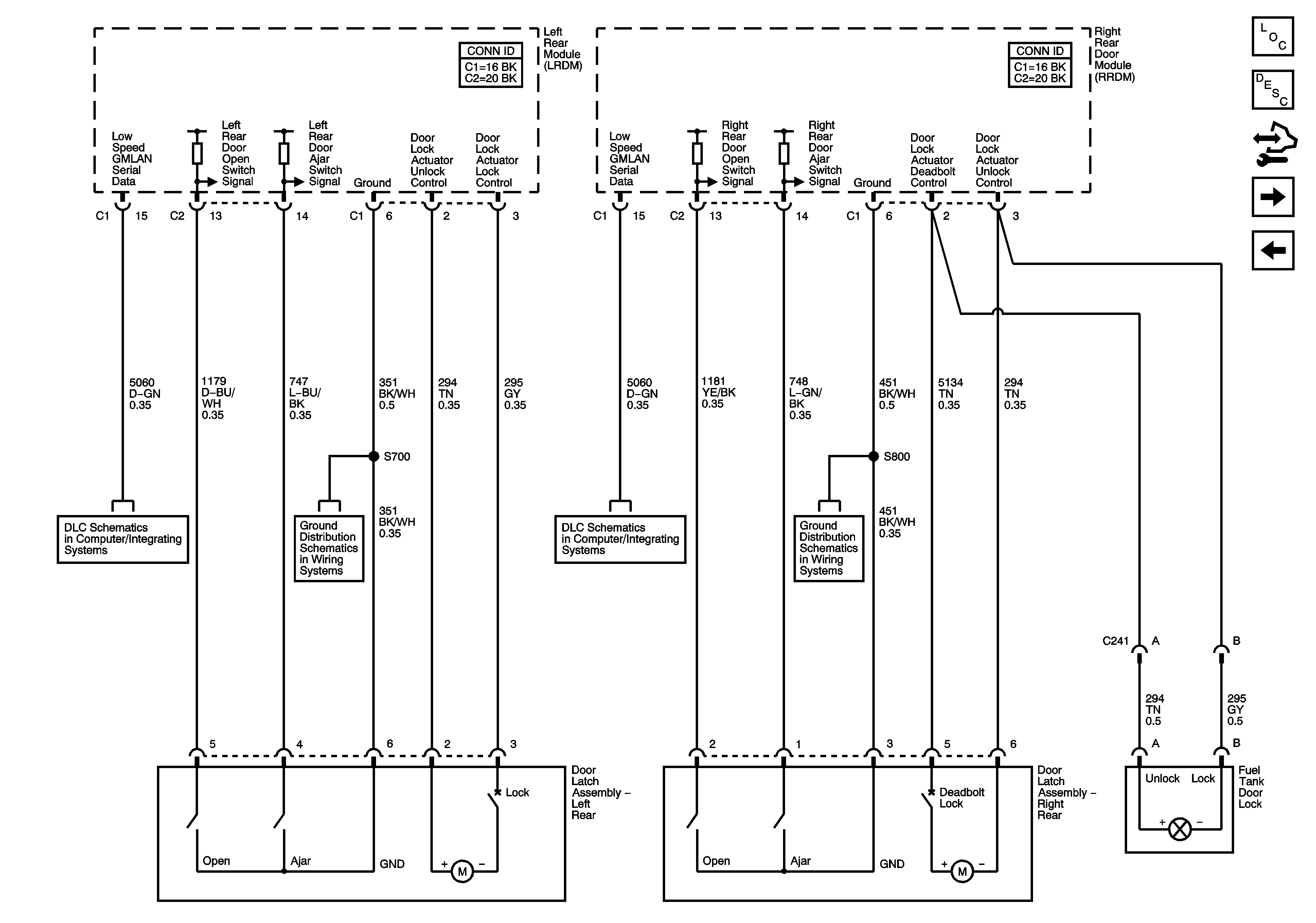
Figure 3:

Left Rear and Right Rear Door Lock


Object Number: 2017444  Size: FS
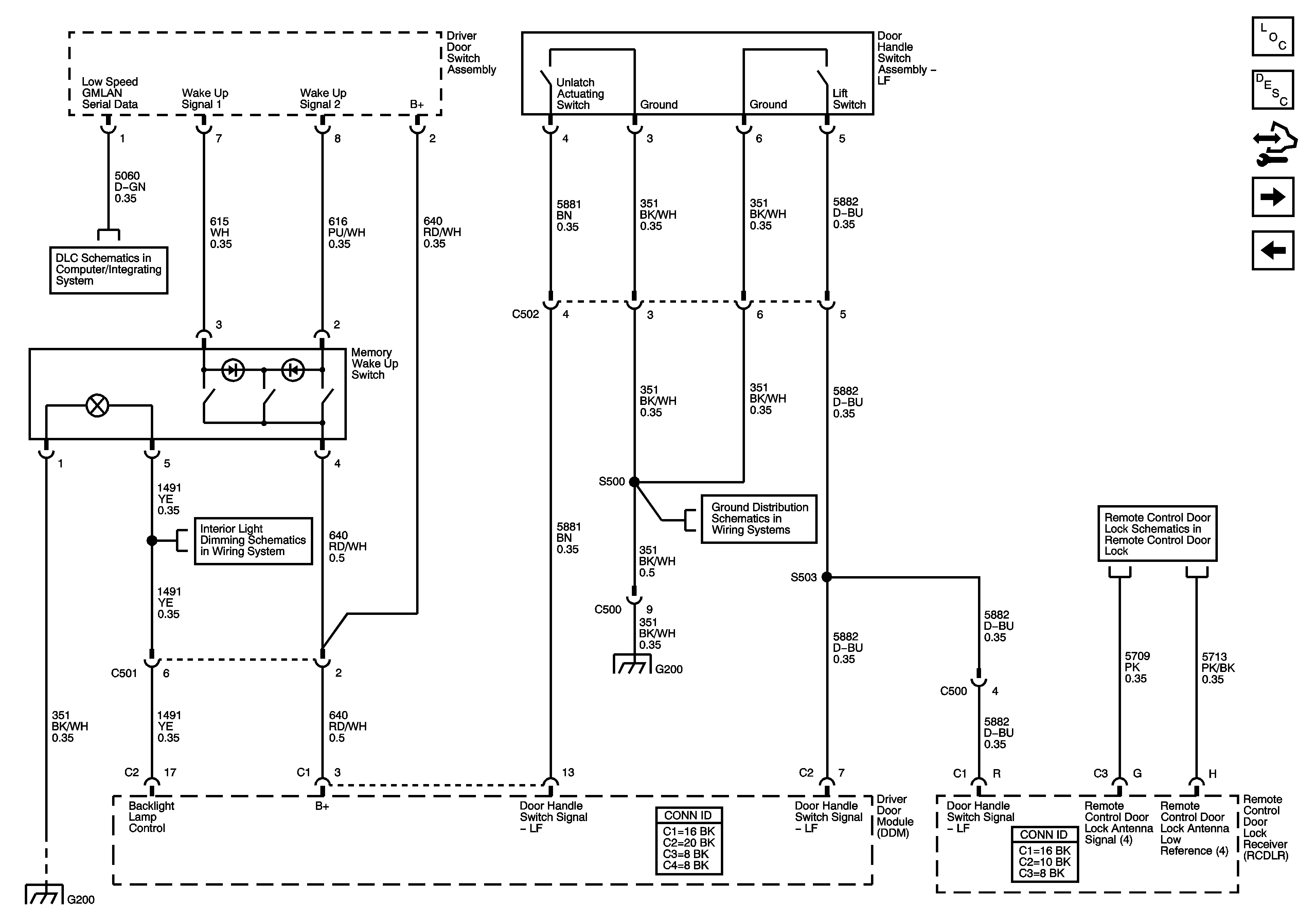
Figure 4:

Left Front Door Handle Assembly, Door Status Indicator - Driver


Object Number: 2017445  Size: FS
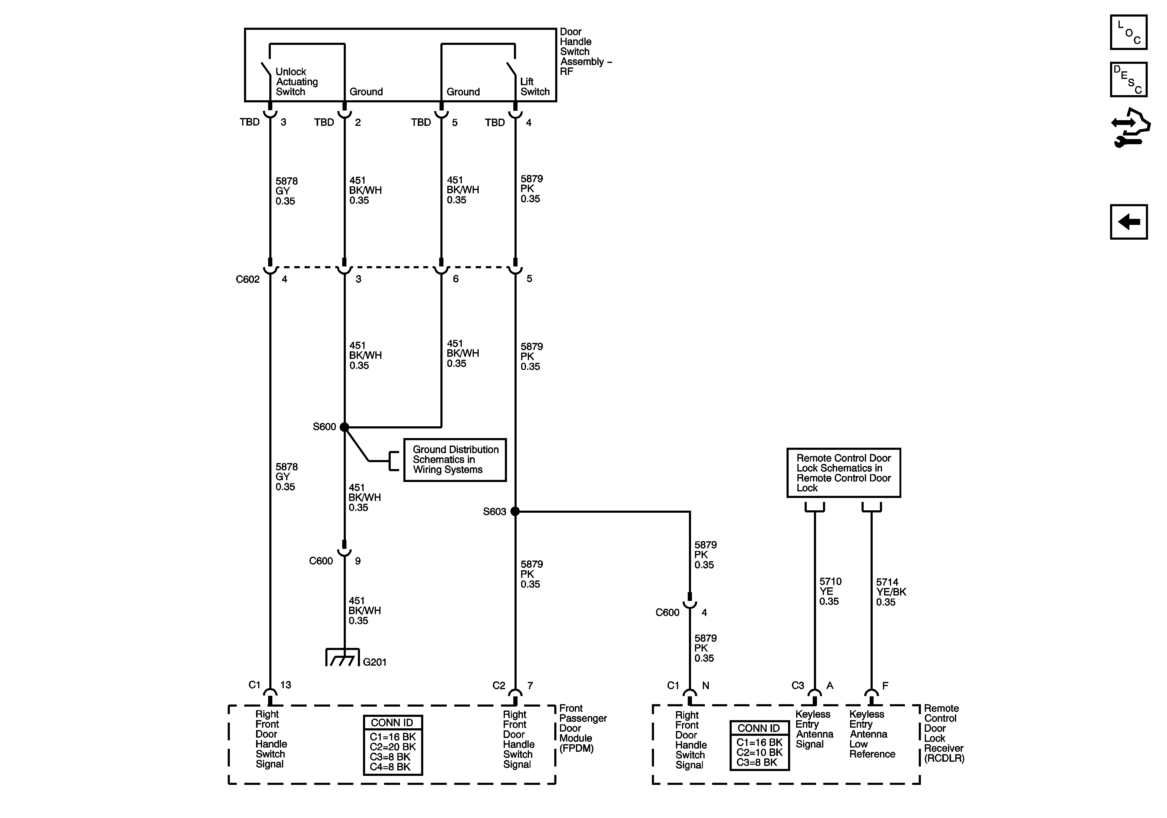
Figure 5:

Right Front Door Handle Assembly, Door Status Indicator - Passenger


Object Number: 2017446  Size: FS