GM Service Manual Online
For 1990-2009 cars only
Makes
🢒
Cadillac
🢒
2008
🢒
SLS
🢒
Driver Information and Entertainment
🢒
Cellular, Entertainment, and Navigation
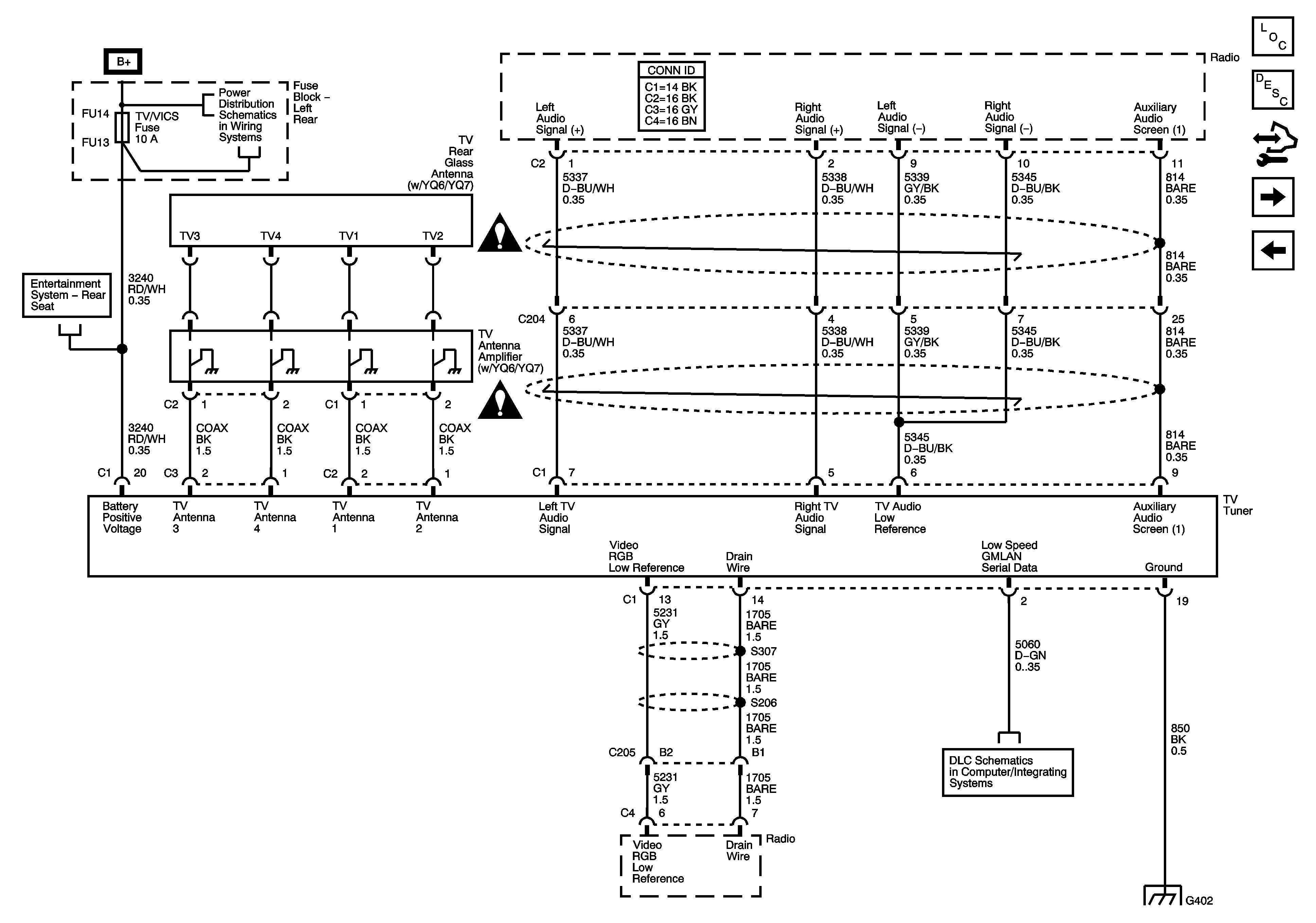
🢒 Radio/Navigation System Schematics
Figure
1:
Audio/Video Adapter
Figure
2:
TV Tuner Assembly
Figure
3:
Microphone, VSS and GPS Antennas