GM Service Manual Online
For 1990-2009 cars only

Removal Procedure

  1. Remove the door trim panel. Refer to Front Side Door Trim Panel Replacement.

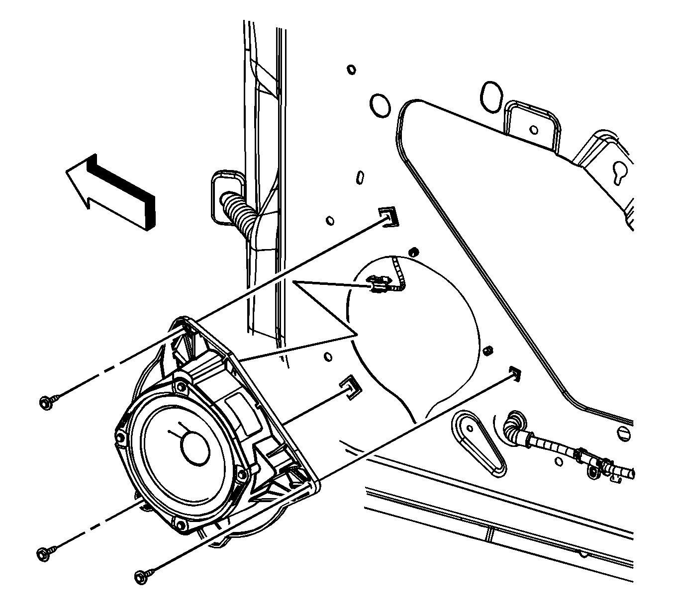
  2. Object Number: 1463917  Size: SH
  3. Disconnect the electrical connector (1).
  4. Remove the screws (3) securing the speaker (2) to the door frame.
  5. Remove the speaker from the door.

Installation Procedure


    Object Number: 1463917  Size: SH
  1. Connect the electrical connector (1).
  2. Notice: Refer to Fastener Notice in the Preface section.

  3. Install the speaker (2) onto the door frame.
  4. Install the screws (3) securing the speaker to the door frame.
  5. Tighten
    Tighten the screws to 2 N·m (18 lb in).

  6. Install the door trim panel. Refer to Front Side Door Trim Panel Replacement.