GM Service Manual Online
For 1990-2009 cars only

Removal Procedure

  1. Remove the front seats. Refer to Driver or Passenger Seat Replacement .
  2. Remove the center floor console. Refer to Front Floor Console Replacement .
  3. Remove the instrument panel center air outlet. Refer to Instrument Panel Center Air Outlet Replacement .
  4. Remove the HVAC control module. Refer to HVAC Module Assembly Replacement .
  5. Remove the radio. Refer to Radio Replacement .
  6. Remove the steering wheel. Refer to Steering Wheel Replacement .
  7. Remove the combination switch. Refer to Turn Signal Multifunction Switch Replacement .
  8. Remove the left knee bolster bracket. Refer to Knee Bolster Bracket Replacement .
  9. Remove the I/P storage compartment. Refer to Instrument Panel Compartment Replacement .

  10. Object Number: 2013560  Size: SH
  11. Remove the left and right trim panels from the instrument panel.

  12. Object Number: 2013562  Size: SH
  13. Remove the left and right air outlets from the instrument panel.
  14. Remove the instrument cluster trim panel. Refer to Instrument Cluster Trim Panel Replacement .
  15. Remove the instrument panel cluster (IPC). Refer to Instrument Cluster Replacement .
  16. Remove the defroster grille. Refer to Defroster Grille Replacement .
  17. Remove the front speaker from the instrument panel. Refer to Front Upper Speaker Replacement .

  18. Object Number: 2013563  Size: SH
  19. Remove the bolts securing the engine lid release handle, and remove the engine lid release handle.

  20. Object Number: 2013564  Size: SH
  21. Remove the bolts securing the left and right ends of the instrument panel retainer to the carrier.

  22. Object Number: 2013565  Size: SH
  23. Remove the bolts securing the passenger side instrument panel retainer.

  24. Object Number: 2013566  Size: SH
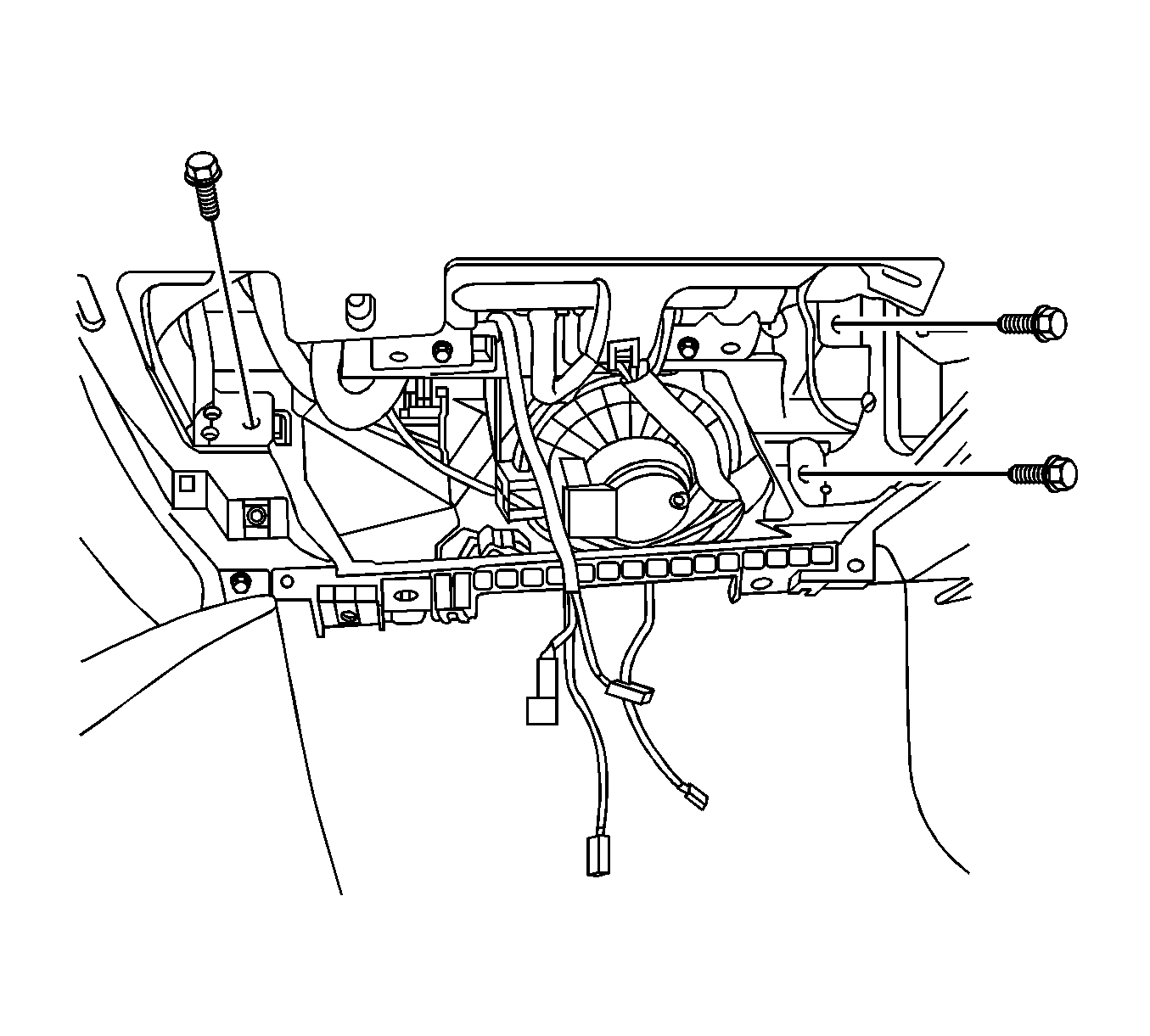
  25. Remove the bolts securing the instrument panel behind the engine lid release handle to the bracket.

  26. Object Number: 2013568  Size: SH
  27. Remove the bolts securing the instrument panel retainer to the bracket.

  28. Object Number: 1438962  Size: SH
  29. Remove the instrument panel (I/P).

Installation Procedure


    Object Number: 1438962  Size: SH
  1. Locate the instrument panel onto the carrier.
  2. Install the I/P wiring harness back to the noted position.
  3. Notice: Refer to Fastener Notice in the Preface section.


    Object Number: 2013568  Size: SH
  4. Install the bolts securing the instrument panel retainer to the bracket.
  5. Tighten
    Tighten the bolts to 10 N·m (90 lb in).


    Object Number: 2013566  Size: SH
  6. Install the bolts securing the instrument panel behind the engine lid release handle to the bracket. (2 bolts)
  7. Tighten
    Tighten the screws to 9 N·m (90 lb in).


    Object Number: 2013565  Size: SH
  8. Remove the bolts securing the passenger side instrument panel retainer.
  9. Tighten
    Tighten the screws to 10 N·m (90 lb in).


    Object Number: 2013564  Size: SH
  10. Install the bolts securing the left and right ends of the instrument panel retainer to the bracket.
  11. Tighten
    Tighten the screws to 10 N·m (90 lb in).


    Object Number: 2013563  Size: SH
  12. Install the bolts securing the engine lid release handle in order to install the engine lid release handle.
  13. Install the front speaker to the I/P. Refer to Front Upper Speaker Replacement .
  14. Install the defroster grille. Refer to Defroster Grille Replacement .
  15. Install the I/P cluster (IPC). Refer to Instrument Cluster Replacement .
  16. Install the instrument cluster trim panel. Refer to Instrument Cluster Trim Panel Replacement .

  17. Object Number: 2013562  Size: SH
  18. Install the left and right air outlets to the instrument panel.

  19. Object Number: 2013560  Size: SH
  20. Install the left and right trim panels to the instrument panel.
  21. Install the instrument panel compartment. Refer to Instrument Panel Compartment Replacement .
  22. Install the left knee bolster bracket. Refer to Knee Bolster Bracket Replacement .
  23. Install the combination switch. Refer to Turn Signal Multifunction Switch Replacement .
  24. Install the steering wheel. Refer to Steering Wheel Replacement .
  25. Install the radio. Refer to Radio Replacement .
  26. Install the HVAC control module. Refer to HVAC Module Assembly Replacement .
  27. Install the instrument panel center air outlet. Refer to Instrument Panel Center Air Outlet Replacement .
  28. Install the center floor console. Refer to Front Floor Console Replacement .
  29. Install the front seats. Refer to Driver or Passenger Seat Replacement .