GM Service Manual Online
For 1990-2009 cars only
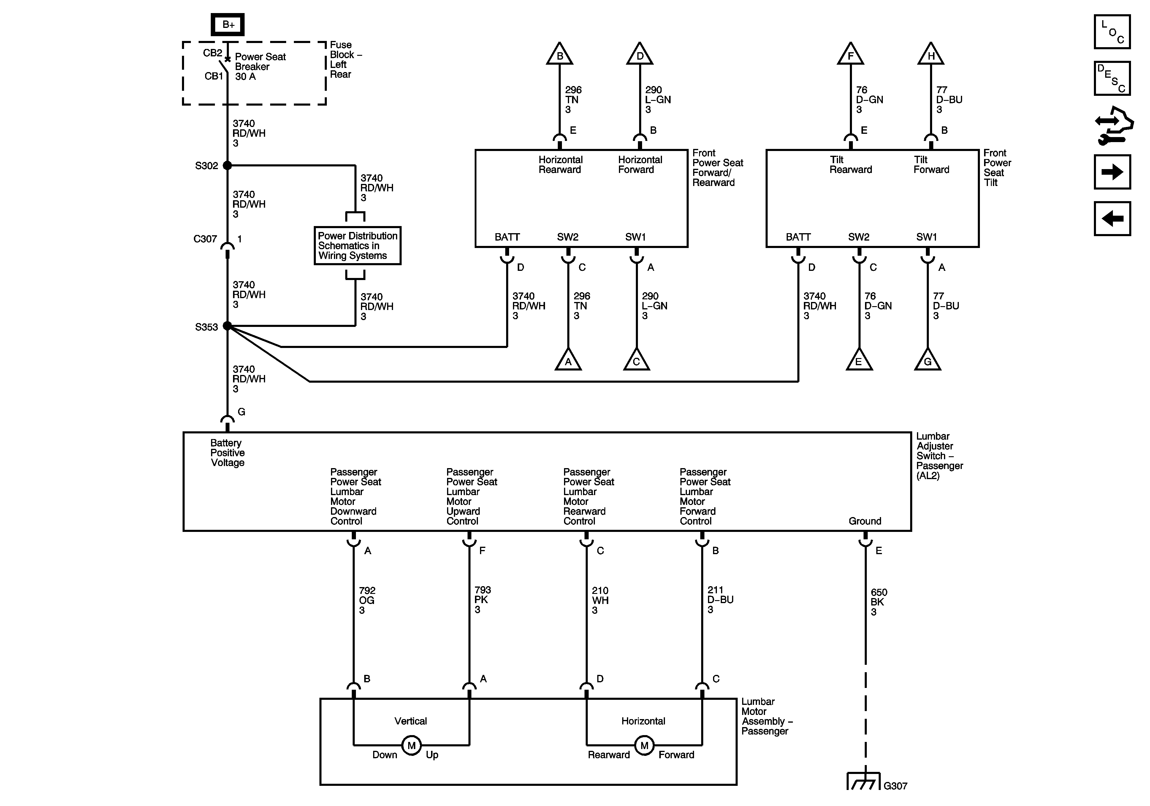
Figure 1:

Power Seat


Object Number: 2018442  Size: FS
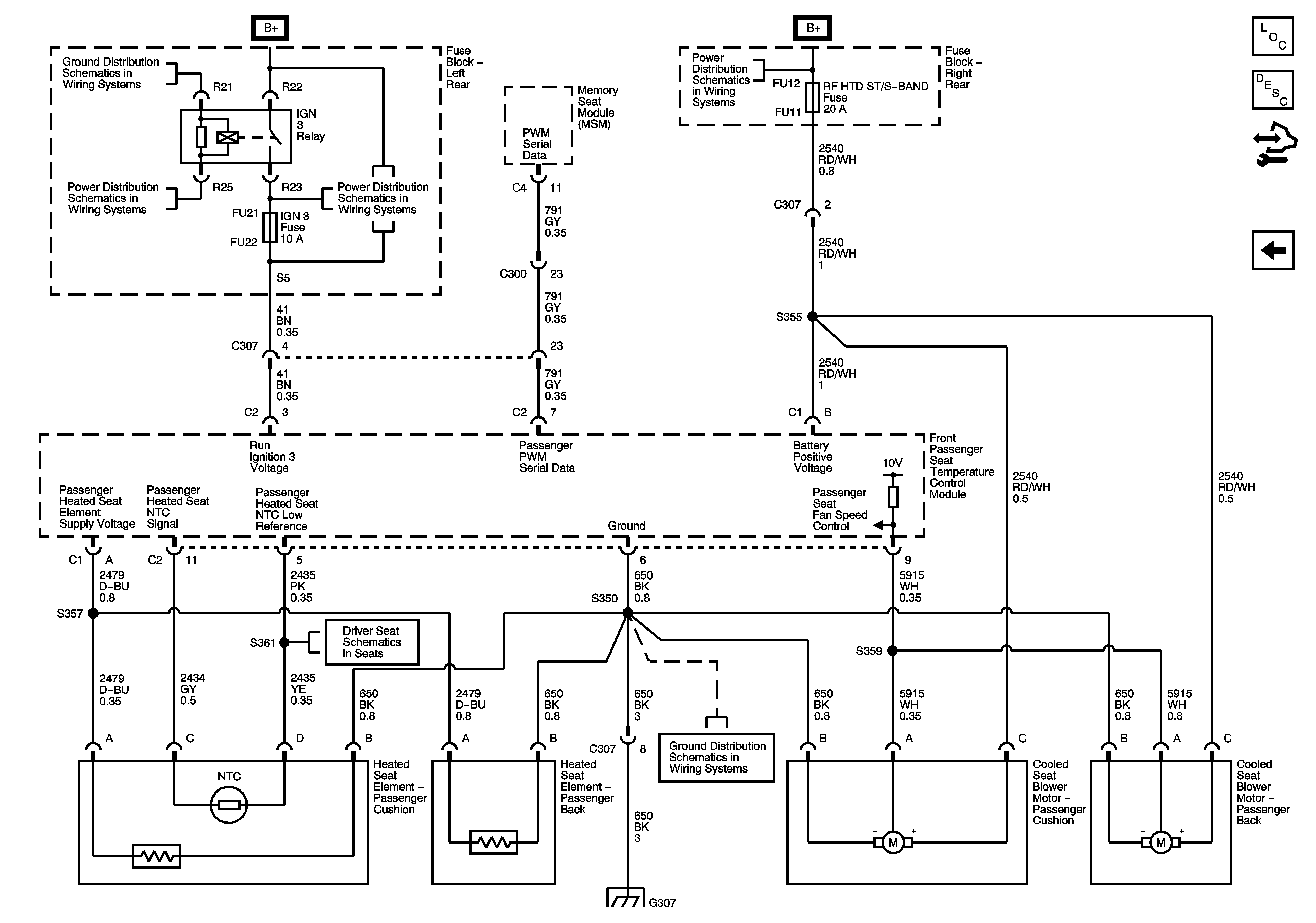
Figure 2:

Lumbar Switch and Motor


Object Number: 2018445  Size: FS
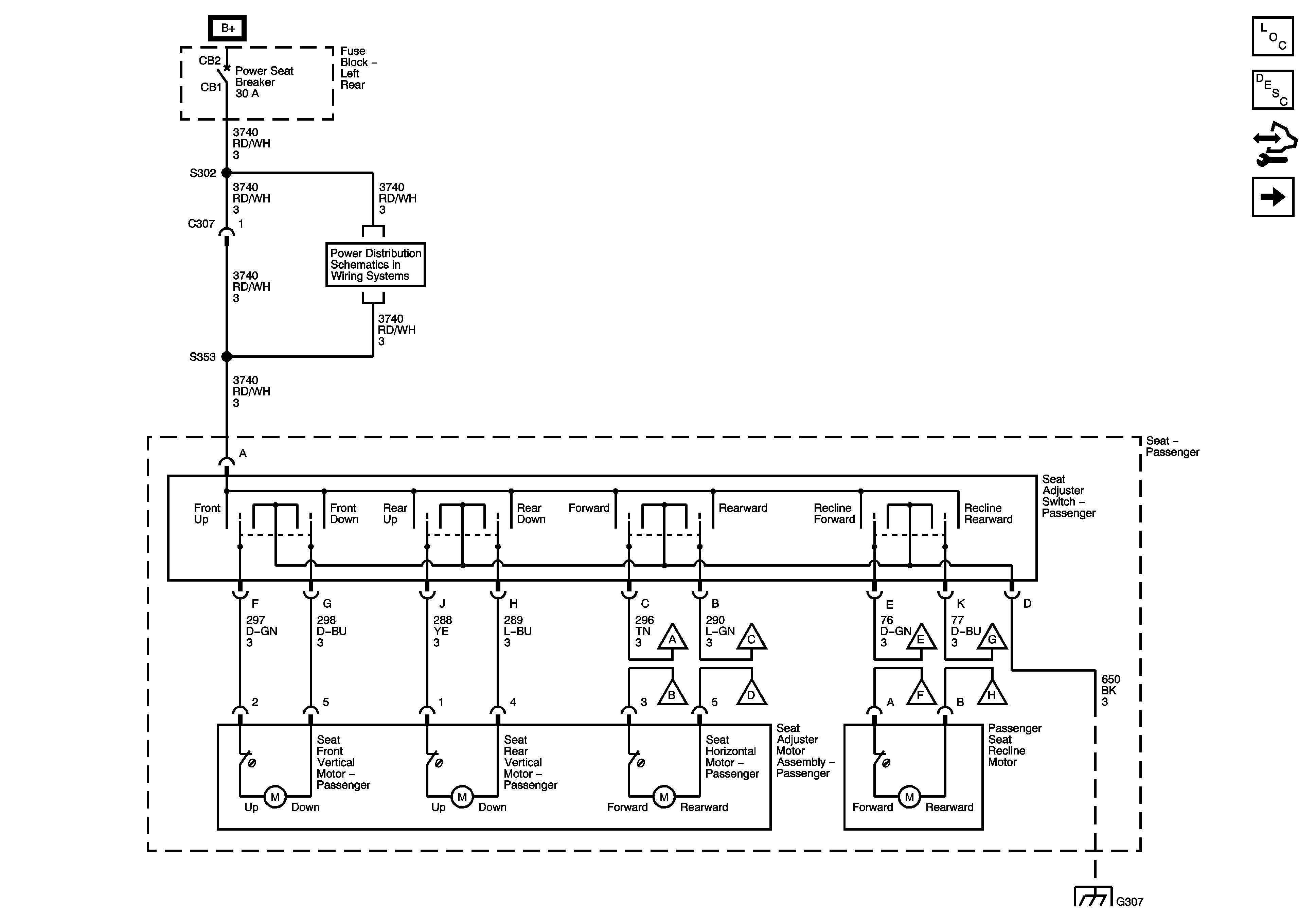
Figure 3:

Heated/Cooled Seat


Object Number: 2018446  Size: FS