GM Service Manual Online
For 1990-2009 cars only
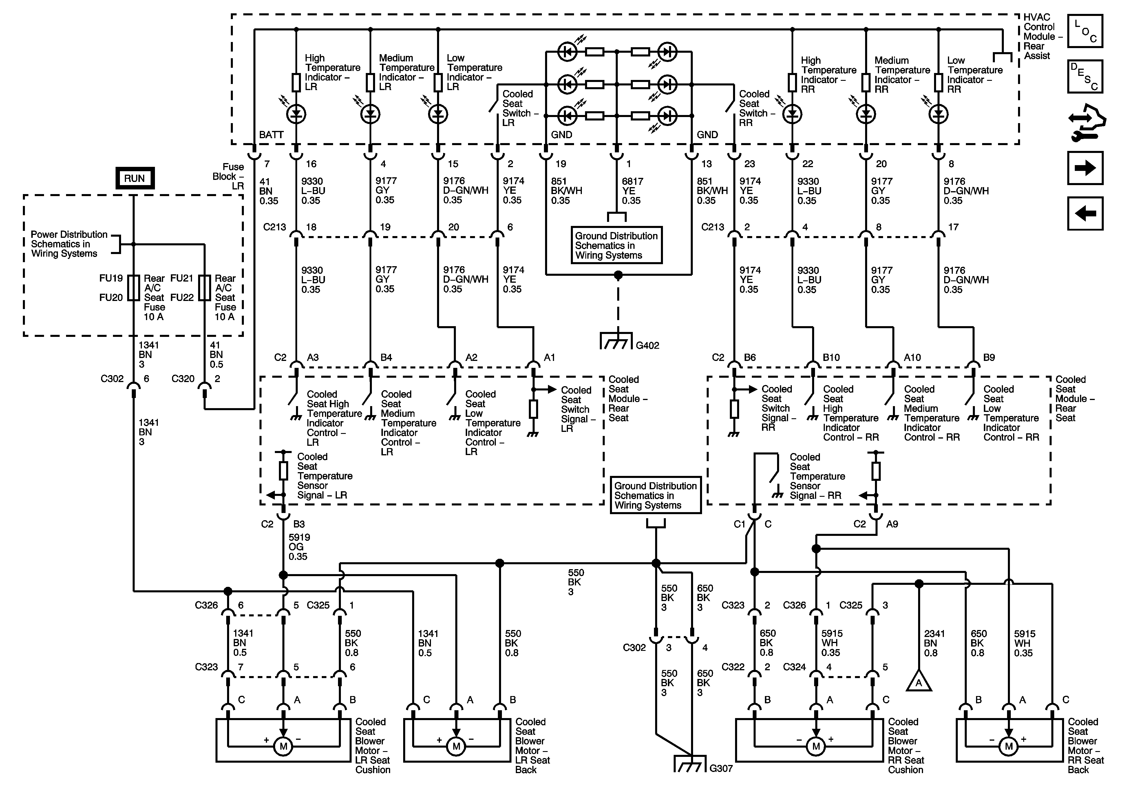
Figure 1:

Heated/Cooled Seat 1 of 2


Object Number: 2018450  Size: FS
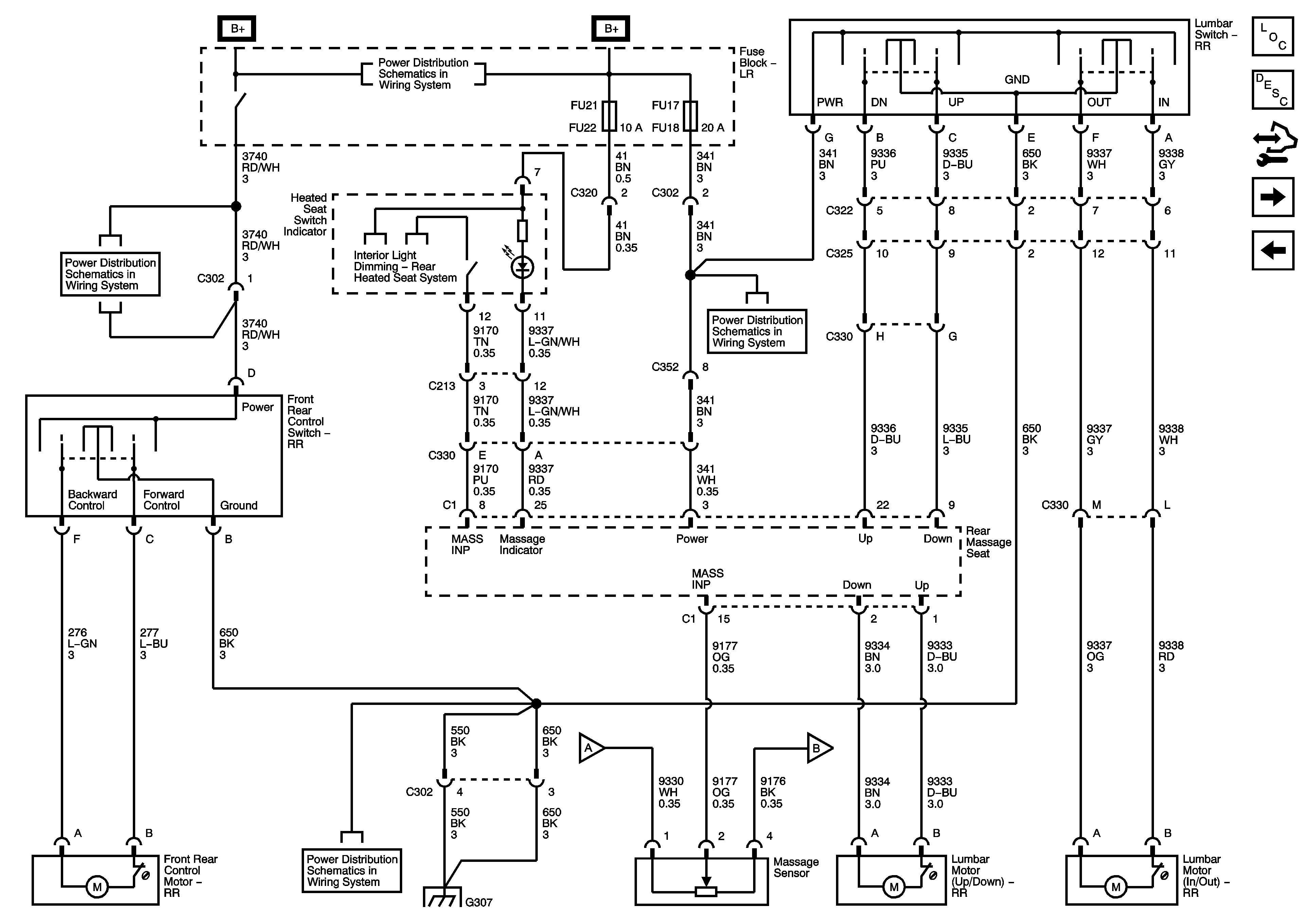
Figure 2:

Heated/Cooled Seat 2 of 2


Object Number: 2018451  Size: FS
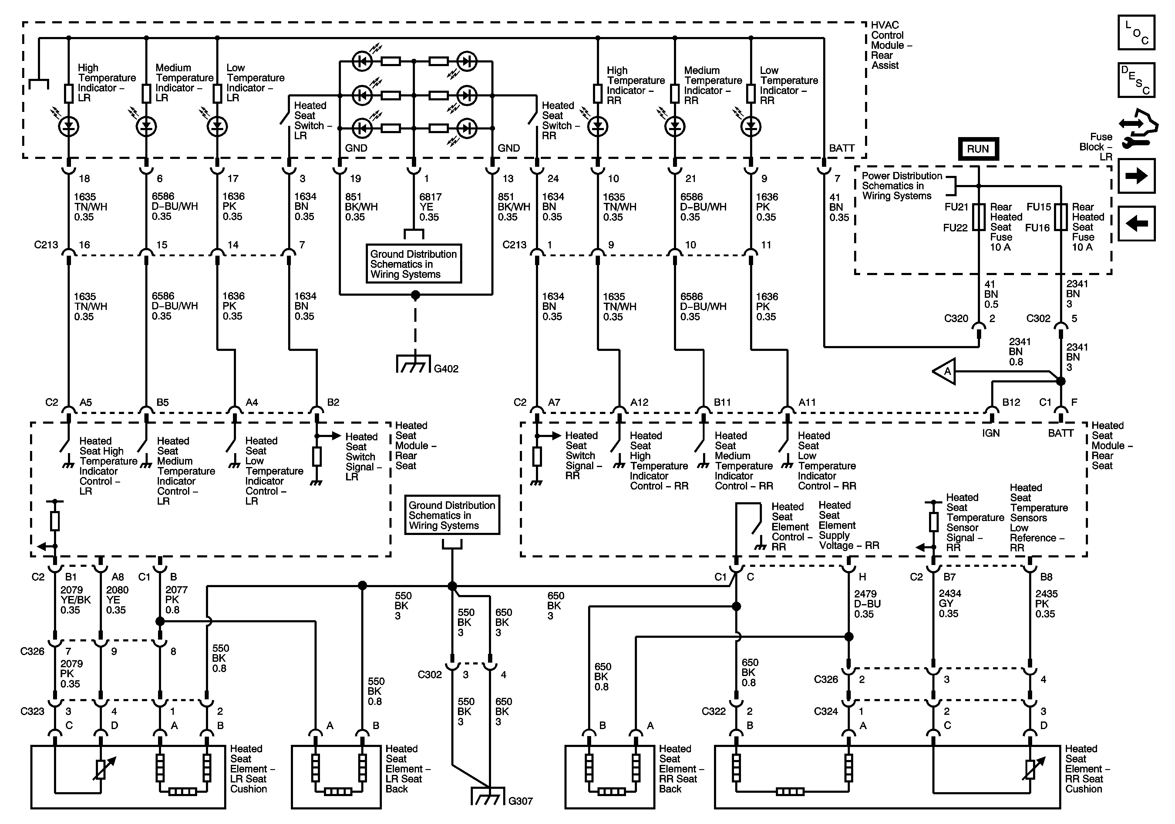
Figure 3:

Rear Massage Seat 1 of 2


Object Number: 2018452  Size: FS
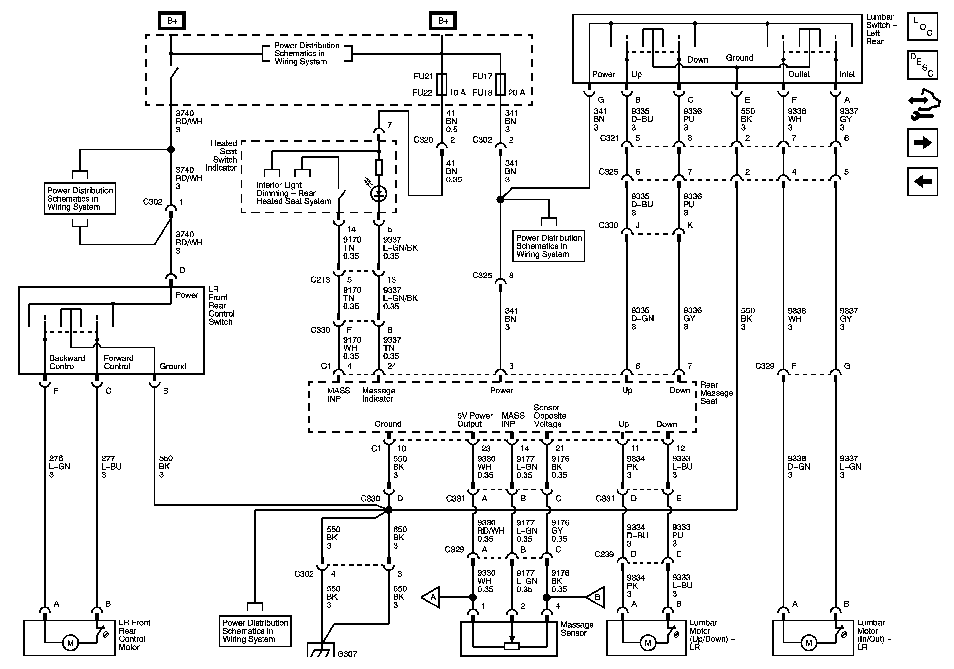
Figure 4:

Rear Massage Seat 2 of 2


Object Number: 2018453  Size: FS