GM Service Manual Online
For 1990-2009 cars only
Connector 1: Airbag Side Impact Sensor (SIS) - Left
Connector 2: Airbag Side Impact Sensor (SIS) - Right
Connector 3: AOS Display
Connector 4: Inflatable Restraint Front End Sensor - Left
Connector 5: Inflatable Restraint Front End Sensor - Right
Connector 6: Inflatable Restraint I/P Module
Connector 7: Inflatable Restraint Passenger Side System Module
Connector 8: Inflatable Restraint Roof Rail Module - Left
Connector 9: Inflatable Restraint Roof Rail Module - Right
Connector 10: Inflatable Restraint Seat Belt Pretensioner - Left Front
Connector 11: Inflatable Restraint Seat Belt Pretensioner - Right Front
Connector 12: Inflatable Restraint Steering Wheel Module C1
Connector 13: SIR Sensing and Diagnostic Module (SDM)

Airbag Side Impact Sensor (SIS) - Left


Object Number: 1282936  Size: CH

Connector Part Information

  • OEM: 15356724
  • Service: 15306418
  • Description: 2-Way F GT 150 Series (YE)

Airbag Side Impact Sensor (SIS) - Left

Pin

Wire

Circuit

Function

A

WH

2132

Left Front Side Impact Sensing Module Signal

B

YE

2131

Left Front Side Impact Sensing Module Signal Voltage

Airbag Side Impact Sensor (SIS) - Right


Object Number: 1282936  Size: CH

Connector Part Information

  • OEM: 15356724
  • Service: 15306418
  • Description: 2-Way F GT 150 Series (YE)

Airbag Side Impact Sensor (SIS) - Right

Pin

Wire

Circuit

Function

A

D-GN

2134

Right Front Side Impact Sensing Module Signal

B

TN

2133

Right Front Side Impact Sensing Module Signal Voltage

AOS Display


Object Number: 1590156  Size: CH

Connector Part Information

  • OEM: 15398877
  • Description: 5-Way F (BK)

AOS Display

Pin

Wire

Circuit

Function

1

D-BU

2307

Passenger Airbag ON Control Signal

2

BK/WH

851

Ground

3

D-GN

2308

Passenger Airbag OFF Control Signal

4

PK

1139

Ignition 1 Voltage

5

PU

5234

Passenger Seat Belt Signal

Inflatable Restraint Front End Sensor - Left


Object Number: 744055  Size: CH

Connector Part Information

  • OEM: 15356722
  • Service: 15306405
  • Description: 2-Way F GT 150 Series Sealed 4.0 (YE)

Inflatable Restraint Front End Sensor - Left

Pin

Wire

Circuit

Function

A

TN/OG

5045

Left Front Discriminating Sensor Low Reference

B

YE

1834

SIR Forward Sensor Signal

Inflatable Restraint Front End Sensor - Right


Object Number: 744055  Size: CH

Connector Part Information

  • OEM: 15356722
  • Service: 15306405
  • Description: 2-Way F GT 150 Series Sealed 4.0 (YE)

Inflatable Restraint Front End Sensor - Right

Pin

Wire

Circuit

Function

A

D-GN

1409

Right Front Discriminating Sensor Signal

B

GY

5600

Right Front Discriminating Sensor Low Reference

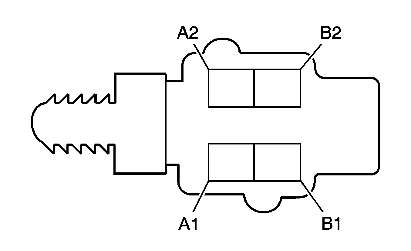
Inflatable Restraint I/P Module


Object Number: 2020851  Size: CH

Connector Part Information

  • OEM: 15336476
  • Description: 4-Way F (GY)

Inflatable Restraint I/P Module

Pin

Wire

Circuit

Function

A1

WH/BK

1403

I/P Module - C1 - High Control

A2

D-GN/WH

1404

I/P Module - C1 - Low Control

B1

GY

3027

I/P Module - C2 - High Control

B2

PU

3026

I/P Module - C2 - Low Control

Inflatable Restraint Passenger Side System Module


Object Number: 1464340  Size: CH

Connector Part Information

  • OEM: 15332142
  • Description: 6-Way M (BK)

Inflatable Restraint Passenger Side System Module

Pin

Wire

Circuit

Function

A

PK

1139

Ignition 1 Voltage

B

PK

5018

Automatic Inflation Signal

C

D-BU

2307

Airbag ON Signal

D

BK/WH

1751

Ground

E

D-GN

2308

Airbag OFF Signal

F

--

--

Not Used

Inflatable Restraint Roof Rail Module - Left


Object Number: 2020852  Size: CH

Connector Part Information

  • OEM: 13530239
  • Description: 2-Way F Amphenol (YE/PU)

Inflatable Restraint Roof Rail Module - Left

Pin

Wire

Circuit

Function

1

PU/WH

5019

Left Front Head Curtain Module High Control

2

PK

5020

Left Front Head Curtain Module Low Control

Inflatable Restraint Roof Rail Module - Right


Object Number: 2020852  Size: CH

Connector Part Information

  • OEM: 13530238
  • Description: 2-Way F Amphenol (YE/PU)

Inflatable Restraint Roof Rail Module - Right

Pin

Wire

Circuit

Function

1

YE/BK

5021

Right Front Head Curtain Module High Control

2

WH/BK

5022

Right Front Head Curtain Module Low Control

Inflatable Restraint Seat Belt Pretensioner - Left Front


Object Number: 2020854  Size: CH

Connector Part Information

  • OEM: 15304649
  • Description: 6-Way F (YE)

Inflatable Restraint Seat Belt Pretensioner - Left Front

Pin

Wire

Circuit

Function

A

TN/WH

2118

Seat Belt Pretensioner - Left - High Control

B

--

--

Not Used

C

D-GN

2105

Side Impact Module - Left Front - High Control

D

BN

2106

Side Impact Module - Left Front - Low Control

E

--

--

Not Used

F

OG/BK

2119

Seat Belt Pretensioner - Left - Low Control

Inflatable Restraint Seat Belt Pretensioner - Right Front


Object Number: 2020854  Size: CH

Connector Part Information

  • OEM: 15304649
  • Description: 2-Way F (PU) with (YE) Case

Inflatable Restraint Seat Belt Pretensioner - Right Front

Pin

Wire

Circuit

Function

A

L-GN

2116

Seat Belt Pretensioner - Right - High Control

B

--

--

Not Used

C

GY

2103

Side Impact Module - Right Front - High Control

D

D-BU

2104

Side Impact Module - Right Front - Low Control

E

--

--

Not Used

F

OG

2117

Seat Belt Pretensioner - Right - Low Control

Inflatable Restraint Steering Wheel Module C1


Object Number: 2020855  Size: CH

Connector Part Information

  • OEM: 15336476
  • Description: 4-Way F (YE)

Inflatable Restraint Steering Wheel Module C1

Pin

Wire

Circuit

Function

A1

TN

3021

Steering Wheel Module - C1 - High Control

A2

BN

3020

Steering Wheel Module - C1 - Low Control

B1

WH

3023

Steering Wheel Module - C2 - High Control

B2

PK

3022

Steering Wheel Module - C2 - Low Control

SIR Sensing and Diagnostic Module (SDM)


Object Number: 1420768  Size: CH

Connector Part Information

  • OEM: 13536292
  • Description: 60-Way F (BU)

SIR Sensing and Diagnostic Module (SDM)

Pin

Wire

Circuit

Function

1

RD/WH

940

Battery Power

2

D-GN

5060

Low Speed GMLAN Serial Data

3

PK

5017

Drivers Seat Belt Switch Low Voltage

4

TN/WH

238

Driver Salt Belt Switch Signal

5

--

--

Not Used

6

TN/WH

238

Driver Seat Belt Switch Signal

7

--

--

Not Used

8

PK

5020

Left Front Head Curtain Module Low Control

9

PU/WH

5019

Left Front Head Curtain Module High Control

10

YE/BK

5021

Right Front Head Curtain Module High Control

11

WH/BK

5022

Right Front Head Curtain Module Low Control

12

PU

3026

Passenger Side I/P Module - C2 - Low Control

13

GY

3027

Passenger Side I/P Module - C2 - High Control

14

TN

3021

Steering Wheel Module - C1 - High Control

15

BN

3020

Steering Wheel Module - C1 - Low Control

16

PK

3022

Steering Wheel Module - C2 - Low Control

17

WH

3023

Steering Wheel Module - C2 - High Control

18

WH/BK

1403

Passenger Side I/P Module - High Control

19

D-GN/WH

1404

Passenger Side I/P Module - Low Control

20

D-BU

2104

Side Impact Module - Right - Low Control

21

GY

2103

Side Impact Module - Right - High Control

22

D-GN

2105

Side Impact Module - Left - High Control

23

BN

2106

Side Impact Module - Left - Low Control

24-30

--

--

Not Used

31

BK/WH

1751

Ground

32

D-GN

5060

Low Seed GMLAN Serial Data

33

PK

1139

Run/Ignition 1 Voltage

34-35

--

--

Not Used

36

D-GN

1409

Right Front Discriminating Sensor Signal

37

GY

5600

Right Front Discriminating Sensor Signal Low Reference

38

YE

1834

SIR Forward Sensor Signal (1)

39

TN/OG

5045

Left Front Discriminating Sensor Low Reference

40-45

--

--

Not Used

46

YE

2131

Left Front Side Impact Sensing Module Signal Voltage

47

WH

2132

Left Front Side Impact Sensing Module Signal

48

D-GN

2134

Right Front Side Impact Sensing Module Signal

49

TN

2133

Right Front Side Impact Sensing Module Signal Voltage

50-51

--

--

Not Used

52

L-GN

2116

Passenger Seat Belt Pretensioner - High Control

53

OG

2117

Passenger Seat Belt Pretensioner - Low Control

54-55

--

--

Not Used

56

TN/WH

2118

Driver Seat Belt Pretensioner - High Control

57

OG/BK

2119

Driver Seat Belt Pretensioner - Low Control

58-59

--

--

Not Used

60

PK

5018

Automatic Inflation Signal