GM Service Manual Online
For 1990-2009 cars only
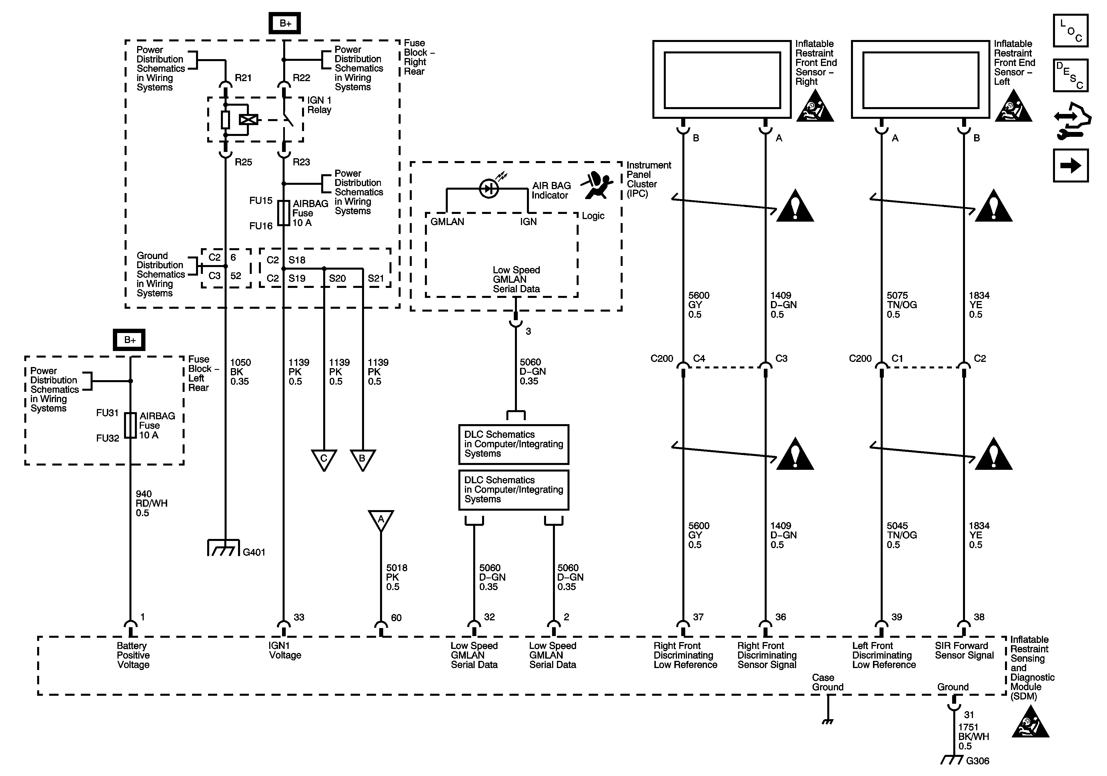
Figure 1:

Power, Ground, Indicator and Front End Sensors


Object Number: 2020837  Size: FS
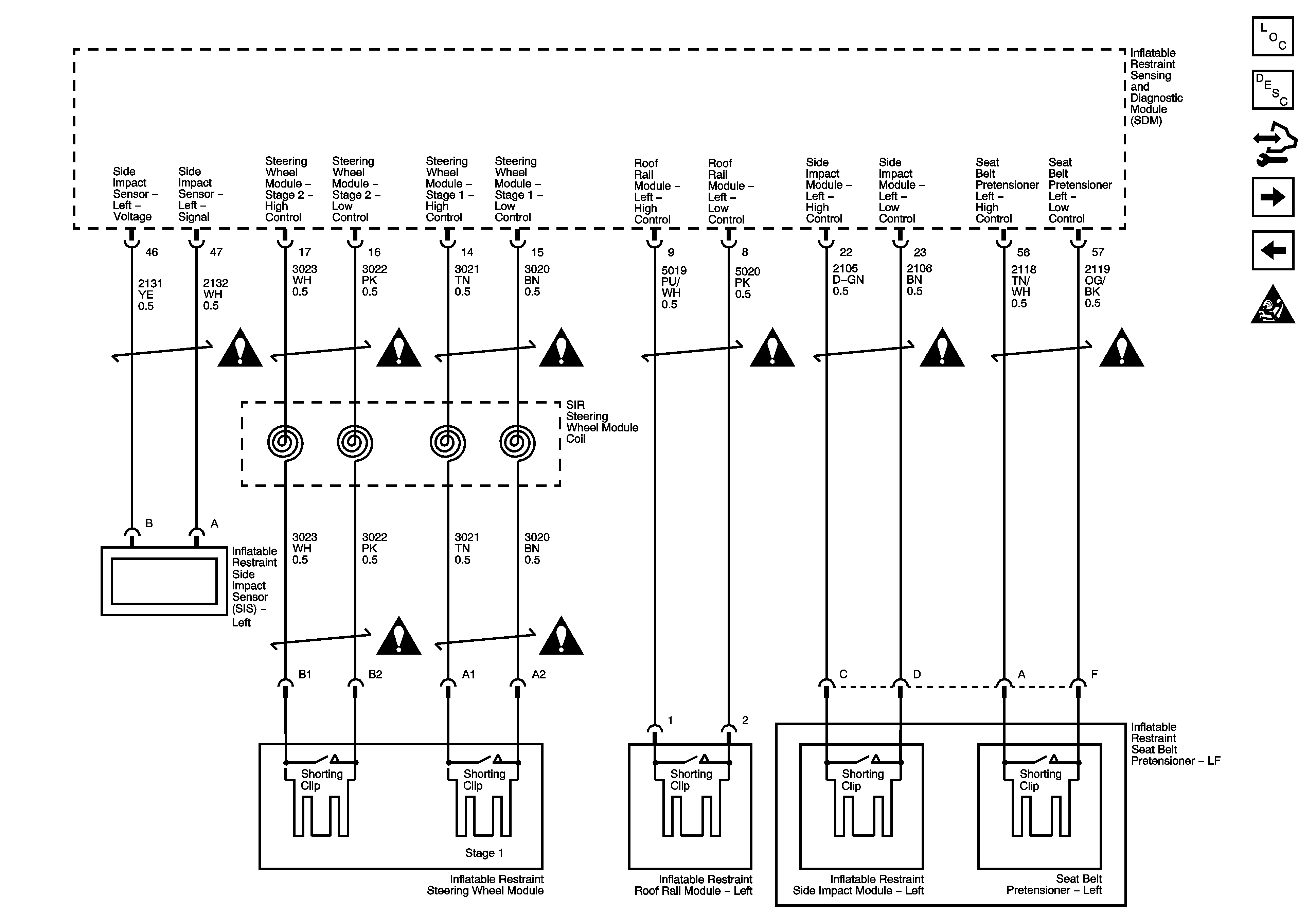
Figure 2:

Left Side Modules and Sensors


Object Number: 2020838  Size: FS
Figure 3:

Right Side Modules and Sensors


Object Number: 2020842  Size: FS
Figure 4:

Passenger Pressence System (PPS)


Object Number: 2020845  Size: FS