GM Service Manual Online
For 1990-2009 cars only

Engine Mount Bracket Replacement - Right Side w/AWD

Removal Procedure


    Object Number: 888310  Size: SH
  1. Raise and support the vehicle. Refer to Lifting and Jacking the Vehicle .
  2. Remove the right exhaust manifold. Refer to Exhaust Manifold Removal - Right Side .
  3. Install a screw jack with a block of wood under the oil pan for support.
  4. Remove the right engine mount upper retaining nut.

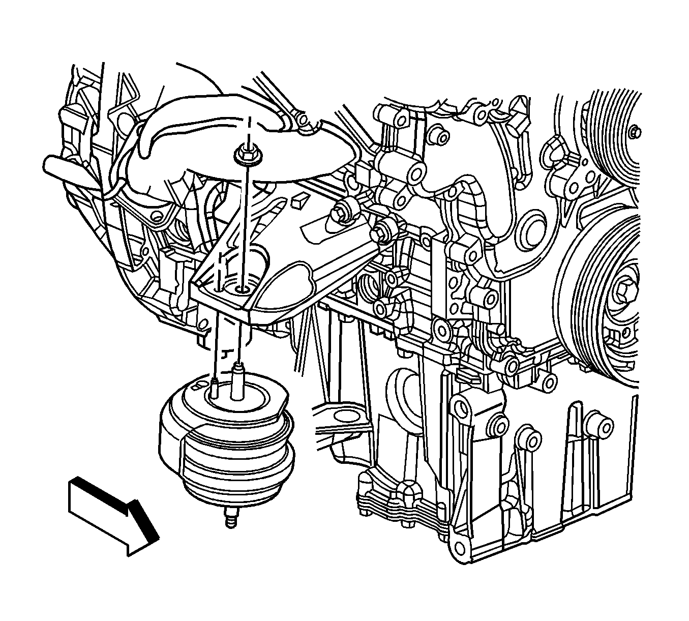
  5. Object Number: 785352  Size: SH

    Important:  Ensure not to distort or bend the engine mount bracket mounting bolts.

  6. Remove the right engine mount bracket mounting bolts.
  7. Remove the engine mount bracket from the vehicle.

Installation Procedure


    Object Number: 888307  Size: SH
  1. Install the engine mount bracket to the vehicle.
  2. Notice: Refer to Fastener Notice in the Preface section.

  3. Tighten the engine mount bracket mounting bolts.
  4. Tighten
    Tighten the bolts to 60 N·m (44 lb ft).

  5. Tighten the M8 engine mount bracket mounting bolt.
  6. Tighten
    Tighten the bolts to 38 N·m (28 lb ft).

  7. Remove the screw jack.

  8. Object Number: 888310  Size: SH
  9. Install the upper engine mount retaining nut.
  10. Tighten
    Tighten the nut to 80 N·m (59 lb ft).

  11. Install the right exhaust manifold. Refer to Exhaust Manifold Replacement - Right Side .
  12. Tighten
    Tighten the nut to 80 N·m (59 lb ft).

  13. Lower the vehicle.

Engine Mount Bracket Replacement - Right Side w/RWD

Removal Procedure


    Object Number: 785352  Size: SH
  1. Raise and support the vehicle. Refer to Lifting and Jacking the Vehicle .
  2. Install a screw jack with a block of wood under the oil pan for support.
  3. Remove the lower engine mount retaining nut.
  4. Raise the engine using the screw jack until the weight is removed from the mount.

  5. Object Number: 1283925  Size: SH
  6. Remove the upper engine mount retaining nut.
  7. Remove the engine mount from the vehicle.
  8. Remove the starter. Refer to Starter Motor Replacement .

  9. Object Number: 1283926  Size: SH

    Important:  Ensure not to distort or bend the engine mount heat shield.

  10. Remove the right engine mount bracket mounting bolts.
  11. Remove the engine mount bracket from the vehicle.

Installation Procedure


    Object Number: 1283926  Size: SH
  1. Install the engine mount bracket to the vehicle.
  2. Notice: Refer to Fastener Notice in the Preface section.

  3. Tighten the engine mount bracket mounting
  4. Tighten
    Tighten the bolts to 60 N·m (44 lb ft).

  5. Install the starter. Refer to Starter Motor Replacement .

  6. Object Number: 1283925  Size: SH
  7. Install the engine mount to the vehicle.
  8. Install the upper engine mount retaining nut.
  9. Tighten
    Tighten the nut to 80 N·m (59 lb ft).


    Object Number: 785352  Size: SH
  10. Lower the engine using the jack screw until the weight is resting on the mount.
  11. Install the engine mount retaining nut.
  12. Tighten
    Tighten the nut to 80 N·m (59 lb ft).

  13. Remove the screw jack and block of wood from under the oil pan.
  14. Lower the vehicle.