GM Service Manual Online
For 1990-2009 cars only
Makes
🢒
Cadillac
🢒
2008
🢒
SLS
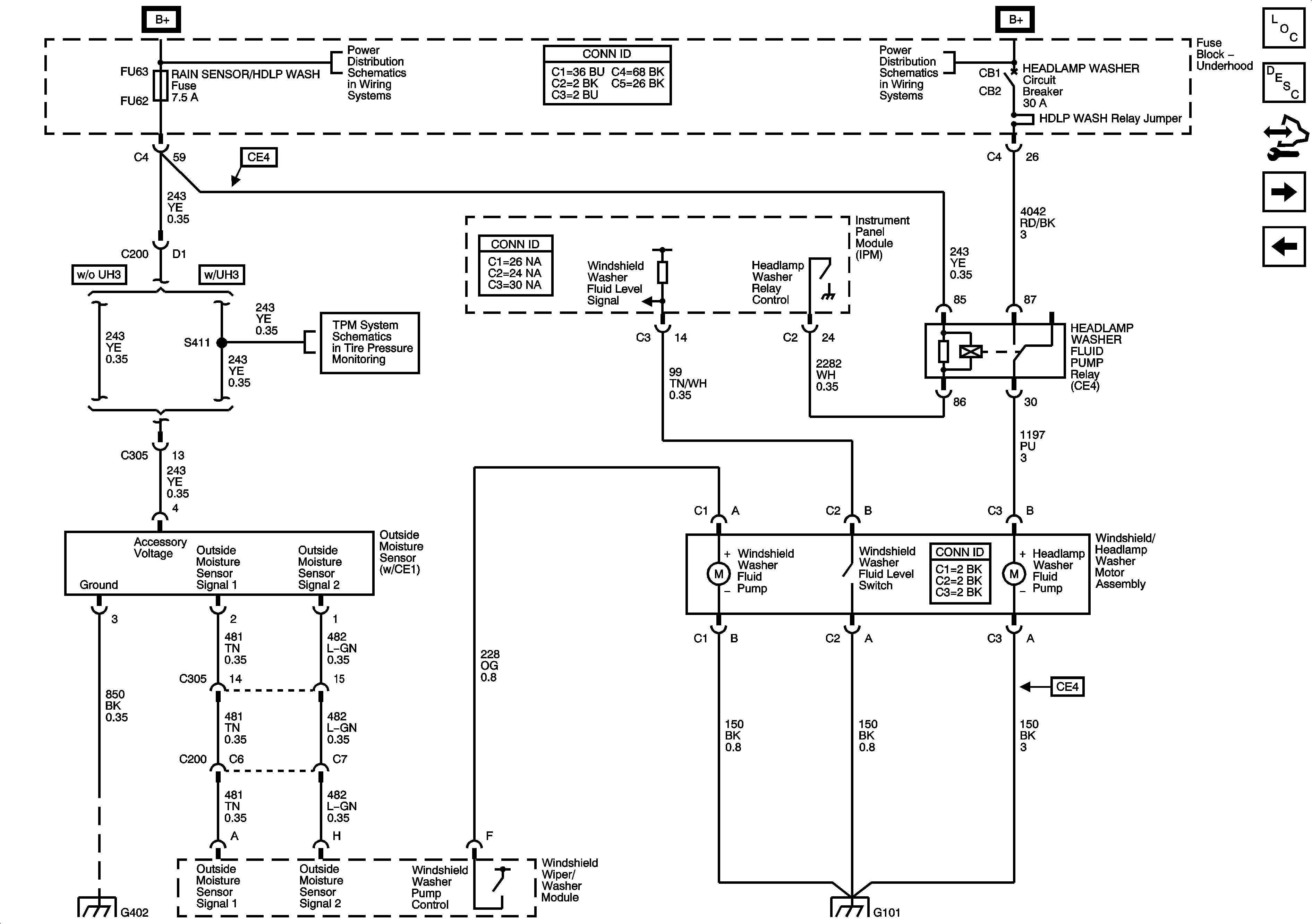
🢒 Rain Sensor, Windshield Washer Pump and Headlamp Washer Pump w/TT6/TT7/TT8
Rain Sensor, Windshield Washer Pump and Headlamp Washer Pump w/TT6/TT7/TT8
Rain Sensor (CE1), Windshield Washer Pump and Headlamp Washer Pump W/TT6/TT7/TT8
Master Electrical Component List
Wiper/Washer System Description and Operation STS
Control Module References
Heated Washer Nozzles w/XA7
Module Power, Ground and Wiper Switch
Fuse Block Underhood Bussing
Fuse Block Underhood Bussing
Japan
G402 (1 of 2)
G101