GM Service Manual Online
For 1990-2009 cars only
Makes
🢒
Cadillac
🢒
2008
🢒
SLS
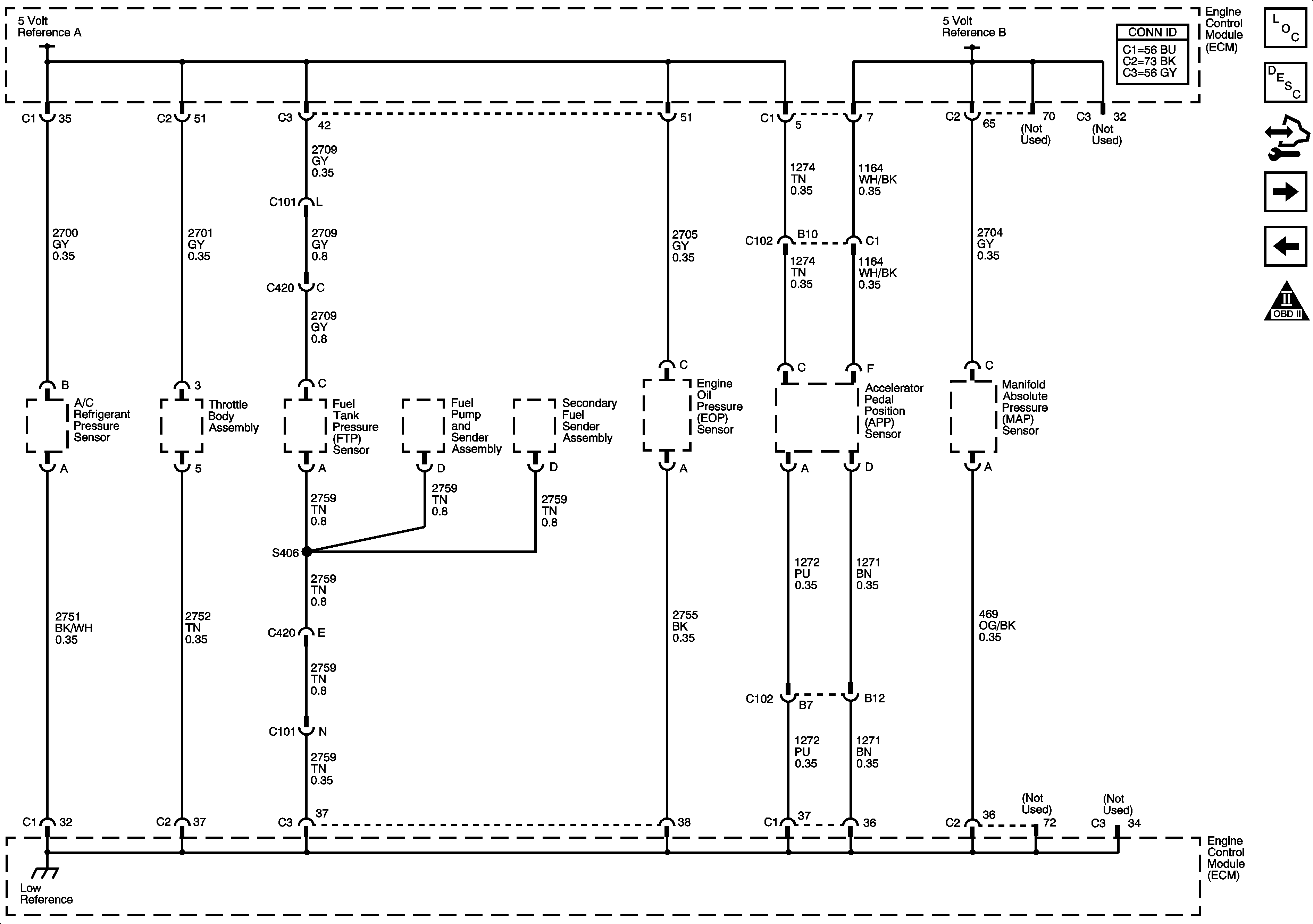
🢒 Engine Data Sensors - 5-Volt and Low References
Engine Data Sensors - 5-Volt and Low References
Engine Data Sensors - 5-Volt and Low Reference
Master Electrical Component List
Engine Control Module Description
Control Module References
Engine Data Sensors - Pressure, Temperature, MAF, VSS
ECM Power, Ground, DLC and MIL
Engine Controls Schematic Icons