GM Service Manual Online
For 1990-2009 cars only
Makes
🢒
Cadillac
🢒
2008
🢒
SLS
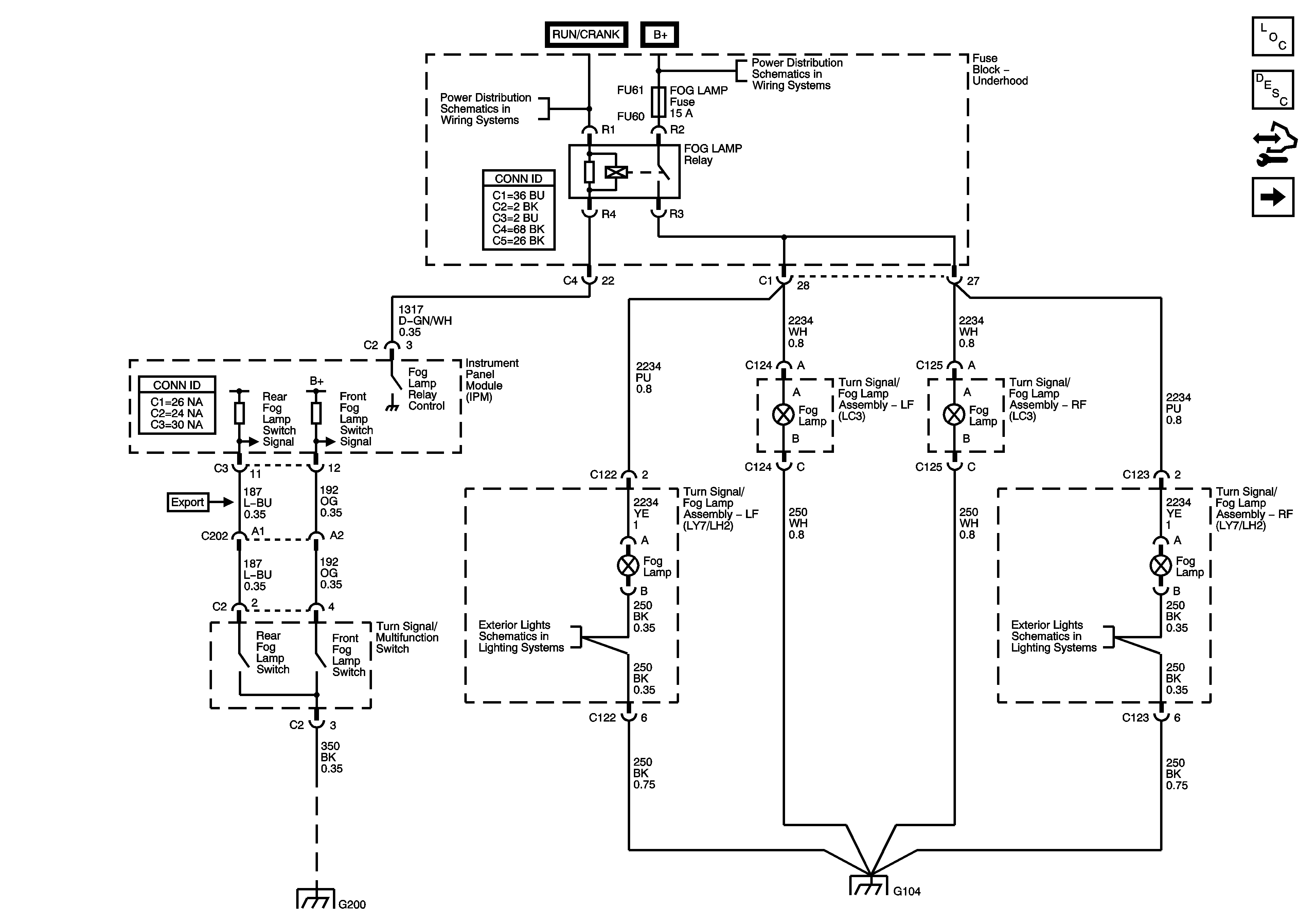
🢒 Front Fog Lamps
Front Fog Lamps
Front Fog Lamps
Master Electrical Component List
Exterior Lighting Systems Description and Operation
Control Module References
Rear Fog Lamps - Export
Fuse Block Right Rear: LT Turn Signal, RIM(1), Rear Fog Lamp, FT Passenger Door Module, Heated Steering Column, IGN 1, RIM(2) and Airbag Fuses; Rear Fog Lamp and IGN 1 Relays
Fuse Block Underhood Bussing
Front Turn Signal and Repeater Lamps, Hazard Switch - Domestic and Export
Front Turn Signal and Repeater Lamps, Hazard Switch - Domestic and Export
G200 (2 of 2)
G104 (1 of 2)