GM Service Manual Online
For 1990-2009 cars only
Makes
🢒
Cadillac
🢒
2008
🢒
SLS
🢒 Adaptive Cruise Steering Wheel Controls, DLC
Adaptive Cruise Steering Wheel Controls, DLC
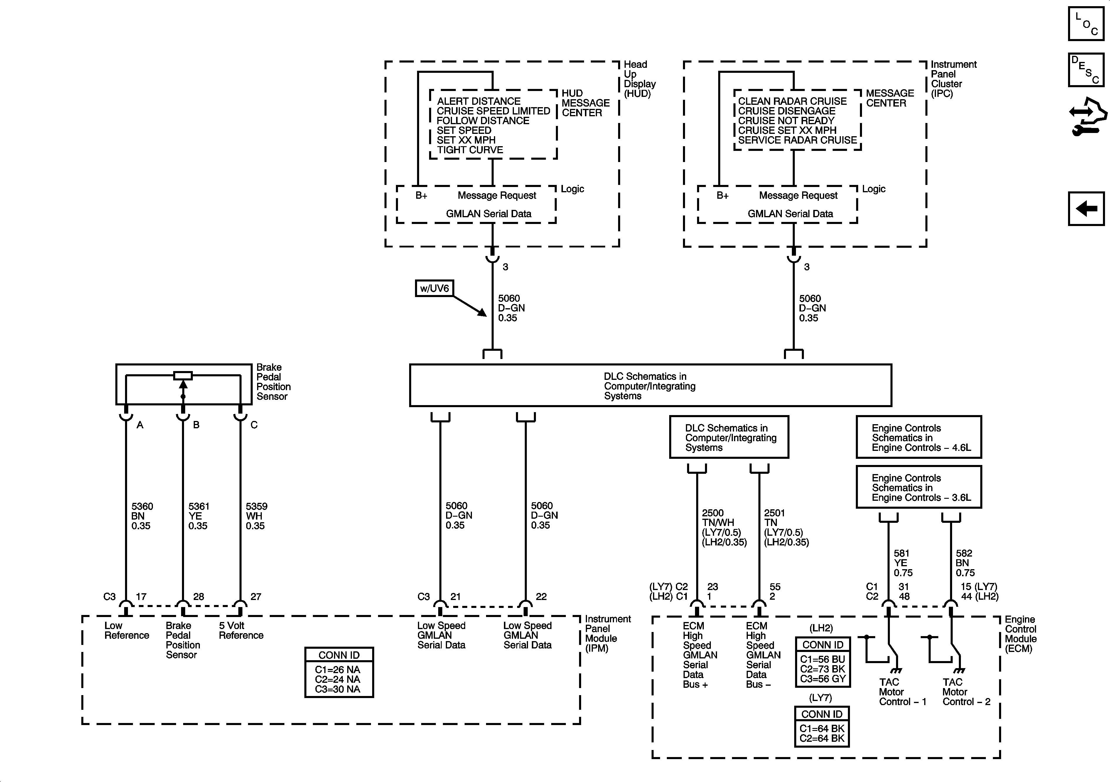
DLC, Brake Pedal Position Sensor
Master Electrical Component List
Cruise Control Description and Operation (Adaptive Cruise Control)
Control Module References
Distance Sensing Cruise Control Module - K59
GMLAN Low Speed (2 of 2)
GMLAN High Speed - Domestic w/ UE1
Electronic Throttle Controls
Engine Data Sensors - Electronic Throttle Controls