GM Service Manual Online
For 1990-2009 cars only
Makes
🢒
Cadillac
🢒
2008
🢒
SLS
🢒 Fuel Controls - Injectors and Pump
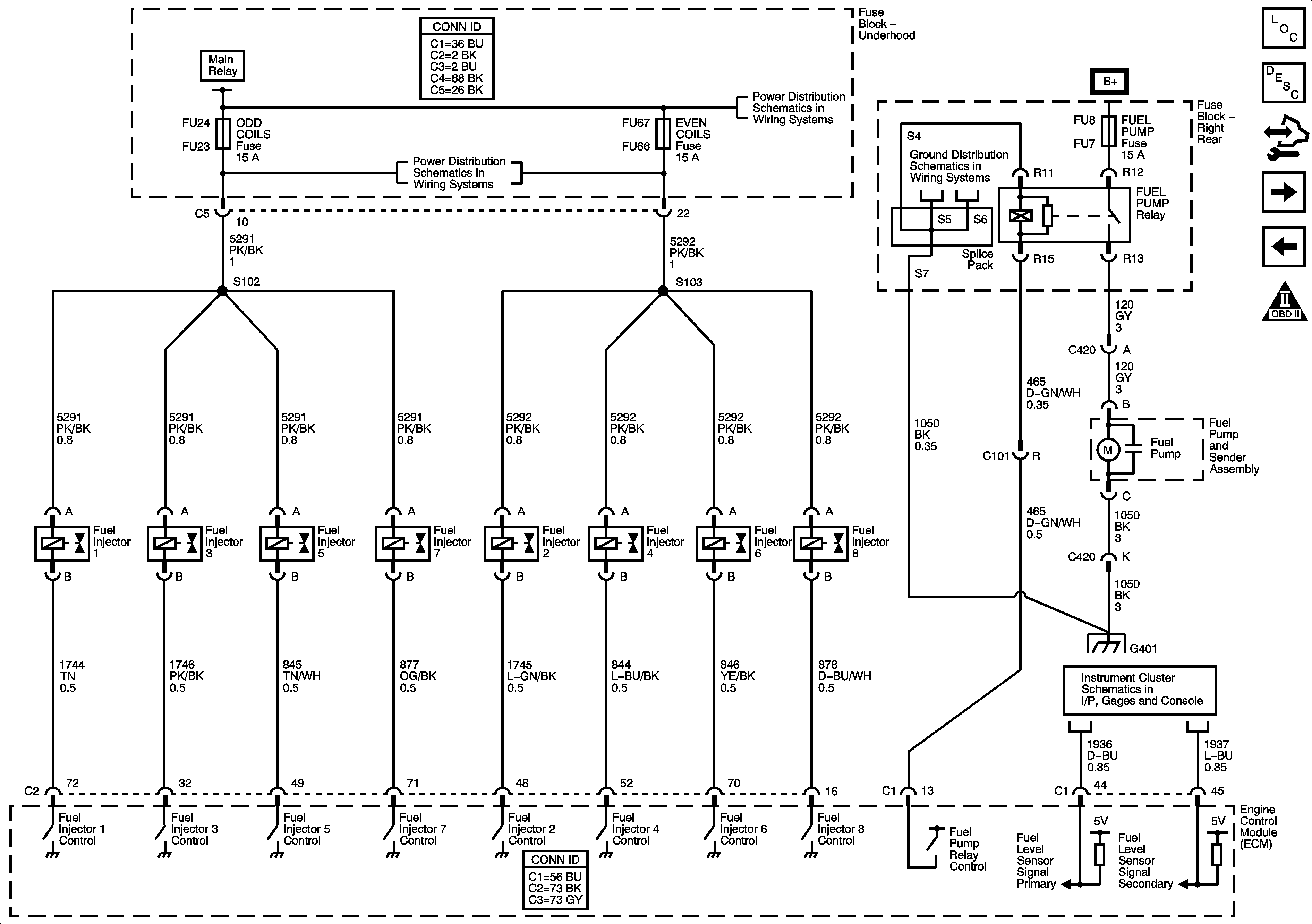
Fuel Controls - Injectors and Pump
Fuel Controls - Injectors and Pump
Master Electrical Component List
Fuel System Description
Control Module References
Fuel Controls - EVAP and Fuel Tank Pressure (FTP) Sensor
Crankshaft Position (CKP) Sensor and Knock Sensors
Engine Controls Schematic Icons
Fuse Block - Underhood: Odd INJ/COILS, Even INJ COILS and POST 02 Fuses
Fuse Block Underhood Bussing
G401 (1 of 2)
G401 (1 of 2)
Engine Oil and Fuel Tank Level