GM Service Manual Online
For 1990-2009 cars only
Makes
🢒
Cadillac
🢒
2009
🢒
SLS
🢒
Body Systems
🢒
Wipers and Washers
🢒 Wiper/Washer Schematics
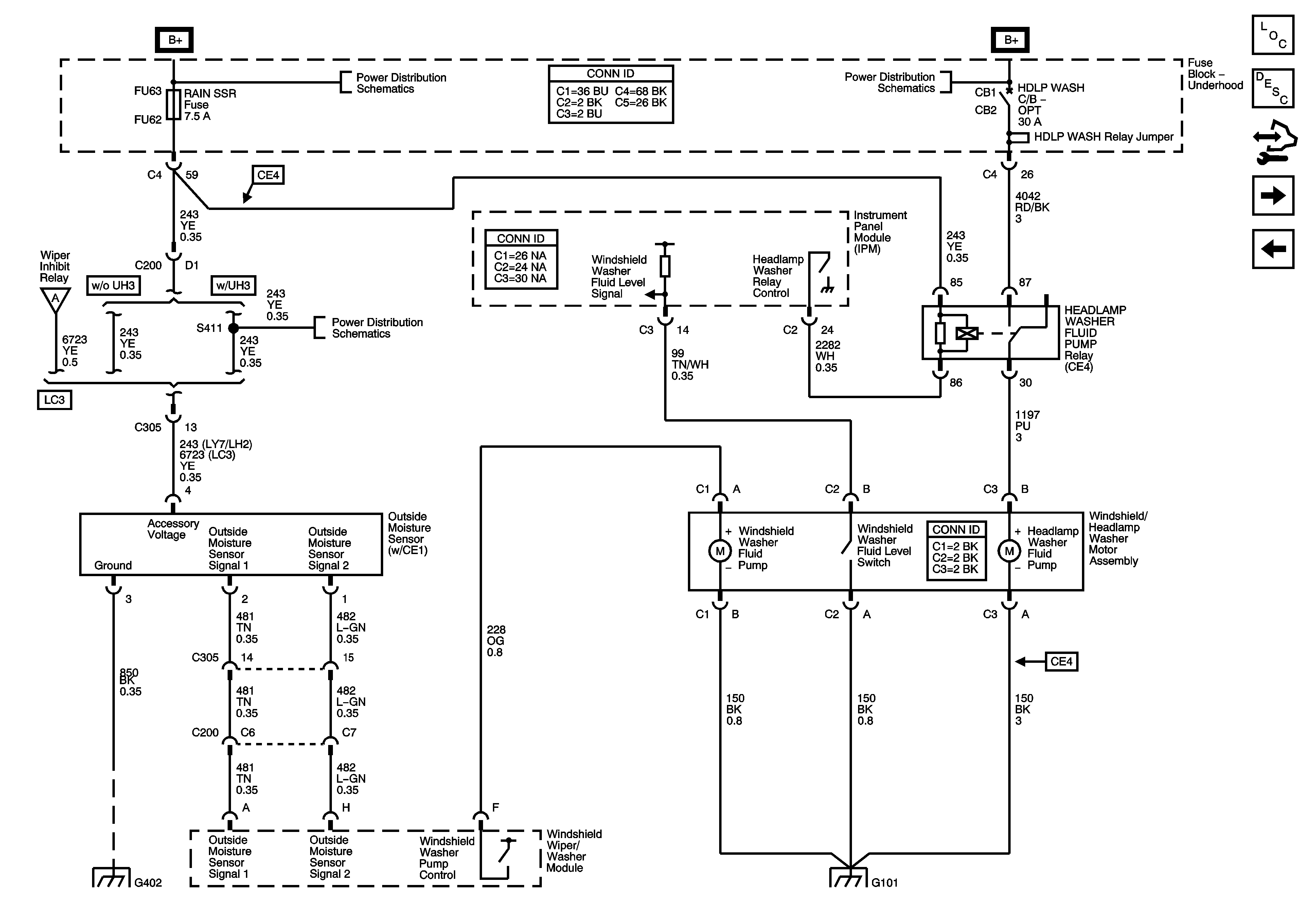
Figure
1:
Rain Sensor (CE1), Windshield Washer Pump and Headlamp Washer Pump With TT6/TT7/TT8
Figure
2:
Power, Ground, and Wiper Switch