GM Service Manual Online
For 1990-2009 cars only

Instrument Panel Air Outlet Ducts Replacement Upper Left

Removal Procedure


    Object Number: 760779  Size: SH
  1. Remove the instrument panel (I/P) retainer. Refer to Instrument Panel Carrier Replacement.
  2. Remove the foam dash pad (1).

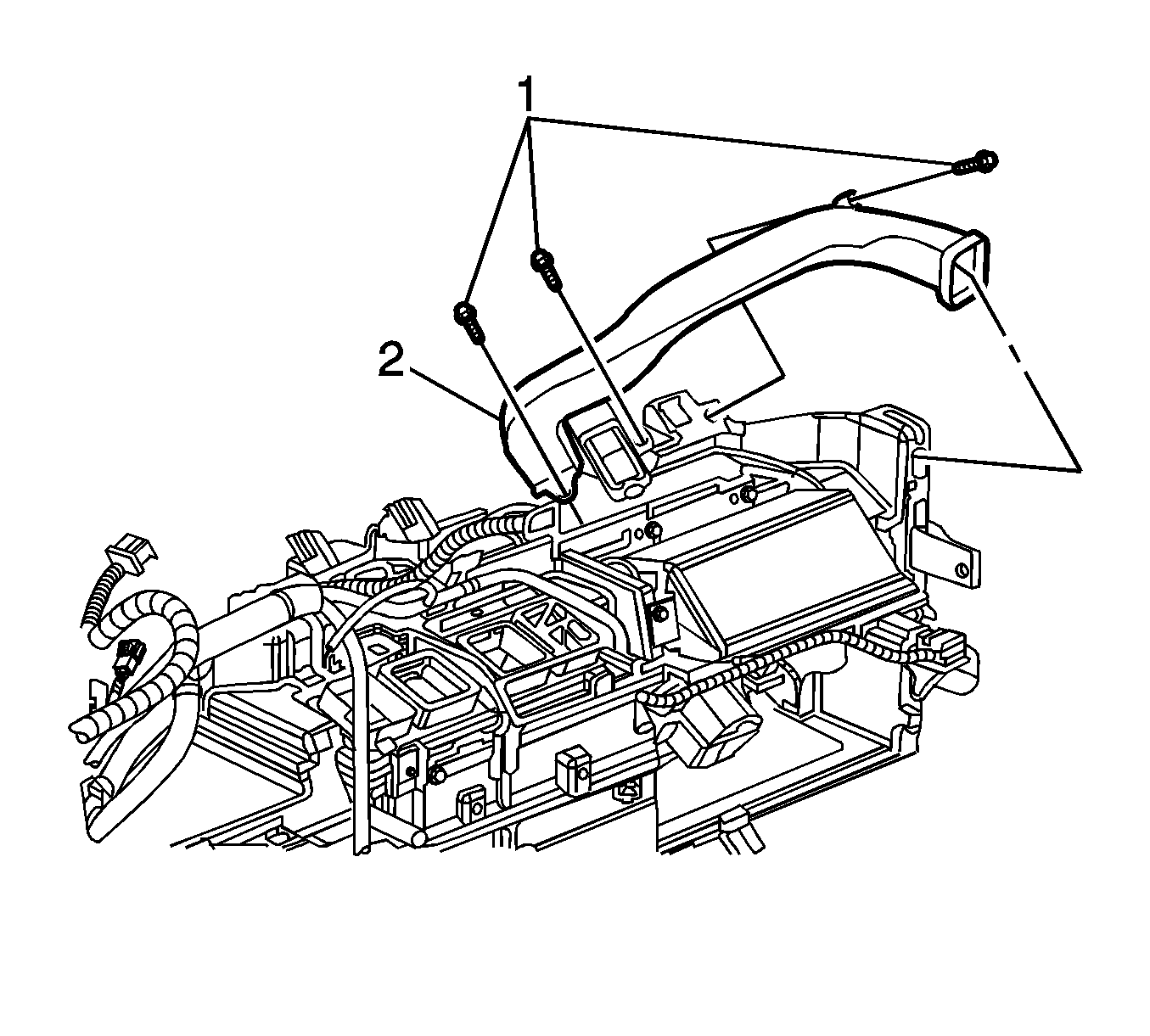
  3. Object Number: 2013315  Size: SH
  4. Remove the screws (1) that retain the air duct.
  5. Remove the left air duct (2) by unsnapping the air duct from the HVAC module.

Installation Procedure


    Object Number: 2013315  Size: SH
  1. Install the left air duct (2) by pressing down until you hear the tabs engage on the HVAC module.
  2. Caution: Refer to Fastener Caution in the Preface section.

  3. Install the air outlet duct screws (1).
  4. Tighten
    Tighten the screws to 2 N·m (18 lb in).


    Object Number: 760779  Size: SH
  5. Install the foam dash pad (1).
  6. Install the I/P retainer. Refer to Instrument Panel Carrier Replacement.

Instrument Panel Air Outlet Ducts Replacement Upper Right

Removal Procedure


    Object Number: 760779  Size: SH
  1. Remove the instrument panel (I/P) retainer. Refer to Instrument Panel Carrier Replacement.
  2. Remove the foam dash pad (1).

  3. Object Number: 2013316  Size: SH
  4. Remove the screws (1) that retain the air duct (2).
  5. Remove the right air duct (2) by releasing the tabs from the module.

Installation Procedure


    Object Number: 2013316  Size: SH
  1. Install the right air duct (2) by pressing down until you hear the tabs engage on the HVAC module.
  2. Caution: Refer to Fastener Caution in the Preface section.

  3. Install the right air duct screws (1).
  4. Tighten
    Tighten the screws to 2 N·m (18 lb in).


    Object Number: 760779  Size: SH
  5. Install the foam dash pad (1).
  6. Install the I/P retainer. Refer to Instrument Panel Carrier Replacement.